350/350 PRO/400R VERADO (4-STROKE)(6 CYLINDER)
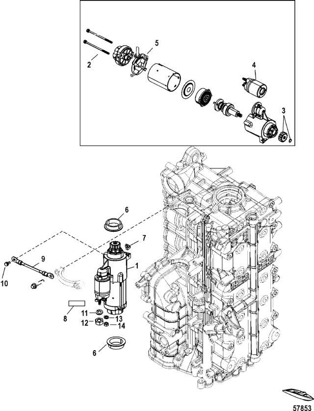
Стартер
Стартер
| № | Артикул | Наименование | Деталей в узле | Комментарий | Цена | |
| 1 | Стартер в сборе | 1 | 65610 руб. | |||
| 2 | NSS | не продаются по отдельности, винты | 2 | |||
| 3 | комплект шестерни | 1 | 13670 руб. | |||
| 4 | комплект соленоида | 1 | 22390 руб. | |||
| 5 | набор контактных щеток | 1 | 9650 руб. | |||
| 6 | манжет | 2 | 1020 руб. | |||
| 7 | ограничитель | 1 | 570 руб. | |||
| 8 | NSS | не продается по отдельности, наклейка "внимание - высокое напряжение" | 1 | |||
| 9 | Кабель в сборе (6"), черный | 1 | 1660 руб. | |||
| 10 | Винт и стопорная шайба (0.250-20 x 0.625), нержавеющая сталь | 1 | 230 руб. | |||
| 11 | Стопорная шайба (0.312) | 1 | цена по запросу | |||
| 12 | Гайка (М8), нержавеющая сталь | 1 | 240 руб. | |||
| 13 | Стопорная шайба (М5) | 1 | 130 руб. | |||
| 14 | Гайка (М5), нержавеющая сталь | 1 | 280 руб. | |||
| 1 | Art.: 50-892339T01 Стартер в сборе Деталей в узле: 1 2 | Art.: -NSS не продаются по отдельности, винты Деталей в узле: 2 3 | Art.: 43-880805A1 комплект шестерни Деталей в узле: 1 4 | Art.: 809463A1 комплект соленоида Деталей в узле: 1 5 | Art.: 8M0065258 набор контактных щеток Деталей в узле: 1 6 | Art.: 23-8M0034918 манжет Деталей в узле: 2 7 | Art.: 8M0043276 ограничитель Деталей в узле: 1 8 | Art.: -NSS не продается по отдельности, наклейка "внимание - высокое напряжение" Деталей в узле: 1 9 | Art.: 84-93388A1 Кабель в сборе (6"), черный Деталей в узле: 1 10 | Art.: 10-69035 Винт и стопорная шайба (0.250-20 x 0.625), нержавеющая сталь Деталей в узле: 1 |
