200/225/250/275 4-STROKE VERADO
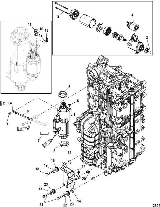
Стартер и кронштейн крепежа электического кабеля
Стартер и кронштейн крепежа электического кабеля
| № | Артикул | Наименование | Деталей в узле | Комментарий | Цена | |
| 1 | Стартер в сборе | 1 | 62330 руб. | |||
| 2 | NSS | Не продается по отдельности | 2 | |||
| 3 | комплект шестерни | 1 | 12980 руб. | |||
| 4 | комплект соленоида | 1 | 21270 руб. | |||
| 5 | манжет | 2 | 970 руб. | |||
| 6 | ограничитель | 1 | 540 руб. | |||
| 7 | NSS | не продается по отдельности, наклейка "внимание - высокое напряжение" | 1 | |||
| 8 | Кабель в сборе (6"), черный | 1 | 1580 руб. | |||
| 9 | Винт и стопорная шайба (0.250-20 x 0.625), нержавеющая сталь | 1 | 220 руб. | |||
| 10 | Стопорная шайба (0.312) | 1 | цена по запросу | |||
| 11 | Гайка (М8), нержавеющая сталь | 1 | 230 руб. | |||
| 12 | Стопорная шайба (М5) | 1 | 130 руб. | |||
| 13 | Гайка (М5), нержавеющая сталь | 1 | 270 руб. | |||
| 14 | BRACKET, Electrical Cable | 1 | 7390 руб. | |||
| 15 | вкладыш | 1 | 360 руб. | |||
| 16 | резиновая втулка | 1 | 440 руб. | |||
| 17 | зажим | 1 | 120 руб. | |||
| 18 | винт (M8 x 35 мм) | 1 | 470 руб. | |||
| 19 | Шайба (0.344 x 1.00 x 0.063) нержавеющая сталь | 1 | 170 руб. | |||
| 20 | вкладыш | 2 | 360 руб. | |||
| 21 | винт (M8 x 35 мм) | 2 | 470 руб. | |||
| 22 | Шайба (0.344 x 1.00 x 0.063) нержавеющая сталь | 2 | 170 руб. | |||
| 23 | резиновая втулка | 2 | 440 руб. | |||
| - | NSS | Не продается по отдельности, стартер в сборе | 1 | |||
| - | силовая головка в сборе | 1 | снято с производства | |||
| 1 | Art.: Стартер в сборе Деталей в узле: 1 2 | Art.: -NSS Не продается по отдельности Деталей в узле: 2 3 | Art.: 43-880805A1 комплект шестерни Деталей в узле: 1 4 | Art.: 809463A1 комплект соленоида Деталей в узле: 1 5 | манжет Деталей в узле: 2 6 | Art.: ограничитель Деталей в узле: 1 7 | Art.: -NSS не продается по отдельности, наклейка "внимание - высокое напряжение" Деталей в узле: 1 8 | Art.: 84-93388A1 Кабель в сборе (6"), черный Деталей в узле: 1 9 | Art.: 10-69035 Винт и стопорная шайба (0.250-20 x 0.625), нержавеющая сталь Деталей в узле: 1 10 | Art.: 13-26993 Стопорная шайба (0.312) Деталей в узле: 1 цена по запросу
11 | Art.: 11-400213 Гайка (М8), нержавеющая сталь Деталей в узле: 1 12 | Art.: 13-400255 Стопорная шайба (М5) Деталей в узле: 1 13 | Art.: 11-400211 Гайка (М5), нержавеющая сталь Деталей в узле: 1 14 | Art.: 889666A01 BRACKET, Electrical Cable Деталей в узле: 1 15 | Art.: 23-8502341 вкладыш Деталей в узле: 1 16 | Art.: 25-833155 резиновая втулка Деталей в узле: 1 17 | Art.: 54-879962 зажим Деталей в узле: 1 18 | Art.: винт (M8 x 35 мм) Деталей в узле: 1 19 | Art.: 12-817274 Шайба (0.344 x 1.00 x 0.063) нержавеющая сталь Деталей в узле: 1 20 | Art.: 23-8502341 вкладыш Деталей в узле: 2 21 | Art.: винт (M8 x 35 мм) Деталей в узле: 2 22 | Art.: 12-817274 Шайба (0.344 x 1.00 x 0.063) нержавеющая сталь Деталей в узле: 2 23 | Art.: 25-833155 резиновая втулка Деталей в узле: 2 - | Art.: -NSS Не продается по отдельности, стартер в сборе Деталей в узле: 1 - | Art.: 61-895247A06 силовая головка в сборе Деталей в узле: 1 снято с производства | ||||||||||||||||||||||||||
