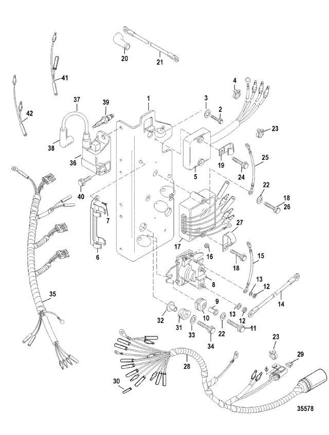
55/60/45 JET/60 BIGFOOT (2-STROKE)
электрические компоненты
электрические компоненты
| № | Артикул | Наименование | Деталей в узле | Комментарий | Цена | |
| 1 | электронная плата | 1 | 10180 руб. | |||
| 2 | винт (M5 x 12) | 1 | 140 руб. | |||
| 3 | Шайба (0.203 x 0.406 x 0.040) | 1 | 210 руб. | |||
| 4 | ленточный хомут (4") | 1 | 20 руб. | |||
| 5 | Ограничитель оборотов | 1 | MANUAL | 26760 руб. | ||
| 5 | Ограничитель оборотов | 1 | ELECTRIC | 24600 руб. | ||
| 6 | зажим | 1 | ELECTRIC | 3580 руб. | ||
| 7 | винт (M5 x 12) | 3 | ELECTRIC | 140 руб. | ||
| 8 | соленоид в сборе | 1 | ELECTRIC | 7800 руб. | ||
| 9 | вкладыш | 2 | ELECTRIC | цена по запросу | ||
| 10 | резиновая втулка | 2 | ELECTRIC | 350 руб. | ||
| 11 | Винт (M6 x 25) | 2 | ELECTRIC | 340 руб. | ||
| 12 | Гайка (0.250-20) | 2 | ELECTRIC | 240 руб. | ||
| 13 | стопорная шайба (0.250), нержавеющая сталь | 2 | ELECTRIC | 100 руб. | ||
| 14 | Кабель в сборе | 1 | ELECTRIC | 1370 руб. | ||
| 15 | кабель в сборе, черный (4") | 1 | ELECTRIC | 840 руб. | ||
| 16 | гайка (#8-32) латунь | 2 | ELECTRIC | 200 руб. | ||
| 17 | Регулятор напряжения | 1 | ELECTRIC | цена по запросу | ||
| 18 | винт (M6 x 35) | 2 | ELECTRIC | 300 руб. | ||
| 19 | J-образный зажим | 1 | ELECTRIC | цена по запросу | ||
| 20 | защитная крышка клеммы красная | 1 | ELECTRIC | 510 руб. | ||
| 21 | аккумуляторный кабель в сборе (-) | 1 | ELECTRIC | 5880 руб. | ||
| 22 | шайба (0.281 x 0.500 x 0.060) нержавеющая сталь | 2 | 160 руб. | |||
| 23 | ленточный хомут (8") | AR | 40 руб. | |||
| 24 | Винт (M6 x 25) | 2 | 340 руб. | |||
| 25 | Кабель в сборе | 1 | 1320 руб. | |||
| 26 | винт (M6 x 10) | 1 | MANUAL | 240 руб. | ||
| 27 | J CLIP (QTY. OF 2 REQUIRED ON MANUAL) | 3 | 490 руб. | |||
| 28 | жгут проводов двигателя | 1 | ELECTRIC | 16040 руб. | ||
| 29 | плавкий предохранитель, 20 ампер (желтый) | 1 | ELECTRIC | 320 руб. | ||
| 30 | пробка "папа" | 1 | ELECTRIC | 390 руб. | ||
| 31 | резиновая втулка | 3 | 980 руб. | |||
| 32 | вкладыш | 3 | 340 руб. | |||
| 33 | шайба | 3 | цена по запросу | |||
| 34 | Винт (M6 x 25), нержавеющая сталь | 3 | 500 руб. | |||
| 35 | жгут проводов зажигания | 1 | 11550 руб. | |||
| 36 | CDM ASSEMBLY | 3 | цена по запросу | |||
| 37 | кабель высокого напряжения в сборе | 3 | 1830 руб. | |||
| 38 | комплект клеммы и изолятора | 3 | 770 руб. | |||
| 39 | SPARK PLUG (NGK#BUZ8H) | 3 | цена по запросу | |||
| 39 | SPARK PLUG (NGK#BP8HS-10) | 3 | цена по запросу | |||
| 39 | свеча зажигания, NGK#BPZ-8H-N-10 | 3 | цена по запросу | |||
| 39 | свеча зажигания (NGK# BP8H-N-10) | 3 | цена по запросу | |||
| 40 | Винт (M6 x 16) | 6 | 210 руб. | |||
| 41 | жгут силовых проводов | 1 | MANUAL | 13140 руб. | ||
| 42 | жгут проводов | 1 | MANUAL | 8160 руб. | ||
| 1 | Art.: 8302351 электронная плата Деталей в узле: 1 2 | Art.: 10-82239312 винт (M5 x 12) Деталей в узле: 1 3 | Art.: 12-89302 Шайба (0.203 x 0.406 x 0.040) Деталей в узле: 1 4 | Art.: 56762 ленточный хомут (4") Деталей в узле: 1 5 | Art.: 821889A49 Ограничитель оборотов (MANUAL)Деталей в узле: 1 5 | Art.: 821889A50 Ограничитель оборотов (ELECTRIC)Деталей в узле: 1 6 | Art.: 8266241 зажим (ELECTRIC)Деталей в узле: 1 7 | Art.: 10-82239312 винт (M5 x 12) (ELECTRIC)Деталей в узле: 3 8 | Art.: соленоид в сборе (ELECTRIC)Деталей в узле: 1 9 | Art.: 23-818968 вкладыш (ELECTRIC)Деталей в узле: 2 цена по запросу
10 | Art.: 25-818967 резиновая втулка (ELECTRIC)Деталей в узле: 2 11 | Art.: 10-82129125 Винт (M6 x 25) (ELECTRIC)Деталей в узле: 2 12 | Art.: 11-64015 Гайка (0.250-20) (ELECTRIC)Деталей в узле: 2 13 | Art.: 13-26992 стопорная шайба (0.250), нержавеющая сталь (ELECTRIC)Деталей в узле: 2 14 | Art.: 84-88807A33 Кабель в сборе (ELECTRIC)Деталей в узле: 1 15 | Art.: 84-88807A16 кабель в сборе, черный (4") (ELECTRIC)Деталей в узле: 1 16 | Art.: 11-26419 гайка (#8-32) латунь (ELECTRIC)Деталей в узле: 2 17 | Регулятор напряжения (ELECTRIC)Деталей в узле: 1 цена по запросу 18 | Art.: 10-82129135 винт (M6 x 35) (ELECTRIC)Деталей в узле: 2 19 | Art.: 54-55098 J-образный зажим (ELECTRIC)Деталей в узле: 1 цена по запросу
20 | Art.: 85-830233 защитная крышка клеммы красная (ELECTRIC)Деталей в узле: 1 21 | Art.: 84-88439A4 аккумуляторный кабель в сборе (-) (ELECTRIC)Деталей в узле: 1 22 | Art.: 12-29245 шайба (0.281 x 0.500 x 0.060) нержавеющая сталь Деталей в узле: 2 23 | Art.: ленточный хомут (8") Деталей в узле: AR 24 | Art.: 10-82129125 Винт (M6 x 25) Деталей в узле: 2 25 | Art.: 84-88807A31 Кабель в сборе Деталей в узле: 1 26 | Art.: 10-82129110 винт (M6 x 10) (MANUAL)Деталей в узле: 1 27 | Art.: 54-54457 J CLIP (QTY. OF 2 REQUIRED ON MANUAL) Деталей в узле: 3 28 | Art.: 84-850220A2 жгут проводов двигателя (ELECTRIC)Деталей в узле: 1 29 | Art.: 88-812619 плавкий предохранитель, 20 ампер (желтый) (ELECTRIC)Деталей в узле: 1 30 | Art.: 13541 пробка "папа" (ELECTRIC)Деталей в узле: 1 31 | Art.: 25-822002 резиновая втулка Деталей в узле: 3 32 | Art.: 23-822003 вкладыш Деталей в узле: 3 33 | Art.: 12-4002316 шайба Деталей в узле: 3 цена по запросу
34 | Art.: 10-40011129 Винт (M6 x 25), нержавеющая сталь Деталей в узле: 3 35 | Art.: 84-850221A2 жгут проводов зажигания Деталей в узле: 1 36 | Art.: CDM ASSEMBLY Деталей в узле: 3 цена по запросу
37 | Art.: 84-821945A61 кабель высокого напряжения в сборе Деталей в узле: 3 38 | Art.: 85-63709A1 комплект клеммы и изолятора Деталей в узле: 3 39 | Art.: 33-14103568 SPARK PLUG (NGK#BUZ8H) Деталей в узле: 3 цена по запросу
39 | Art.: SPARK PLUG (NGK#BP8HS-10) Деталей в узле: 3 цена по запросу
39 | Art.: свеча зажигания, NGK#BPZ-8H-N-10 Деталей в узле: 3 цена по запросу
39 | Art.: свеча зажигания (NGK# BP8H-N-10) Деталей в узле: 3 цена по запросу
40 | Art.: 10-82129116 Винт (M6 x 16) Деталей в узле: 6 41 | Art.: 84-850052A1 жгут силовых проводов (MANUAL)Деталей в узле: 1 42 | Art.: жгут проводов (MANUAL)Деталей в узле: 1 | |||||||||||||||||||||||||||||||||||||||||||||||
