3.0L/LX ALPHA ONE
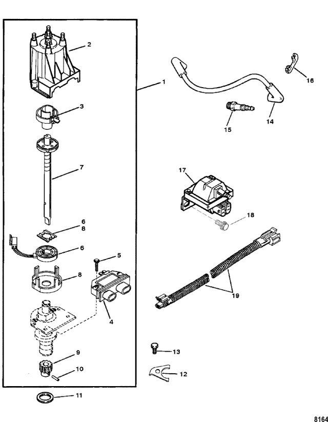
EST Ignition Components
EST Ignition Components
| № | Артикул | Наименование | Деталей в узле | Комментарий | Цена | |
| 1 | распределитель зажигания | 1 | цена по запросу | |||
| 2 | крышка распределителя зажигания | 1 | 2690 руб. | |||
| 3 | ротор | 1 | цена по запросу | |||
| 4 | модуль | 1 | цена по запросу | |||
| 5 | винт | 2 | снято с производства | |||
| 6 | катушка зажигания | 1 | 4910 руб. | |||
| 7 | главный вал в сборе | 1 | снято с производства | |||
| 8 | POLE PIECE | 1 | 4680 руб. | |||
| 9 | Шестерня | 1 | 10150 руб. | |||
| 10 | PIN, Drive | 1 | снято с производства | |||
| 11 | Прокладка | 1 | 1490 руб. | |||
| 12 | зажим | 1 | 2710 руб. | |||
| 13 | винт (0.375-16 x 1.00) | 1 | 230 руб. | |||
| 14 | SPARK PLUG WIRE KIT, Ignition (Spark Plugs and Coil) | 1 | 8340 руб. | |||
| 15 | свеча зажигания | 4 | 750 руб. | |||
| 16 | Фиксатор для двух проводов | 1 | 630 руб. | |||
| 17 | катушка зажигания | 1 | 20130 руб. | |||
| 18 | винт (0.375-16 x 0.750) | 2 | снято с производства | |||
| 19 | жгут проводов от распределительного модуля к катушке зажигания | 1 | снято с производства | |||
| - | ремонтный набор прокладок | 1 | 68020 руб. | |||
| 1 | Art.: 817377 распределитель зажигания Деталей в узле: 1 цена по запросу
| ||||||||||||||||||||||||||||||||||||||
| 2 | крышка распределителя зажигания Деталей в узле: 1 3 | ротор Деталей в узле: 1 цена по запросу 4 | модуль Деталей в узле: 1 цена по запросу
5 | Art.: 10-811638 винт Деталей в узле: 2 снято с производства 6 | Art.: катушка зажигания Деталей в узле: 1 7 | Art.: главный вал в сборе Деталей в узле: 1 снято с производства 8 | Art.: 811641 POLE PIECE Деталей в узле: 1 9 | Art.: 43-811642 Шестерня Деталей в узле: 1 10 | Art.: 17-33649 PIN, Drive Деталей в узле: 1 снято с производства 11 | Art.: 27-87707 Прокладка Деталей в узле: 1 12 | Art.: 72624 зажим Деталей в узле: 1 13 | Art.: 10-34353 винт (0.375-16 x 1.00) Деталей в узле: 1 14 | Art.: SPARK PLUG WIRE KIT, Ignition (Spark Plugs and Coil) Деталей в узле: 1 15 | Art.: свеча зажигания Деталей в узле: 4 16 | Art.: 54676 Фиксатор для двух проводов Деталей в узле: 1 17 | катушка зажигания Деталей в узле: 1 18 | Art.: 10-805189 винт (0.375-16 x 0.750) Деталей в узле: 2 снято с производства 19 | Art.: 84-817376T жгут проводов от распределительного модуля к катушке зажигания Деталей в узле: 1 снято с производства - | Art.: ремонтный набор прокладок Деталей в узле: 1 | ||||||||||||||||||||
