30/40 (2 CYLINDER) 2-STROKE
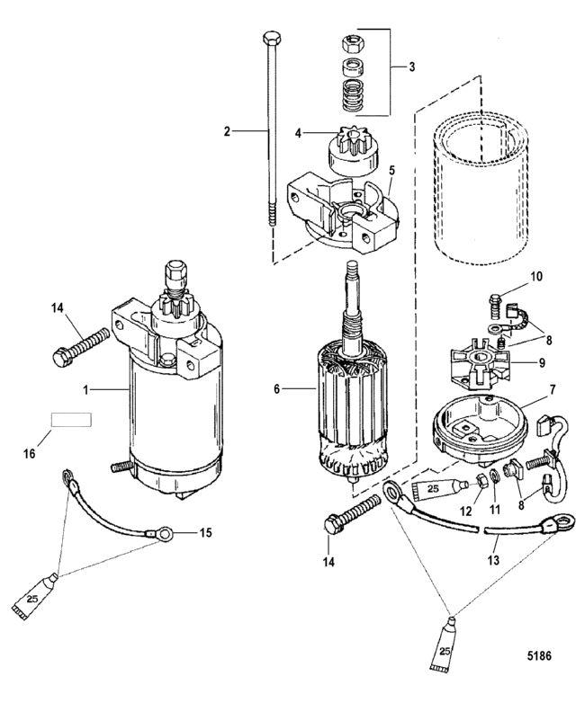
Стартер
Стартер
| № | Артикул | Наименование | Деталей в узле | Комментарий | Цена | |
| 1 | Стартер в сборе | 1 | 41590 руб. | |||
| 2 | стяжной болт | 1 | снято с производства | |||
| 3 | комплект приводной шестерни | 1 | 7050 руб. | |||
| 4 | привод в сборе | 1 | 8620 руб. | |||
| 5 | передняя крышка | 1 | снято с производства | |||
| 6 | сердечник | 1 | 28950 руб. | |||
| 7 | крышка коммутатора | 1 | снято с производства | |||
| 8 | комплект пружины и контактной щетки | 1 | снято с производства | |||
| 9 | Держатель | 1 | снято с производства | |||
| 10 | винт | 2 | снято с производства | |||
| 11 | стопорная шайба (0.250), нержавеющая сталь | 1 | 100 руб. | |||
| 12 | Гайка (0.250-20) | 1 | 240 руб. | |||
| 13 | CABLE ASSEMBLY, Battery - Positive (5/16) | 1 | 5920 руб. | |||
| 14 | винт (M8 x 45), нержавеющая сталь | 3 | 490 руб. | |||
| 15 | CABLE ASSEMBLY, Black (6.25 Inch Terminals) | 1 | 1370 руб. | |||
| 16 | наклейка "Осторожно! Высокое напряжение" | 1 | 1240 руб. | |||
| 1 | Art.: Стартер в сборе Деталей в узле: 1 2 | Art.: 10-965661 стяжной болт Деталей в узле: 1 снято с производства 3 | Art.: 90643 комплект приводной шестерни Деталей в узле: 1 4 | Art.: 685753 привод в сборе Деталей в узле: 1 5 | Art.: 8236392 передняя крышка Деталей в узле: 1 снято с производства 6 | Art.: 965651 сердечник Деталей в узле: 1 7 | Art.: 8119011 крышка коммутатора Деталей в узле: 1 снято с производства 8 | Art.: комплект пружины и контактной щетки Деталей в узле: 1 снято с производства 9 | Art.: Держатель Деталей в узле: 1 снято с производства 10 | Art.: F15158 винт Деталей в узле: 2 снято с производства 11 | Art.: 13-26992 стопорная шайба (0.250), нержавеющая сталь Деталей в узле: 1 12 | Art.: 11-64015 Гайка (0.250-20) Деталей в узле: 1 13 | Art.: 84-88439A9 CABLE ASSEMBLY, Battery - Positive (5/16) Деталей в узле: 1 14 | Art.: 10-40011153 винт (M8 x 45), нержавеющая сталь Деталей в узле: 3 15 | Art.: 84-88807A33 CABLE ASSEMBLY, Black (6.25 Inch Terminals) Деталей в узле: 1 16 | Art.: 37-8272822 наклейка "Осторожно! Высокое напряжение" Деталей в узле: 1 | |||||||||||||||||
