FORCE 1989 85 H.P. "D" MODELS
электрические компоненты
электрические компоненты
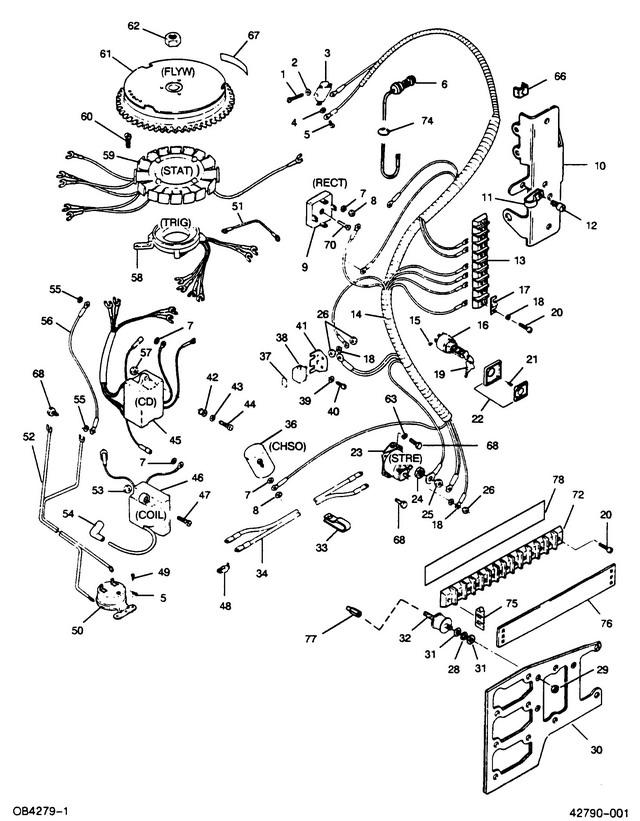
| № | Артикул | Наименование | Деталей в узле | Комментарий | Цена | |
| 1 | SLOTTED FILL HD. SCREW, 6 - 32 X 7/8 | 2 | снято с производства | |||
| 2 | PLAIN WASHER | 2 | цена по запросу | |||
| 3 | NEUTRAL INTERLOCK SWITCH | 1 | снято с производства | |||
| 6 | THERMOSWITCH | 1 | цена по запросу | |||
| 7 | SPRING LOCKWASHER | 5 | снято с производства | |||
| 8 | HEX NUT, 8 - 32 | 8 | снято с производства | |||
| 9 | выпрямитель | 1 | W/ILLUS. 4,5,70 AND LITERATURE | снято с производства | ||
| 10 | BRACKET, TERMINAL BLOCK | 1 | снято с производства | |||
| 11 | CLAMP, REMOTE ELEC. CABLE TO BRACKET | 1 | снято с производства | |||
| 12 | FILL HD. SCREW, 1/4 - 20 X 1/2 | 2 | цена по запросу | |||
| 13 | TERMINAL BLOCK | 1 | W/ILLUS. 17 & 20 | снято с производства | ||
| 14 | жгут проводов | 1 | цена по запросу | |||
| 15 | SLOTTED PAN HD. SCREW, 8 - 32 X 1/4 | 6 | цена по запросу | |||
| 16 | SWITCH, IGNITION LONG BARREL W/KEYS AND SCREWS | 1 | (ACCESSORY ITEM) | 11340 руб. | ||
| 17 | CLIP, TERMINAL BLOCK GROUND | 2 | снято с производства | |||
| 18 | стопорная шайба | 6 | цена по запросу | |||
| 19 | KEY IGNITION - LETTER OR STAMPED A | 560 руб. | ||||
| 20 | PAN HD. SCREW, 10 - 24 X 3/4 | 2 | цена по запросу | |||
| 21 | FLAT HD. SCREW, 6 X 1/2 | 4 | снято с производства | |||
| 22 | IGNITION SWITCH MOUNTING KIT (ACCESSORY ITEM) | 1 | снято с производства | |||
| 23 | реле стартера | 1 | 11220 руб. | |||
| 24 | SPRING LOCKWASHER | 2 | цена по запросу | |||
| 25 | HEX NUT, S.S., 5/16 - 18 | 2 | цена по запросу | |||
| 26 | HEX NUT, 10 - 32 | 6 | цена по запросу | |||
| 28 | PLAIN WASHER | 3 | снято с производства | |||
| 29 | HEX NUT, S.S., 5/16 - 18 | 3 | цена по запросу | |||
| 30 | BRACKET (C.D. - COIL) | 1 | снято с производства | |||
| 31 | EXTERNAL TOOTH LOCKWASHER | 6 | снято с производства | |||
| 32 | MOUNT (SHOCK - C.D. UNIT) | 3 | снято с производства | |||
| 33 | зажим | 1 | снято с производства | |||
| 34 | аккумуляторный кабель | 1 | цена по запросу | |||
| 36 | соленоид воздушной заслонки | 1 | цена по запросу | |||
| 37 | DECAL, CIRCUIT BREAKER | 1 | снято с производства | |||
| 38 | CIRCUIT BREAKER | 1 | снято с производства | |||
| 39 | PLAIN WASHER | 2 | цена по запросу | |||
| 40 | SLOTTED PAN HD. SCREW, 10 - 24 X 3/8 | 2 | снято с производства | |||
| 41 | CIRCUIT BREAKER BRACKET | 1 | снято с производства | |||
| 42 | резиновая втулка | 4 | снято с производства | |||
| 43 | PLAIN WASHER | 4 | цена по запросу | |||
| 44 | HEX HD. M. SC., 1/4 - 20 X 7/8 | 4 | снято с производства | |||
| 45 | MODULE (BLUE) | 2 | цена по запросу | |||
| 46 | IGNITION COIL (BLUE) | 3 | цена по запросу | |||
| 47 | HEX HD. MACH. SCREW, 1/4 - 20 X 7/8 | 6 | снято с производства | |||
| 48 | BATTERY TERMINAL KIT (ACCESSORY ITEM) | 1 | снято с производства | |||
| 49 | PAN HD. SCREW, 8 X 3/4 | 2 | цена по запросу | |||
| 50 | BUZZER, HEAT INDICATOR (ACCESSORY ITEM) | 1 | снято с производства | |||
| 51 | WIRE, GROUND (RECTIFIER TO STARTER BOLT) | 1 | снято с производства | |||
| 52 | CABLE, HEAT INDICATOR | 1 | цена по запросу | |||
| 53 | NUT, 1/4 - 20 | 6 | цена по запросу | |||
| 54 | SPARKIE KIT | 3 | 780 руб. | |||
| 55 | стопорная шайба | 2 | цена по запросу | |||
| 56 | WIRE, GROUND (C.D. - COIL BRACKET) | 1 | снято с производства | |||
| 57 | NUT, LOCK 1/4 - 20 | 4 | цена по запросу | |||
| 58 | TRIGGER ASSY. | 1 | цена по запросу | |||
| 59 | ALTERNATOR STATOR | 1 | цена по запросу | |||
| 60 | SLOTTED PAN HD. SCREW #12 - 24 X 1 | 4 | снято с производства | |||
| 61 | маховик | 1 | снято с производства | |||
| 62 | HEX NUT, 3/4 - 16 | 1 | 1690 руб. | |||
| 63 | SPRING LOCKWASHER | 1 | цена по запросу | |||
| 66 | фиксатор | 1 | снято с производства | |||
| 67 | наклейка - предупреждение | 1 | W/LITERATURE | снято с производства | ||
| 68 | HEX HD. SCREW, 1/4 - 20 X 3/4 | 3 | цена по запросу | |||
| 70 | PAN HD. SCREW, 8 - 32 X 3/4 | 1 | цена по запросу | |||
| 71 | DECAL, 3 CYL. WIRING | 1 | снято с производства | |||
| 72 | TERMINAL BLOCK (12 POSITION) | 1 | снято с производства | |||
| 74 | RETAINER, THERMOSWITCH | 1 | цена по запросу | |||
| 75 | CLIP, TERMINAL BLOCK COVER | 2 | снято с производства | |||
| 76 | COVER, TERMINAL BLOCK COVER | 1 | снято с производства | |||
| 77 | шпилька | 1 | цена по запросу | |||
| 78 | PAN, INSULATING | 1 | снято с производства | |||
| - | TY-RAP (NOT SHOWN) | 1 | 30 руб. | |||
| - | KEY IGNITION - STAMPED E | 560 руб. | ||||
| - | KEY IGNITION - STAMPED D | 450 руб. | ||||
| - | KEY IGNITION - STAMPED C | 560 руб. | ||||
| - | KEY IGNITION - STAMPED B | 560 руб. | ||||
| - | EMERGENCY STARTER ROPE (NOT SHOWN) | 1 | цена по запросу | |||
| 1 | Art.: F2016 SLOTTED FILL HD. SCREW, 6 - 32 X 7/8 Деталей в узле: 2 снято с производства 2 | Art.: PLAIN WASHER Деталей в узле: 2 цена по запросу 3 | Art.: F84449 NEUTRAL INTERLOCK SWITCH Деталей в узле: 1 снято с производства 6 | Art.: THERMOSWITCH Деталей в узле: 1 цена по запросу 7 | Art.: F8056 SPRING LOCKWASHER Деталей в узле: 5 снято с производства 8 | Art.: F1647 HEX NUT, 8 - 32 Деталей в узле: 8 снято с производства 9 | Art.: F369450 выпрямитель (W/ILLUS. 4,5,70 AND LITERATURE)Деталей в узле: 1 снято с производства 10 | Art.: F438493 BRACKET, TERMINAL BLOCK Деталей в узле: 1 снято с производства 11 | Art.: F289446-1 CLAMP, REMOTE ELEC. CABLE TO BRACKET Деталей в узле: 1 снято с производства 12 | Art.: FILL HD. SCREW, 1/4 - 20 X 1/2 Деталей в узле: 2 цена по запросу 13 | Art.: FA616497 TERMINAL BLOCK (W/ILLUS. 17 & 20)Деталей в узле: 1 снято с производства 14 | Art.: жгут проводов Деталей в узле: 1 цена по запросу 15 | Art.: F1280 SLOTTED PAN HD. SCREW, 8 - 32 X 1/4 Деталей в узле: 6 цена по запросу
16 | Art.: F5H078 SWITCH, IGNITION LONG BARREL W/KEYS AND SCREWS ((ACCESSORY ITEM))Деталей в узле: 1 17 | Art.: F307317 CLIP, TERMINAL BLOCK GROUND Деталей в узле: 2 снято с производства 18 | Art.: стопорная шайба Деталей в узле: 6 цена по запросу 19 | Art.: 8177821 KEY IGNITION - LETTER OR STAMPED A Деталей в узле: 20 | Art.: PAN HD. SCREW, 10 - 24 X 3/4 Деталей в узле: 2 цена по запросу 21 | Art.: F1934 FLAT HD. SCREW, 6 X 1/2 Деталей в узле: 4 снято с производства 22 | Art.: F5H038 IGNITION SWITCH MOUNTING KIT (ACCESSORY ITEM) Деталей в узле: 1 снято с производства 23 | Art.: реле стартера Деталей в узле: 1 24 | Art.: SPRING LOCKWASHER Деталей в узле: 2 цена по запросу 25 | Art.: HEX NUT, S.S., 5/16 - 18 Деталей в узле: 2 цена по запросу 26 | Art.: HEX NUT, 10 - 32 Деталей в узле: 6 цена по запросу 28 | Art.: F8090 PLAIN WASHER Деталей в узле: 3 снято с производства 29 | Art.: HEX NUT, S.S., 5/16 - 18 Деталей в узле: 3 цена по запросу 30 | Art.: FS663358 BRACKET (C.D. - COIL) Деталей в узле: 1 снято с производства 31 | Art.: F8124 EXTERNAL TOOTH LOCKWASHER Деталей в узле: 6 снято с производства 32 | Art.: MOUNT (SHOCK - C.D. UNIT) Деталей в узле: 3 снято с производства 33 | Art.: F407446 зажим Деталей в узле: 1 снято с производства 34 | аккумуляторный кабель Деталей в узле: 1 цена по запросу
36 | Art.: соленоид воздушной заслонки Деталей в узле: 1 цена по запросу 37 | Art.: F510374-1 DECAL, CIRCUIT BREAKER Деталей в узле: 1 снято с производства 38 | Art.: F510460 CIRCUIT BREAKER Деталей в узле: 1 снято с производства 39 | Art.: PLAIN WASHER Деталей в узле: 2 цена по запросу 40 | Art.: F1760 SLOTTED PAN HD. SCREW, 10 - 24 X 3/8 Деталей в узле: 2 снято с производства 41 | Art.: F91446-2 CIRCUIT BREAKER BRACKET Деталей в узле: 1 снято с производства 42 | Art.: F475504 резиновая втулка Деталей в узле: 4 снято с производства 43 | Art.: PLAIN WASHER Деталей в узле: 4 цена по запросу 44 | Art.: F2008 HEX HD. M. SC., 1/4 - 20 X 7/8 Деталей в узле: 4 снято с производства 45 | Art.: MODULE (BLUE) Деталей в узле: 2 цена по запросу 46 | Art.: IGNITION COIL (BLUE) Деталей в узле: 3 цена по запросу 47 | Art.: F2008 HEX HD. MACH. SCREW, 1/4 - 20 X 7/8 Деталей в узле: 6 снято с производства 48 | Art.: F5H041 BATTERY TERMINAL KIT (ACCESSORY ITEM) Деталей в узле: 1 снято с производства 49 | Art.: F1741 PAN HD. SCREW, 8 X 3/4 Деталей в узле: 2 цена по запросу
50 | Art.: F5H043 BUZZER, HEAT INDICATOR (ACCESSORY ITEM) Деталей в узле: 1 снято с производства 51 | Art.: F345683 WIRE, GROUND (RECTIFIER TO STARTER BOLT) Деталей в узле: 1 снято с производства 52 | Art.: CABLE, HEAT INDICATOR Деталей в узле: 1 цена по запросу
53 | Art.: NUT, 1/4 - 20 Деталей в узле: 6 цена по запросу 54 | Art.: SPARKIE KIT Деталей в узле: 3 55 | Art.: стопорная шайба Деталей в узле: 2 цена по запросу 56 | Art.: F319908 WIRE, GROUND (C.D. - COIL BRACKET) Деталей в узле: 1 снято с производства 57 | Art.: NUT, LOCK 1/4 - 20 Деталей в узле: 4 цена по запросу
58 | Art.: TRIGGER ASSY. Деталей в узле: 1 цена по запросу 59 | Art.: ALTERNATOR STATOR Деталей в узле: 1 цена по запросу 60 | Art.: F2200 SLOTTED PAN HD. SCREW #12 - 24 X 1 Деталей в узле: 4 снято с производства 61 | Art.: маховик Деталей в узле: 1 снято с производства 62 | Art.: F1968 HEX NUT, 3/4 - 16 Деталей в узле: 1 63 | Art.: SPRING LOCKWASHER Деталей в узле: 1 цена по запросу 66 | Art.: F438668 фиксатор Деталей в узле: 1 снято с производства 67 | Art.: наклейка - предупреждение (W/LITERATURE)Деталей в узле: 1 снято с производства 68 | Art.: HEX HD. SCREW, 1/4 - 20 X 3/4 Деталей в узле: 3 цена по запросу 70 | Art.: F1303 PAN HD. SCREW, 8 - 32 X 3/4 Деталей в узле: 1 цена по запросу
71 | Art.: F529398-1 DECAL, 3 CYL. WIRING Деталей в узле: 1 снято с производства 72 | Art.: F664497 TERMINAL BLOCK (12 POSITION) Деталей в узле: 1 снято с производства 74 | Art.: F428096 RETAINER, THERMOSWITCH Деталей в узле: 1 цена по запросу
75 | Art.: F664384 CLIP, TERMINAL BLOCK COVER Деталей в узле: 2 снято с производства 76 | Art.: F664672 COVER, TERMINAL BLOCK COVER Деталей в узле: 1 снято с производства 77 | Art.: шпилька Деталей в узле: 1 цена по запросу 78 | Art.: F664025 PAN, INSULATING Деталей в узле: 1 снято с производства - | TY-RAP (NOT SHOWN) Деталей в узле: 1 |
