FORCE 75/90
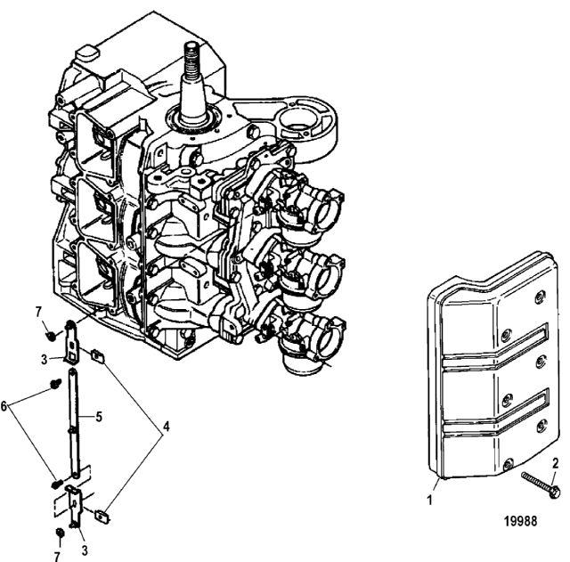
Intake Cover / Throttle Linkage
Intake Cover / Throttle Linkage
| № | Артикул | Наименование | Деталей в узле | Комментарий | Цена | |
| 1 | ATTENUATOR ASSEMBLY, Sound | 1 | снято с производства | |||
| 2 | SCREW, (.250-20 x 1.750) | 6 | 400 руб. | |||
| 3 | END ASSEMBLY, Carburetor Throttle Tie | 2 | снято с производства | |||
| 4 | гайка (#8-32) | 2 | 320 руб. | |||
| 5 | BAR ASSEMBLY, Throttle | 1 | снято с производства | |||
| 6 | винт (#8-32 x 0.375) | 2 | 130 руб. | |||
| 7 | E RING, Retaining | 3 | снято с производства | |||
| 1 | Art.: 819987 ATTENUATOR ASSEMBLY, Sound Деталей в узле: 1 снято с производства 2 | Art.: 10-19934175 SCREW, (.250-20 x 1.750) Деталей в узле: 6 3 | Art.: FA85193 END ASSEMBLY, Carburetor Throttle Tie Деталей в узле: 2 |
