MERC 500
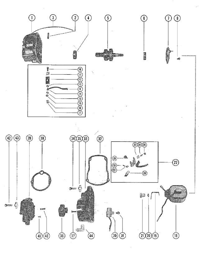
MAGNETO ASSEMBLY (INTERNAL PARTS)
MAGNETO ASSEMBLY (INTERNAL PARTS)
| № | Артикул | Наименование | Деталей в узле | Комментарий | Цена | |
| 1 | FRAME, MAGNETO HOUSING | 1,1 | снято с производства | |||
| 2 | SCREW, SET - COIL BRIDGE | 2,2 | снято с производства | |||
| 3 | LOCKWIRE, COIL BRIDGE SET SCREW | 1,1 | снято с производства | |||
| 4 | BEARING, BALL (DRIVE END) | 1,1 | снято с производства | |||
| 5 | MAGNETIC ROTOR AND SHAFT | 1,1 | снято с производства | |||
| 6 | BEARING, BALL (OPPOSITE DRIVE END) | 1,1 | снято с производства | |||
| 7 | держатель шарикового подшипника | 1,1 | снято с производства | |||
| 8 | SCREW AND LOCKWASHER, SUPPORT TO FRAME | 3,3 | снято с производства | |||
| 9 | WIRE ASSEMBLY, PRIMARY G ROUND LEAD | 1,1 | снято с производства | |||
| 10 | SCREW, PRIMARY GROUND (#10) | 1,1 | снято с производства | |||
| 11 | WASHER, PRIMARY GROUND TERMINAL HOLDING | 1,1 | снято с производства | |||
| 12 | INSULATOR, PRIMARY GROUND TERMINAL | 1,1 | снято с производства | |||
| 13 | WASHER, INSULATING - PRIMARY GROUND SCREW | 1,1 | снято с производства | |||
| 14 | BUSHING, INSULATING - HOUSING FRAME | 1,1 | снято с производства | |||
| 15 | WASHER, PRIMARY GROUND SCREW | 1,1 | снято с производства | |||
| 16 | NUT, LOCK - PRIMARY GROUND SCREW | 1,1 | снято с производства | |||
| 17 | NUT, PRIMARY GROUND SCREW | 1,1 | 60 руб. | |||
| 18 | катушка зажигания в сборе | 1,1 | снято с производства | |||
| 19 | CLIP, COIL - HIGH TENSION | 1,1 | снято с производства | |||
| 20 | LOCKWASHER, COIL TERMINAL | 1,1 | снято с производства | |||
| 21 | NUT, COIL CLIP FASTENING | 1,1 | снято с производства | |||
| 22 | BREAKER ASSEMBLY | 1,1 | снято с производства | |||
| 23 | GROMMET, PLASTIC - BREAKER BRACKET | 1,1 | снято с производства | |||
| 24 | STUD, PRIMARY LEAD AND TENSION SPRING | 1,1 | снято с производства | |||
| 25 | NUT, PRIMARY LEAD FASTENING | 1,1 | снято с производства | |||
| 26 | HOLDER AND CAM WICK ASSEMBLY | 1,1 | снято с производства | |||
| 27 | WASHER, BREAKER PIVOT PIN | 1,1 | снято с производства | |||
| 28 | COTTER PIN, BREAKER TO PIVOT PIN | 1,1 | 460 руб. | |||
| 29 | SCREW, BREAKER HOLDER TO HOUSING | 1,1 | 110 руб. | |||
| 30 | конденсатор | 1,1 | 1340 руб. | |||
| 31 | SCREW AND LOCKWASHER, CONDENSER FASTENING | 1,1 | снято с производства | |||
| 32 | GASKET, MAGNETO COVER | 1,1 | цена по запросу | |||
| 33 | COVER, MAGNETO | 1,1 | снято с производства | |||
| 34 | SCREW, COVER TO FRAME | 4,4 | цена по запросу | |||
| 35 | TAB WASHER, COVER FASTENING SCREW | 4,4 | снято с производства | |||
| 36 | MAGNETO ROTOR SASEMBLY | 1,1 | снято с производства | |||
| 37 | зажим пружины | 1,1 | цена по запросу | |||
| 38 | прокладка крышки торцевой крышки | 1,1 | 620 руб. | |||
| 39 | крышка торцевой крышки в сборе | 1,1 | снято с производства | |||
| 40 | контактная щетка и пружина в сборе | 1,1 | снято с производства | |||
| 41 | SCREW, HIGH TENSION CABLE FASTENING | 4,4 | снято с производства | |||
| 42 | SCREW, END CAP COVER TO MAGNETO COVER | 2,2 | цена по запросу | |||
| 43 | TAB WASHER, COVER FASTENING SCREW | 2,2 | снято с производства | |||
| 44 | ELBOW, PLASTIC - MAGNETO COVER VENT | 1,1 | 260 руб. | |||
| - | MAGNETO ASSEMBLY, COMPLETE (4D-4) | 1,1 | снято с производства | |||
| 1 | Art.: 394-1570 FRAME, MAGNETO HOUSING Деталей в узле: 1,1 снято с производства 2 | Art.: 10-25510 SCREW, SET - COIL BRIDGE Деталей в узле: 2,2 снято с производства 3 | Art.: 394-1051 LOCKWIRE, COIL BRIDGE SET SCREW Деталей в узле: 1,1 снято с производства 4 | Art.: 30-24998 BEARING, BALL (DRIVE END) Деталей в узле: 1,1 снято с производства 5 | Art.: 394-1067A1 MAGNETIC ROTOR AND SHAFT Деталей в узле: 1,1 снято с производства 6 | Art.: 30-49090 BEARING, BALL (OPPOSITE DRIVE END) Деталей в узле: 1,1 снято с производства 7 | Art.: 394-1637 держатель шарикового подшипника Деталей в узле: 1,1 снято с производства 8 | Art.: 10-25509 SCREW AND LOCKWASHER, SUPPORT TO FRAME Деталей в узле: 3,3 снято с производства 9 | Art.: 84-60466A13 WIRE ASSEMBLY, PRIMARY G ROUND LEAD Деталей в узле: 1,1 снято с производства 10 | Art.: 10-29182 SCREW, PRIMARY GROUND (#10) Деталей в узле: 1,1 снято с производства 11 | Art.: 12-30267 WASHER, PRIMARY GROUND TERMINAL HOLDING Деталей в узле: 1,1 снято с производства 12 | Art.: 394-1579 INSULATOR, PRIMARY GROUND TERMINAL Деталей в узле: 1,1 снято с производства 13 | Art.: 12-29099 WASHER, INSULATING - PRIMARY GROUND SCREW Деталей в узле: 1,1 снято с производства 14 | Art.: 23-62769 BUSHING, INSULATING - HOUSING FRAME Деталей в узле: 1,1 снято с производства 15 | Art.: 12-26014 WASHER, PRIMARY GROUND SCREW Деталей в узле: 1,1 снято с производства 16 | Art.: 11-24656 NUT, LOCK - PRIMARY GROUND SCREW Деталей в узле: 1,1 снято с производства 17 | Art.: 11-68219 NUT, PRIMARY GROUND SCREW Деталей в узле: 1,1 18 | Art.: 394-1128A1 катушка зажигания в сборе Деталей в узле: 1,1 снято с производства 19 | Art.: 394-1050 CLIP, COIL - HIGH TENSION Деталей в узле: 1,1 снято с производства 20 | Art.: 13-23836 LOCKWASHER, COIL TERMINAL Деталей в узле: 1,1 снято с производства 21 | Art.: 394-1131 NUT, COIL CLIP FASTENING Деталей в узле: 1,1 снято с производства 22 | Art.: BREAKER ASSEMBLY Деталей в узле: 1,1 снято с производства 23 | Art.: 393-1586 GROMMET, PLASTIC - BREAKER BRACKET Деталей в узле: 1,1 снято с производства 24 | Art.: 16-29230 STUD, PRIMARY LEAD AND TENSION SPRING Деталей в узле: 1,1 снято с производства 25 | Art.: 11-29236 NUT, PRIMARY LEAD FASTENING Деталей в узле: 1,1 снято с производства 26 | Art.: 394-1106A1 HOLDER AND CAM WICK ASSEMBLY Деталей в узле: 1,1 снято с производства 27 | Art.: 12-26439 WASHER, BREAKER PIVOT PIN Деталей в узле: 1,1 снято с производства 28 | Art.: 18-26953 COTTER PIN, BREAKER TO PIVOT PIN Деталей в узле: 1,1 29 | Art.: 10-20597 SCREW, BREAKER HOLDER TO HOUSING Деталей в узле: 1,1 30 | Art.: 394-1130A1 конденсатор Деталей в узле: 1,1 31 | Art.: 10-25509 SCREW AND LOCKWASHER, CONDENSER FASTENING Деталей в узле: 1,1 снято с производства 32 | Art.: 27-29166 GASKET, MAGNETO COVER Деталей в узле: 1,1 цена по запросу
33 | Art.: 394-1577A2 COVER, MAGNETO Деталей в узле: 1,1 снято с производства 34 | Art.: 10-29418 SCREW, COVER TO FRAME Деталей в узле: 4,4 цена по запросу
35 | Art.: 14-29157 TAB WASHER, COVER FASTENING SCREW Деталей в узле: 4,4 снято с производства 36 | Art.: 394-2602A1 MAGNETO ROTOR SASEMBLY Деталей в узле: 1,1 снято с производства 37 | Art.: 394-1110 зажим пружины Деталей в узле: 1,1 цена по запросу
38 | Art.: 27-25725 прокладка крышки торцевой крышки Деталей в узле: 1,1 39 | Art.: 394-1561A2 крышка торцевой крышки в сборе Деталей в узле: 1,1 снято с производства 40 | Art.: 394-1056A1 контактная щетка и пружина в сборе Деталей в узле: 1,1 снято с производства 41 | Art.: 10-25517 SCREW, HIGH TENSION CABLE FASTENING Деталей в узле: 4,4 снято с производства 42 | Art.: 10-29418 SCREW, END CAP COVER TO MAGNETO COVER Деталей в узле: 2,2 цена по запросу
43 | Art.: 14-29157 TAB WASHER, COVER FASTENING SCREW Деталей в узле: 2,2 снято с производства 44 | ELBOW, PLASTIC - MAGNETO COVER VENT Деталей в узле: 1,1 - | Art.: 394-2271A2 MAGNETO ASSEMBLY, COMPLETE (4D-4) Деталей в узле: 1,1 снято с производства | ||||||||||||||||||||||||||||||||||||||||||||||
