2/2.5/3.5 4-STROKE
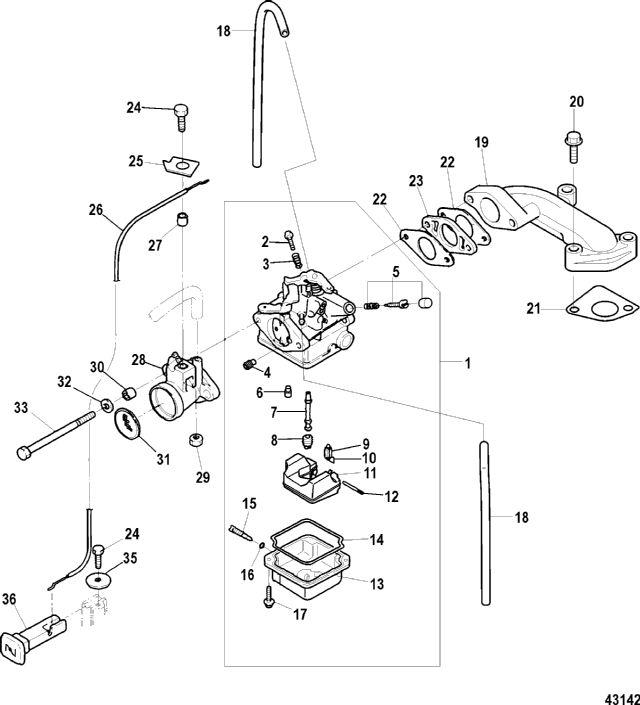
карбюратор (все модели, сер.№ с 0R318096 до 0R448032)
карбюратор (все модели, сер.№ с 0R318096 до 0R448032)
| № | Артикул | Наименование | Деталей в узле | Комментарий | Цена | |
| 1 | Карбюратор | 1 | 2 Horsepower | 47670 руб. | ||
| 1 | Карбюратор | 1 | 2.5 Horsepower | 18900 руб. | ||
| 1 | Карбюратор | 1 | 3.5 Horsepower | цена по запросу | ||
| 2 | винт ограничителя | 1 | 770 руб. | |||
| 3 | Пружина | 1 | 220 руб. | |||
| 4 | NSS | Не продается по отдельности | 1 | 2.5 Horsepower | ||
| 4 | JET, Slow Air (#115) | 1 | 2/3.5 Horsepower | 1360 руб. | ||
| 5 | SET SCREW, Pilot | 1 | 820 руб. | |||
| 6 | резиновая пробка | 1 | 640 руб. | |||
| 7 | главный распылитель | 1 | 3.5 Horsepower | 1690 руб. | ||
| 7 | главный распылитель | 1 | 2.5 Horsepower | 1960 руб. | ||
| 7 | главный распылитель | 1 | 2 Horsepower | 2050 руб. | ||
| 8 | главный жиклер (#58) | 1 | 2 Horsepower | 1530 руб. | ||
| 8 | главный жиклер (#65) | 1 | 2.5 Horsepower | 1300 руб. | ||
| 8 | главный жиклер (#68) | 1 | 3.5 Horsepower | 1070 руб. | ||
| 9 | поплавковый клапан латунный | 1 | 1660 руб. | |||
| 10 | зажим, нержавеющая сталь | 1 | 360 руб. | |||
| 11 | поплавок | 1 | 3570 руб. | |||
| 12 | стержень поплавка, нержавеющая сталь | 1 | 350 руб. | |||
| 13 | поплавковая камера | 1 | 5100 руб. | |||
| 14 | Резиновая прокладка | 1 | 680 руб. | |||
| 15 | винт сливной (M5 x 6) | 1 | 780 руб. | |||
| 16 | резиновое уплотнительное кольцо | 1 | 170 руб. | |||
| 17 | Винт (M4 x 12) | 2 | 210 руб. | |||
| 18 | резиновый шланг (230 мм) | 2 | снято с производства | |||
| 19 | Впускной коллектор | 1 | 22760 руб. | |||
| 20 | Комплект винтов | 2 | 330 руб. | |||
| 21 | Прокладка впускного коллектора | 1 | 500 руб. | |||
| 22 | Прокладка | 2 | 270 руб. | |||
| 23 | прокладка изолятора | 1 | 320 руб. | |||
| 24 | Болт (M6 x 16) | 1 | 200 руб. | |||
| 25 | кронштейн | 1 | 270 руб. | |||
| 26 | кабель приводной штанги воздушной заслонки | 1 | 520 руб. | |||
| 27 | манжет | 1 | цена по запросу | |||
| 28 | воздушный глушитель | 1 | 540 руб. | |||
| 29 | гайка | 1 | цена по запросу | |||
| 30 | манжет | 2 | 230 руб. | |||
| 31 | Пламегаситель | 1 | 390 руб. | |||
| 32 | шайба | 2 | цена по запросу | |||
| 33 | винт | 2 | 480 руб. | |||
| 34 | болт | 1 | 120 руб. | |||
| 35 | шайба | 1 | 200 руб. | |||
| 36 | тяга воздушной заслонки | 1 | цена по запросу | |||
| - | набор прокладок силового агрегата | 1 | 7970 руб. | |||
| - | Ремкомплект карбюратора | 1 | 8110 руб. | |||
| 1 | Art.: 3303-853720T23 Карбюратор (2 Horsepower)Деталей в узле: 1 1 | Art.: 3303-853720T24 Карбюратор (2.5 Horsepower)Деталей в узле: 1 1 | Art.: Карбюратор (3.5 Horsepower)Деталей в узле: 1 цена по запросу
2 | Art.: 10-898101407 винт ограничителя Деталей в узле: 1 3 | Art.: 24-803554 Пружина Деталей в узле: 1 4 | Art.: -NSS Не продается по отдельности (2.5 Horsepower)Деталей в узле: 1 4 | Art.: 898103244 JET, Slow Air (#115) (2/3.5 Horsepower)Деталей в узле: 1 5 | Art.: 10-898101289 SET SCREW, Pilot Деталей в узле: 1 6 | Art.: 19-8M0060417 резиновая пробка Деталей в узле: 1 7 | Art.: 8126506 главный распылитель (3.5 Horsepower)Деталей в узле: 1 7 | Art.: 898103239 главный распылитель (2.5 Horsepower)Деталей в узле: 1 7 | Art.: 898103238 главный распылитель (2 Horsepower)Деталей в узле: 1 8 | Art.: 16250012 главный жиклер (#58) (2 Horsepower)Деталей в узле: 1 8 | Art.: 162508 главный жиклер (#65) (2.5 Horsepower)Деталей в узле: 1 8 | Art.: 16250011 главный жиклер (#68) (3.5 Horsepower)Деталей в узле: 1 9 | Art.: 162543 поплавковый клапан латунный Деталей в узле: 1 10 | Art.: 54-803525 зажим, нержавеющая сталь Деталей в узле: 1 11 | Art.: 898103245 поплавок Деталей в узле: 1 12 | Art.: 17-162562 стержень поплавка, нержавеющая сталь Деталей в узле: 1 13 | Art.: 898103240 поплавковая камера Деталей в узле: 1 14 | Art.: 27-8035084 Резиновая прокладка Деталей в узле: 1 15 | Art.: 10-8035093 винт сливной (M5 x 6) Деталей в узле: 1 16 | Art.: 25-8035131 резиновое уплотнительное кольцо Деталей в узле: 1 17 | Art.: 10-16260 Винт (M4 x 12) Деталей в узле: 2 18 | Art.: 32-898101365 резиновый шланг (230 мм) Деталей в узле: 2 снято с производства 19 | Art.: 879147T98 Впускной коллектор Деталей в узле: 1 20 | Art.: 10-16830A1 Комплект винтов Деталей в узле: 2 21 | Art.: 27-898101291 Прокладка впускного коллектора Деталей в узле: 1 22 | Art.: 27-803508013 Прокладка Деталей в узле: 2 23 | Art.: 27-80350810 прокладка изолятора Деталей в узле: 1 24 | Art.: 10-16832 Болт (M6 x 16) Деталей в узле: 1 25 | Art.: 803528 кронштейн Деталей в узле: 1 26 | Art.: 898101293 кабель приводной штанги воздушной заслонки Деталей в узле: 1 27 | Art.: манжет Деталей в узле: 1 цена по запросу
28 | Art.: 803526T воздушный глушитель Деталей в узле: 1 29 | Art.: 11-879194336 гайка Деталей в узле: 1 цена по запросу
30 | Art.: 23-952868 манжет Деталей в узле: 2 31 | Art.: 803527 Пламегаситель Деталей в узле: 1 32 | Art.: 12-879194338 шайба Деталей в узле: 2 цена по запросу
33 | Art.: винт Деталей в узле: 2 34 | Art.: 10-879194248 болт Деталей в узле: 1 35 | Art.: 12-161404 шайба Деталей в узле: 1 36 | Art.: 804646 тяга воздушной заслонки Деталей в узле: 1 цена по запросу
- | Art.: 27-898103A67 набор прокладок силового агрегата Деталей в узле: 1 - | Art.: Ремкомплект карбюратора Деталей в узле: 1 | ||||||||||||||||||||||||||||||||||||||||||||||
