135/150/175 DFI - 2.5L
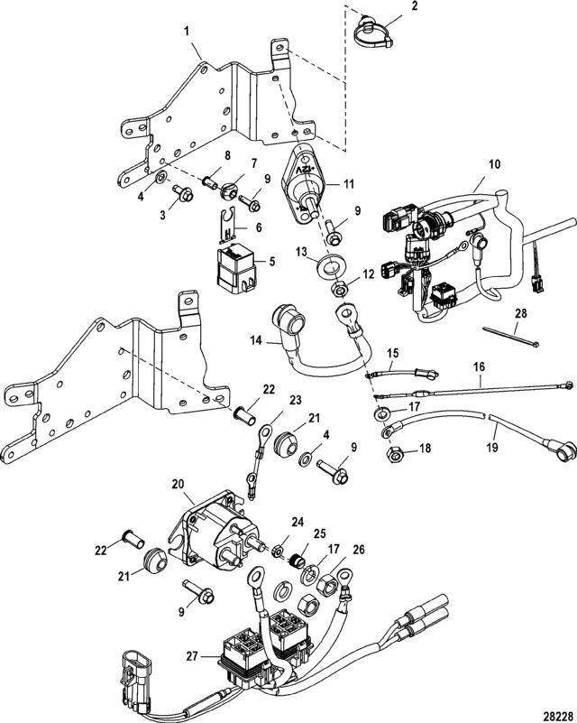
Electrical Plate Assembly, Serial Number 1B490866 and Up
Electrical Plate Assembly, Serial Number 1B490866 and Up
| № | Артикул | Наименование | Деталей в узле | Комментарий | Цена | |
| 1 | Пластина | 1 | 2850 руб. | |||
| 2 | зажим ленточного хомута | 2 | 340 руб. | |||
| 3 | Винт (M6 x 14) | 1 | 210 руб. | |||
| 4 | шайба (0.281 x 0.500 x 0.060) нержавеющая сталь | 2 | цена по запросу | |||
| 5 | реле в сборе | 3 | цена по запросу | |||
| 6 | кронштейн | 3 | цена по запросу | |||
| 7 | резиновая втулка | 3 | 350 руб. | |||
| 8 | вкладыш | 3 | цена по запросу | |||
| 9 | винт (M6 x 25 мм) | 7 | 340 руб. | |||
| 10 | жгут проводов двигателя | 1 | 190510 руб. | |||
| 11 | HOT STUD ASSEMBLY | 1 | 3910 руб. | |||
| 12 | Гайка (М8), нержавеющая сталь | 1 | 240 руб. | |||
| 13 | шайба | 1 | 390 руб. | |||
| 14 | Кабель в сборе, черный | 1 | 3500 руб. | |||
| 15 | Кабель стартера в сборе | 1 | 9450 руб. | |||
| 16 | жгут проводов для плавкого предохранителя 100 ампер | 1 | 13950 руб. | |||
| 17 | Стопорная шайба (0.312) | 3 | 200 руб. | |||
| 18 | Гайка (М8), нержавеющая сталь | 1 | 240 руб. | |||
| 19 | аккумуляторный кабель в сборе (+) | 1 | 8960 руб. | |||
| 20 | SOLENOID ASSEMBLY, (#10-32 / .3125-18 Terminals) | 1 | 8560 руб. | |||
| 21 | резиновая втулка | 2 | 440 руб. | |||
| 22 | вкладыш | 2 | цена по запросу | |||
| 23 | кабель в сборе, черный (4") | 1 | 840 руб. | |||
| 24 | шайба (#10-32) латунь | 2 | 180 руб. | |||
| 25 | колпачок гайки (#10-32) | 2 | 390 руб. | |||
| 26 | гайка (0.312-18) | 2 | цена по запросу | |||
| 27 | жгут проводов трима | 1 | 13480 руб. | |||
| 28 | ленточный хомут (8") | 3 | 30 руб. | |||
| - | плавкий предохранитель, 20 ампер (желтый) | 2 | 930 руб. | |||
| - | плавкий предохранитель, 15 ампер (синий) | 1 | 450 руб. | |||
| - | плавкий предохранитель, 2 ампера (серый) | 1 | цена по запросу | |||
| - | плавкий предохранитель малый (5А) | 1 | 270 руб. | |||
| - | HARNESS ASSEMBLY, Direct Injector | 1 | 3880 руб. | |||
| - | NSS | не продается по отдельности, электронная плата в сборе | 1 | |||
| - | жгут проводов топливной форсунки | 1 | 4020 руб. | |||
| - | HARNESS ASSEMBLY, Alternator | 1 | 6350 руб. | |||
| - | HARNESS ASSEMBLY, Throttle Position Sensor | 1 | 2380 руб. | |||
| 1 | Art.: 899071T01 Пластина Деталей в узле: 1 2 | Art.: 54-899145 зажим ленточного хомута Деталей в узле: 2 3 | Art.: 10-82129114 Винт (M6 x 14) Деталей в узле: 1 4 | Art.: 12-29245 шайба (0.281 x 0.500 x 0.060) нержавеющая сталь Деталей в узле: 2 цена по запросу
5 | Art.: 882751A1 реле в сборе Деталей в узле: 3 цена по запросу
6 | Art.: 828102 кронштейн Деталей в узле: 3 цена по запросу
7 | Art.: 25-818967 резиновая втулка Деталей в узле: 3 8 | Art.: 23-818968 вкладыш Деталей в узле: 3 цена по запросу
9 | Art.: 10-82129125 винт (M6 x 25 мм) Деталей в узле: 7 10 | Art.: 84-892926T03 жгут проводов двигателя Деталей в узле: 1 11 | Art.: 85-875302A1 HOT STUD ASSEMBLY Деталей в узле: 1 12 | Art.: 11-400213 Гайка (М8), нержавеющая сталь Деталей в узле: 1 13 | Art.: 12-85172 шайба Деталей в узле: 1 14 | Art.: 84-93388T21 Кабель в сборе, черный Деталей в узле: 1 15 | Art.: 84-8M0006811 Кабель стартера в сборе Деталей в узле: 1 16 | Art.: 84-878231A03 жгут проводов для плавкого предохранителя 100 ампер Деталей в узле: 1 17 | Art.: 13-53166 Стопорная шайба (0.312) Деталей в узле: 3 18 | Art.: 11-400213 Гайка (М8), нержавеющая сталь Деталей в узле: 1 19 | Art.: 84-88439A46 аккумуляторный кабель в сборе (+) Деталей в узле: 1 20 | Art.: 89-817109A2 SOLENOID ASSEMBLY, (#10-32 / .3125-18 Terminals) Деталей в узле: 1 21 | Art.: 25-822179 резиновая втулка Деталей в узле: 2 22 | Art.: 23-818968 вкладыш Деталей в узле: 2 цена по запросу
23 | Art.: 84-88807A16 кабель в сборе, черный (4") Деталей в узле: 1 24 | Art.: 11-45076 шайба (#10-32) латунь Деталей в узле: 2 25 | Art.: 11-813938 колпачок гайки (#10-32) Деталей в узле: 2 26 | Art.: 11-68292 гайка (0.312-18) Деталей в узле: 2 цена по запросу
27 | Art.: 84-819514T26 жгут проводов трима Деталей в узле: 1 28 | Art.: 54-816311T ленточный хомут (8") Деталей в узле: 3 - | Art.: плавкий предохранитель, 20 ампер (желтый) Деталей в узле: 2 - | Art.: плавкий предохранитель, 15 ампер (синий) Деталей в узле: 1 - | Art.: 88-8329692 плавкий предохранитель, 2 ампера (серый) Деталей в узле: 1 цена по запросу
- | Art.: плавкий предохранитель малый (5А) Деталей в узле: 1 - | Art.: HARNESS ASSEMBLY, Direct Injector Деталей в узле: 1 - | Art.: -NSS не продается по отдельности, электронная плата в сборе Деталей в узле: 1 - | Art.: жгут проводов топливной форсунки Деталей в узле: 1 - | Art.: 84-881262A2 HARNESS ASSEMBLY, Alternator Деталей в узле: 1 - | Art.: HARNESS ASSEMBLY, Throttle Position Sensor Деталей в узле: 1 | ||||||||||||||||||||||||||||||||||||||
