200/225/250 (3.0L) SEAPRO/MARATHON EFI
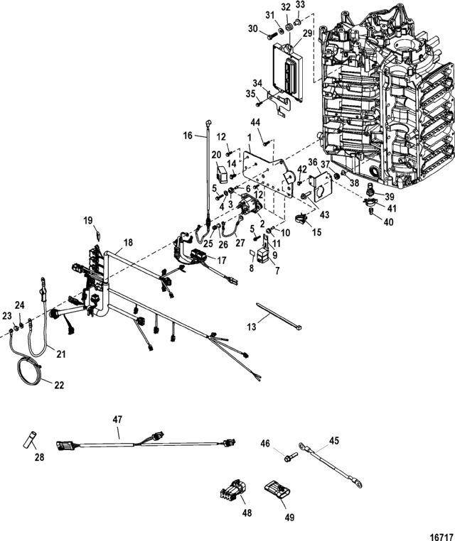
Solenoid Plate(Serial Number 1B227000 and Up)
Solenoid Plate(Serial Number 1B227000 and Up)
| № | Артикул | Наименование | Деталей в узле | Комментарий | Цена | |
| 1 | Пластина | 1 | 6470 руб. | |||
| 2 | SOLENOID ASSEMBLY, (#10-32 / .3125-18 Terminals) | 1 | 8560 руб. | |||
| 3 | резиновая втулка | 2 | 440 руб. | |||
| 4 | шайба (0.281 x 0.500 x 0.060) нержавеющая сталь | 1 | цена по запросу | |||
| 5 | винт (M6 x 25 мм) | 5 | 340 руб. | |||
| 6 | вкладыш | 2 | цена по запросу | |||
| 7 | реле в сборе | 3 | цена по запросу | |||
| 8 | NSS | не продается по отдельности, наклейка - реле трима | 3 | |||
| 9 | кронштейн | 3 | цена по запросу | |||
| 10 | вкладыш | 3 | цена по запросу | |||
| 11 | резиновая втулка | 3 | 350 руб. | |||
| 12 | винт (M6 x 10) | 2 | 240 руб. | |||
| 13 | ленточный хомут (8") | AR | 30 руб. | |||
| 14 | зажим | 1 | 590 руб. | |||
| 15 | зажим (1.00) | 1 | 260 руб. | |||
| 16 | жгут проводов для плавкого предохранителя 100 ампер | 1 | 13360 руб. | |||
| 17 | жгут проводов трима | 1 | 15890 руб. | |||
| 18 | жгут проводов двигателя | 1 | 129200 руб. | |||
| 19 | плавкий предохранитель, 20 ампер (желтый) | 4 | (20 AMP) | 930 руб. | ||
| 19 | плавкий предохранитель малый (5А) | 1 | (5 AMP) | 270 руб. | ||
| 20 | крышка предохранителей | 1 | 1160 руб. | |||
| 21 | Кабель стартера в сборе | 1 | 8900 руб. | |||
| 22 | аккумуляторный кабель в сборе (+) | 1 | 8960 руб. | |||
| 23 | гайка (0.312-18) | 2 | цена по запросу | |||
| 24 | Стопорная шайба (0.312) | 2 | 200 руб. | |||
| 25 | колпачок гайки (#10-32) | 2 | 390 руб. | |||
| 26 | шайба (#10-32) латунь | 2 | 180 руб. | |||
| 27 | кабель в сборе, черный (4") | 1 | 840 руб. | |||
| 28 | крышка "мама" | AR | 410 руб. | |||
| 28 | пробка "папа" | 1 | 390 руб. | |||
| 29 | импульсный управляющий модуль | 1 | (200) | 628300 руб. | ||
| 29 | импульсный управляющий модуль | 1 | (225) | 605110 руб. | ||
| 29 | импульсный управляющий модуль | 1 | (250) | 586920 руб. | ||
| 29 | импульсный управляющий модуль | 1 | (3.0L Work) | 532280 руб. | ||
| 30 | Винт (M6 x 25) | 3 | 360 руб. | |||
| 31 | Шайба (0.265 x 0.750 x 0.048), нержавеющая сталь | 3 | 230 руб. | |||
| 32 | резиновая втулка | 3 | 300 руб. | |||
| 33 | вкладыш | 3 | 570 руб. | |||
| 34 | зажим | 1 | 660 руб. | |||
| 35 | Винт (M6 x 14) | 1 | 210 руб. | |||
| 36 | кронштейн | 1 | 5340 руб. | |||
| 37 | резиновая втулка | 2 | 300 руб. | |||
| 38 | вкладыш | 2 | 340 руб. | |||
| 39 | датчик давления (0 - 100 PSI) | 1 | 29430 руб. | |||
| 40 | фиттинг | 1 | цена по запросу | |||
| 41 | зажим (0.865) | 1 | 240 руб. | |||
| 42 | зажим | 2 | 130 руб. | |||
| 43 | Винт (M6 x 25) | 2 | 360 руб. | |||
| 44 | винт (M6 x 12) | 3 | 250 руб. | |||
| 45 | аккумуляторный кабель в сборе (-) | 1 | 7970 руб. | |||
| 46 | Винт (М8 х 20) | 1 | 610 руб. | |||
| 47 | HARNESS ASSEMBLY (200/3.0L Work) | 1 | 12190 руб. | |||
| 48 | CONNECTOR ASSEMBLY, Weather Cap 6 Pin | 1 | 1040 руб. | |||
| 49 | CONNECTOR ASSEMBLY, Weather Cap - Male | 1 | 700 руб. | |||
| - | жгут проводов генератора | 1 | 6350 руб. | |||
| - | HARNESS ASSEMBLY, Encoder, Crank Position Sensor | 1 | 3840 руб. | |||
| - | HARNESS ASSEMBLY (TPS) | 1 | 2380 руб. | |||
| - | NSS | не продается по отдельности, электронная плата в сборе | 1 | |||
| 1 | Art.: 858366T2 Пластина Деталей в узле: 1 2 | Art.: 89-817109A2 SOLENOID ASSEMBLY, (#10-32 / .3125-18 Terminals) Деталей в узле: 1 3 | Art.: 25-822179 резиновая втулка Деталей в узле: 2 4 | Art.: 12-29245 шайба (0.281 x 0.500 x 0.060) нержавеющая сталь Деталей в узле: 1 цена по запросу
5 | Art.: 10-82129125 винт (M6 x 25 мм) Деталей в узле: 5 6 | Art.: 23-818968 вкладыш Деталей в узле: 2 цена по запросу
7 | Art.: 882751A1 реле в сборе Деталей в узле: 3 цена по запросу
8 | Art.: -NSS не продается по отдельности, наклейка - реле трима Деталей в узле: 3 9 | Art.: 828102 кронштейн Деталей в узле: 3 цена по запросу
10 | Art.: 23-818968 вкладыш Деталей в узле: 3 цена по запросу
11 | Art.: 25-818967 резиновая втулка Деталей в узле: 3 12 | Art.: 10-82129110 винт (M6 x 10) Деталей в узле: 2 13 | Art.: 54-816311T ленточный хомут (8") Деталей в узле: AR 14 | Art.: зажим Деталей в узле: 1 15 | Art.: 54-858755 зажим (1.00) Деталей в узле: 1 16 | Art.: 84-878231A6 жгут проводов для плавкого предохранителя 100 ампер Деталей в узле: 1 17 | Art.: 84-819514T21 жгут проводов трима Деталей в узле: 1 18 | Art.: 84-892973T01 жгут проводов двигателя Деталей в узле: 1 19 | Art.: плавкий предохранитель, 20 ампер (желтый) ((20 AMP))Деталей в узле: 4 19 | Art.: плавкий предохранитель малый (5А) ((5 AMP))Деталей в узле: 1 20 | Art.: 858754 крышка предохранителей Деталей в узле: 1 21 | Art.: 84-882829A1 Кабель стартера в сборе Деталей в узле: 1 22 | Art.: 84-88439A46 аккумуляторный кабель в сборе (+) Деталей в узле: 1 23 | Art.: 11-68292 гайка (0.312-18) Деталей в узле: 2 цена по запросу
24 | Art.: 13-53166 Стопорная шайба (0.312) Деталей в узле: 2 25 | Art.: 11-813938 колпачок гайки (#10-32) Деталей в узле: 2 26 | Art.: 11-45076 шайба (#10-32) латунь Деталей в узле: 2 27 | Art.: 84-88807A16 кабель в сборе, черный (4") Деталей в узле: 1 28 | Art.: 13540 крышка "мама" Деталей в узле: AR 28 | Art.: 13541 пробка "папа" Деталей в узле: 1 29 | импульсный управляющий модуль ((200))Деталей в узле: 1 29 | импульсный управляющий модуль ((225))Деталей в узле: 1 29 | импульсный управляющий модуль ((250))Деталей в узле: 1 29 | Art.: импульсный управляющий модуль ((3.0L Work))Деталей в узле: 1 30 | Art.: 10-82130025 Винт (M6 x 25) Деталей в узле: 3 31 | Art.: 12-65567 Шайба (0.265 x 0.750 x 0.048), нержавеющая сталь Деталей в узле: 3 32 | Art.: 25-834985 резиновая втулка Деталей в узле: 3 33 | Art.: 23-856954 вкладыш Деталей в узле: 3 34 | Art.: 54-891520001 зажим Деталей в узле: 1 35 | Art.: 10-82129114 Винт (M6 x 14) Деталей в узле: 1 36 | Art.: 892295F01 кронштейн Деталей в узле: 1 37 | Art.: 25-834985 резиновая втулка Деталей в узле: 2 38 | Art.: 23-822003 вкладыш Деталей в узле: 2 39 | Art.: датчик давления (0 - 100 PSI) Деталей в узле: 1 40 | Art.: 22-892403 фиттинг Деталей в узле: 1 цена по запросу
41 | Art.: 54-883066 зажим (0.865) Деталей в узле: 1 42 | Art.: 54-879962 зажим Деталей в узле: 2 43 | Art.: 10-82130025 Винт (M6 x 25) Деталей в узле: 2 44 | Art.: 10-82130012 винт (M6 x 12) Деталей в узле: 3 45 | Art.: 84-88439A26 аккумуляторный кабель в сборе (-) Деталей в узле: 1 46 | Art.: 10-81893420 Винт (М8 х 20) Деталей в узле: 1 47 | Art.: 84-882815A1 HARNESS ASSEMBLY (200/3.0L Work) Деталей в узле: 1 48 | Art.: 877613A02 CONNECTOR ASSEMBLY, Weather Cap 6 Pin Деталей в узле: 1 49 | Art.: 830796A04 CONNECTOR ASSEMBLY, Weather Cap - Male Деталей в узле: 1 - | Art.: 84-881262A2 жгут проводов генератора Деталей в узле: 1 - | Art.: 84-879964A2 HARNESS ASSEMBLY, Encoder, Crank Position Sensor Деталей в узле: 1 - | Art.: HARNESS ASSEMBLY (TPS) Деталей в узле: 1 - | Art.: -NSS не продается по отдельности, электронная плата в сборе Деталей в узле: 1 | |||||||||||||||||||||||||||||||||||||||||||||||||||||||||||
