6 AND 8 H.P.
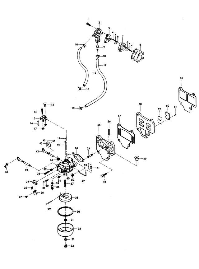
Топливная система
Топливная система
| № | Артикул | Наименование | Деталей в узле | Комментарий | Цена | |
| 1 | FILL HD SCREW, 10 - 24 X 1 1/16 | 3 | снято с производства | |||
| 2 | FUEL PUMP COVER | 1 | цена по запросу | |||
| 3 | Прокладка крышки топливного насоса | 1 | 320 руб. | |||
| 4 | PAN HD SCREW, 4 - 40 X 3/16 | 2 | снято с производства | |||
| 5 | PLAIN WASHER | 2 | цена по запросу | |||
| 6 | REED, FUEL PUMP | 2 | цена по запросу | |||
| 7 | FUEL PUMP REED PLATE W/REEDS AND SCREWS | 1 | цена по запросу | |||
| 8 | FUEL PUMP DIAPHRAGM W/GASKETS | 1 | 1500 руб. | |||
| 9 | FUEL PUMP FILTER | 1 | 1540 руб. | |||
| 10 | HOSE CLAMP | 4 | снято с производства | |||
| 11 | FUEL LINE W/CLAMPS | 1 | цена по запросу | |||
| 12 | FUEL LINE W/CLAMPS | 1 | цена по запросу | |||
| 13 | HEX HD SCREW, 10 - 24 X 1/2 | 1 | снято с производства | |||
| 14 | FILL HD SCREW, 10 - 24 X 7/8 | 1 | снято с производства | |||
| 15 | ARM, CARBURETOR ADJUSTING | 1 | снято с производства | |||
| 16 | приводная штанга дросселя | 1 | снято с производства | |||
| 17 | SQUARE NUT, 10 - 24 | 2 | снято с производства | |||
| 18 | BODY CHANNEL WELCH PLUG | 1 | цена по запросу | |||
| 19 | BODY CHANNEL CUP PLUG | 1 | 840 руб. | |||
| 20 | BYPASS TUBE | 1 | снято с производства | |||
| 20 | BYPASS TUBE | 1 | снято с производства | |||
| 21 | CHOKE FRICTION BALL | 1 | снято с производства | |||
| 22 | CHOKE FRICTION SPRING | 1 | снято с производства | |||
| 23 | вал воздушной заслонки и рычаг | 1 | снято с производства | |||
| 24 | CHOKE RELIEF VALVE | 1 | снято с производства | |||
| 25 | CHOKE RELIEF VALVE SPRING | 1 | снято с производства | |||
| 26 | воздушная заслонка | 1 | снято с производства | |||
| 27 | CHOKE SHUTTER RETAINING SCREW AND LOCKWASHER | 1 | 300 руб. | |||
| 28 | поплавок | 1 | 4400 руб. | |||
| 29 | FLOAT LEVER PIN | 1 | 640 руб. | |||
| 30 | FUEL BOWL GASKET | 1 | 340 руб. | |||
| 31 | FUEL BOWL RETAINING SCREW GASKET | 2 | 250 руб. | |||
| 32 | камера топливной смеси | 1 | 4800 руб. | |||
| 33 | FUEL BOWL RETAINING SCREW | 1 | цена по запросу | |||
| 34 | MAIN FUEL JET (.045) | 1 | цена по запросу | |||
| 34 | MAIN FUEL JET (.033) | 1 | снято с производства | |||
| 35 | INLET SEAT GASKET | 1 | снято с производства | |||
| 36 | впускная игла, седло и прокладка | 1 | снято с производства | |||
| 37 | главный распылитель | 1 | снято с производства | |||
| 38 | винт регулировки качества смеси на холостом ходу | 1 | 2290 руб. | |||
| 39 | IDLE MIXTURE SCREW SPRING | 1 | цена по запросу | |||
| 40 | CARBURETOR COMPLETE (CO6C) | 1 | снято с производства | |||
| 40 | CARBURETOR COMPLETE (CO4D) | 1 | снято с производства | |||
| 41 | THROTTLE SHUTTER RETAINING SCREW AND LOCKWASHER | 1 | 300 руб. | |||
| 42 | заслонка дросселя | 1 | снято с производства | |||
| 42 | заслонка дросселя | 1 | снято с производства | |||
| 43 | THROTTLE SHAFT AND LEVER | 1 | снято с производства | |||
| 44 | THROTTLE SHAFT RETURN SPRING | 1 | снято с производства | |||
| 45 | RETAINER, CHOKE ROD | 1 | снято с производства | |||
| 47 | THROTTLE CAM FOLLOWER | 1 | снято с производства | |||
| 48 | HEX HD SCREW, 1/4 - 20 X 3/4 | 4 | снято с производства | |||
| 49 | PULLEY, STARTER ROPE | 1 | снято с производства | |||
| 50 | HEX NUT, 1/4 - 20 | 2 | цена по запросу | |||
| 51 | ROLLER, THROTTLE CAM FOLLOWER | 1 | ||||
| 52 | фиксатор | 1 | снято с производства | |||
| 53 | CARBURETOR GASKET | 1 | 470 руб. | |||
| 54 | Шпилька карбюратора | 2 | снято с производства | |||
| 55 | MANIFOLD W/STUDS, PULLEY AND SPRING PIN | 1 | ||||
| 56 | SPRING PIN | 1 | снято с производства | |||
| 57 | прокладка коллектора | 1 | снято с производства | |||
| 58 | REED PLATE W/REEDS, STOPS AND SCREWS | 1 | снято с производства | |||
| 59 | REED | 2 | цена по запросу | |||
| 60 | REED STOP | 2 | снято с производства | |||
| 61 | ROUND HD SCREW W/LOCKWASHER, 6 - 32 X 1/4 | 4 | цена по запросу | |||
| 62 | GASKET, REED PLATE | 1 | снято с производства | |||
| - | GASKET SET (NOT SHOWN) | 1 | снято с производства | |||
| - | REPAIR PARTS KIT (NOT SHOWN) | 1 | ASTERISK (*) INDICATES CONTENTS OF REPAIR PARTS KIT. | снято с производства | ||
| 1 | Art.: F1069 FILL HD SCREW, 10 - 24 X 1 1/16 Деталей в узле: 3 снято с производства 2 | FUEL PUMP COVER Деталей в узле: 1 цена по запросу 3 | Art.: F24748-2 Прокладка крышки топливного насоса Деталей в узле: 1 4 | Art.: F1286 PAN HD SCREW, 4 - 40 X 3/16 Деталей в узле: 2 снято с производства 5 | Art.: PLAIN WASHER Деталей в узле: 2 цена по запросу 6 | Art.: REED, FUEL PUMP Деталей в узле: 2 цена по запросу 7 | Art.: FUEL PUMP REED PLATE W/REEDS AND SCREWS Деталей в узле: 1 цена по запросу
8 | Art.: 27-818043A1 FUEL PUMP DIAPHRAGM W/GASKETS Деталей в узле: 1 9 | Art.: F901811 FUEL PUMP FILTER Деталей в узле: 1 10 | Art.: HOSE CLAMP Деталей в узле: 4 снято с производства 11 | Art.: FUEL LINE W/CLAMPS Деталей в узле: 1 цена по запросу 12 | Art.: FUEL LINE W/CLAMPS Деталей в узле: 1 цена по запросу 13 | Art.: F1912 HEX HD SCREW, 10 - 24 X 1/2 Деталей в узле: 1 снято с производства 14 | Art.: F1834 FILL HD SCREW, 10 - 24 X 7/8 Деталей в узле: 1 снято с производства 15 | Art.: 817754A1 ARM, CARBURETOR ADJUSTING Деталей в узле: 1 снято с производства 16 | Art.: F66193 приводная штанга дросселя Деталей в узле: 1 снято с производства 17 | Art.: F1365 SQUARE NUT, 10 - 24 Деталей в узле: 2 снято с производства 18 | Art.: BODY CHANNEL WELCH PLUG Деталей в узле: 1 цена по запросу 19 | Art.: FO10588 BODY CHANNEL CUP PLUG Деталей в узле: 1 20 | Art.: FO16120 BYPASS TUBE Деталей в узле: 1 снято с производства 20 | Art.: FO15723 BYPASS TUBE Деталей в узле: 1 снято с производства 21 | Art.: FO4784 CHOKE FRICTION BALL Деталей в узле: 1 снято с производства 22 | Art.: FO8805 CHOKE FRICTION SPRING Деталей в узле: 1 снято с производства 23 | Art.: FO17362 вал воздушной заслонки и рычаг Деталей в узле: 1 снято с производства 24 | Art.: FO15368 CHOKE RELIEF VALVE Деталей в узле: 1 снято с производства 25 | Art.: FO15783 CHOKE RELIEF VALVE SPRING Деталей в узле: 1 снято с производства 26 | Art.: FO15367 воздушная заслонка Деталей в узле: 1 снято с производства 27 | Art.: CHOKE SHUTTER RETAINING SCREW AND LOCKWASHER Деталей в узле: 1 28 | Art.: поплавок Деталей в узле: 1 29 | Art.: FO13944 FLOAT LEVER PIN Деталей в узле: 1 30 | Art.: FO15623 FUEL BOWL GASKET Деталей в узле: 1 31 | Art.: FO2510 FUEL BOWL RETAINING SCREW GASKET Деталей в узле: 2 32 | Art.: FO15366 камера топливной смеси Деталей в узле: 1 33 | Art.: FUEL BOWL RETAINING SCREW Деталей в узле: 1 цена по запросу 34 | Art.: MAIN FUEL JET (.045) Деталей в узле: 1 цена по запросу
34 | Art.: FO13630 MAIN FUEL JET (.033) Деталей в узле: 1 снято с производства 35 | Art.: FO10165 INLET SEAT GASKET Деталей в узле: 1 снято с производства 36 | Art.: FO10790 впускная игла, седло и прокладка Деталей в узле: 1 снято с производства 37 | Art.: FO15722 главный распылитель Деталей в узле: 1 снято с производства 38 | Art.: FO15520 винт регулировки качества смеси на холостом ходу Деталей в узле: 1 39 | Art.: IDLE MIXTURE SCREW SPRING Деталей в узле: 1 цена по запросу 40 | Art.: F429061-2 CARBURETOR COMPLETE (CO6C) Деталей в узле: 1 снято с производства 40 | Art.: F388061-3 CARBURETOR COMPLETE (CO4D) Деталей в узле: 1 снято с производства 41 | THROTTLE SHUTTER RETAINING SCREW AND LOCKWASHER Деталей в узле: 1 42 | Art.: FO8502 заслонка дросселя Деталей в узле: 1 снято с производства 42 | Art.: FO15753 заслонка дросселя Деталей в узле: 1 снято с производства 43 | Art.: FO15718 THROTTLE SHAFT AND LEVER Деталей в узле: 1 снято с производства 44 | Art.: FO15526 THROTTLE SHAFT RETURN SPRING Деталей в узле: 1 снято с производства 45 | Art.: RETAINER, CHOKE ROD Деталей в узле: 1 снято с производства 47 | Art.: 817773A1 THROTTLE CAM FOLLOWER Деталей в узле: 1 снято с производства 48 | Art.: F1914 HEX HD SCREW, 1/4 - 20 X 3/4 Деталей в узле: 4 снято с производства 49 | Art.: F487435 PULLEY, STARTER ROPE Деталей в узле: 1 снято с производства 50 | Art.: HEX NUT, 1/4 - 20 Деталей в узле: 2 цена по запросу 51 | Art.: -318318 ROLLER, THROTTLE CAM FOLLOWER Деталей в узле: 1 52 | Art.: F78410 фиксатор Деталей в узле: 1 снято с производства 53 | Art.: F18906 CARBURETOR GASKET Деталей в узле: 1 54 | Art.: Шпилька карбюратора Деталей в узле: 2 снято с производства 55 | Art.: -2A341167 MANIFOLD W/STUDS, PULLEY AND SPRING PIN Деталей в узле: 1 56 | Art.: F1876 SPRING PIN Деталей в узле: 1 снято с производства 57 | Art.: F318168 прокладка коллектора Деталей в узле: 1 снято с производства 58 | Art.: FA387158 REED PLATE W/REEDS, STOPS AND SCREWS Деталей в узле: 1 |
