5 H.P.
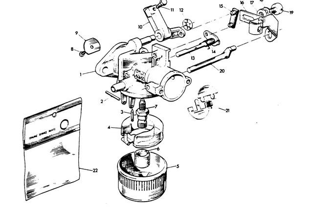
Карбюратор
Карбюратор
| № | Артикул | Наименование | Деталей в узле | Комментарий | Цена | |
| 1 | Корпус карбюратора | 1 | снято с производства | |||
| 2 | FLOAT HINGE PIN | 1 | снято с производства | |||
| 3 | INLET NEEDLE | 1 | снято с производства | |||
| 4 | поплавок | 1 | снято с производства | |||
| 5 | камера топливной смеси | 1 | снято с производства | |||
| 6 | FUEL JET FILTER | 1 | снято с производства | |||
| 7 | главный топливный жиклер | 1 | (52CC) | снято с производства | ||
| 8 | THROTTLE SHUTTER SCREW | 1 | снято с производства | |||
| 9 | заслонка дросселя | 1 | снято с производства | |||
| 10 | THROTTLE EXTENSION LEVER | 1 | снято с производства | |||
| 11 | SCREW, EXTENSION LEVER ADJUSTING | 1 | снято с производства | |||
| 12 | STARLOCK WASHER | 1 | снято с производства | |||
| 13 | THROTTLE SHAFT AND LEVER | 1 | снято с производства | |||
| 14 | THROTTLE SHAFT RETURN SPRING | 1 | снято с производства | |||
| 15 | THROTTLE LEVER LINK | 1 | снято с производства | |||
| 16 | CHOKE SHAFT BRACKET | 1 | снято с производства | |||
| 17 | шайба | 1 | ||||
| 18 | DOMED WASHER | 1 | снято с производства | |||
| 19 | CHOKE LOCATING PIN | 1 | снято с производства | |||
| 20 | вал воздушной заслонки | 1 | снято с производства | |||
| 21 | воздушная заслонка | 1 | снято с производства | |||
| 22 | Комплект запасных частей | 1 | INCLUDES ALL ITEMS MARKED WITH AN ASTERISK (*) | снято с производства | ||
| - | CARBURETOR COMPLETE (NOT SHOWN) | 1 | снято с производства | |||
| 1 | Art.: F10050 Корпус карбюратора Деталей в узле: 1 снято с производства 2 | Art.: F10044 FLOAT HINGE PIN Деталей в узле: 1 снято с производства 3 | Art.: F10043 INLET NEEDLE Деталей в узле: 1 снято с производства 4 | Art.: F10045 поплавок Деталей в узле: 1 снято с производства 5 | Art.: F10033 камера топливной смеси Деталей в узле: 1 снято с производства 6 | Art.: F10047 FUEL JET FILTER Деталей в узле: 1 снято с производства 7 | Art.: F10046 главный топливный жиклер ((52CC))Деталей в узле: 1 снято с производства 8 | Art.: F10037 THROTTLE SHUTTER SCREW Деталей в узле: 1 снято с производства 9 | Art.: F10036 заслонка дросселя Деталей в узле: 1 снято с производства 10 | Art.: F10030 THROTTLE EXTENSION LEVER Деталей в узле: 1 снято с производства 11 | Art.: F10048 SCREW, EXTENSION LEVER ADJUSTING Деталей в узле: 1 снято с производства 12 | Art.: F10042 STARLOCK WASHER Деталей в узле: 1 снято с производства 13 | Art.: F10032 THROTTLE SHAFT AND LEVER Деталей в узле: 1 снято с производства 14 | Art.: F10041 THROTTLE SHAFT RETURN SPRING Деталей в узле: 1 снято с производства 15 | Art.: F10031 THROTTLE LEVER LINK Деталей в узле: 1 снято с производства 16 | Art.: F10029 CHOKE SHAFT BRACKET Деталей в узле: 1 |
