200/225/250/275 4-STROKE VERADO
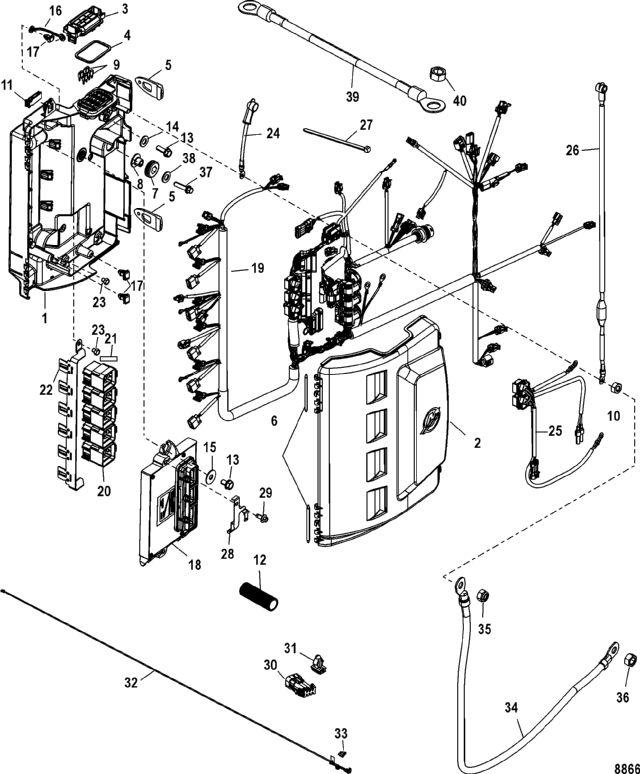
компоненты распределительной коробки
компоненты распределительной коробки
| № | Артикул | Наименование | Деталей в узле | Комментарий | Цена | |
| 1 | основание распределительной коробки | 1 | 36630 руб. | |||
| 2 | крышка коробки предохранителей | 1 | 25730 руб. | |||
| 3 | крышка предохранителей | 1 | цена по запросу | |||
| 4 | Уплотнение | 1 | 210 руб. | |||
| 5 | прижимная пластина | 2 | 210 руб. | |||
| 6 | палец шарнира | 2 | 630 руб. | |||
| 7 | резиновая втулка | 1 | 440 руб. | |||
| 8 | вкладыш | 1 | 360 руб. | |||
| 9 | плавкий предохранитель, 20 ампер (желтый) | 7 | 880 руб. | |||
| 10 | Гайка (М8), нержавеющая сталь | 1 | 230 руб. | |||
| 11 | устройство для извлечения предохранителя | 1 | 230 руб. | |||
| 12 | CONDUIT, (.750 Inside Diameter x 3.00 Feet Bulk) | 1 | 4280 руб. | |||
| 13 | винт (M8 x 13) нержавеющая сталь | 2 | 290 руб. | |||
| 14 | шайба (0.330 x 0.560 x 0.060), нержавеющая сталь | 1 | 110 руб. | |||
| 15 | Шайба (0.344 x 1.00 x 0.063) нержавеющая сталь | 1 | 170 руб. | |||
| 16 | прижимная пластина крышки | 1 | 270 руб. | |||
| 17 | зажим | 4 | 120 руб. | |||
| 18 | импульсный управляющий модуль | 1 | (250) SN# 1B231075 & Up | 1265630 руб. | ||
| 18 | импульсный управляющий модуль | 1 | (225 EU) | 1324050 руб. | ||
| 18 | импульсный управляющий модуль | 1 | (250) SN# 1B231074 & Below | цена по запросу | ||
| 18 | импульсный управляющий модуль | 1 | (250 EU) | 1235670 руб. | ||
| 18 | импульсный управляющий модуль | 1 | (275) SN# 1B231074 & Below | цена по запросу | ||
| 18 | импульсный управляющий модуль | 1 | (275) SN# 1B231075 & Up | 1210400 руб. | ||
| 18 | импульсный управляющий модуль | 1 | (275 EU) | 1425110 руб. | ||
| 18 | импульсный управляющий модуль | 1 | (225) SN# 1B231075 & Up | 1203850 руб. | ||
| 18 | импульсный управляющий модуль | 1 | (225) SN# 1B231074 & Below | цена по запросу | ||
| 18 | импульсный управляющий модуль | 1 | (200 EU) | 1298310 руб. | ||
| 18 | импульсный управляющий модуль | 1 | (200) SN# 1B231075 & Up | 1334630 руб. | ||
| 18 | импульсный управляющий модуль | 1 | (200) SN# 1B231074 & Below | цена по запросу | ||
| 19 | жгут проводов двигателя | 1 | цена по запросу | |||
| 20 | реле в сборе | 4 | 2760 руб. | |||
| 21 | NSS | не продается по отдельности, наклейка - реле трима | 4 | |||
| 22 | кронштейн | 1 | 2330 руб. | |||
| 23 | винт (М5 х 6) | 2 | 250 руб. | |||
| 24 | кабель в сборе (8 1/2") | 1 | 3020 руб. | |||
| 25 | жгут проводов трима | 1 | 9240 руб. | |||
| 26 | жгут проводов плавких предохранителей | 1 | 15950 руб. | |||
| 27 | ленточный хомут (11.750") | 6 | 70 руб. | |||
| 27 | ленточный хомут (8") | AR | 30 руб. | |||
| 28 | зажим | 1 | 620 руб. | |||
| 29 | Винт (M6 x 14) | 1 | 200 руб. | |||
| 30 | CONNECTOR ASSEMBLY, Weather Cap 6 Pin | 1 | 990 руб. | |||
| 31 | зажим | 1 | 120 руб. | |||
| 32 | жгут проводов | 1 | 6520 руб. | |||
| 33 | FUSE, Tan - 5 Ampere | 1 | 360 руб. | |||
| 34 | аккумуляторный кабель в сборе (+) | 1 | (Long) | 15370 руб. | ||
| 35 | Гайка (М8), нержавеющая сталь | 5 | 270 руб. | |||
| 36 | гайка аккумуляторного кабеля (+) (0.375-16) | 1 | цена по запросу | |||
| 37 | винт (M8 x 35 мм) | 1 | 470 руб. | |||
| 38 | Шайба (0.344 x 1.00 x 0.063) нержавеющая сталь | 1 | 170 руб. | |||
| 39 | аккумуляторный кабель в сборе (-) | 1 | (Long) | 7570 руб. | ||
| 40 | гайка аккумуляторного кабеля (-) (0.312-18) | 1 | цена по запросу | |||
| - | NSS | не продается по отдельности, кронштейн реле в сборе | 1 | |||
| - | NSS | не продается по отдельности, распределительная коробка | 1 | |||
| - | NSS | не продается по отдельности, распределительная коробка в сборе | 1 | |||
| 1 | Art.: 885560T03 основание распределительной коробки Деталей в узле: 1 2 | Art.: 885561T крышка коробки предохранителей Деталей в узле: 1 3 | Art.: 888491 крышка предохранителей Деталей в узле: 1 цена по запросу
4 | Art.: 25-885583 Уплотнение Деталей в узле: 1 5 | Art.: 889531 прижимная пластина Деталей в узле: 2 6 | Art.: 885584 палец шарнира Деталей в узле: 2 7 | Art.: 25-833155 резиновая втулка Деталей в узле: 1 8 | Art.: 23-8502341 вкладыш Деталей в узле: 1 9 | Art.: плавкий предохранитель, 20 ампер (желтый) Деталей в узле: 7 10 | Art.: 11-400213 Гайка (М8), нержавеющая сталь Деталей в узле: 1 11 | Art.: 895099 устройство для извлечения предохранителя Деталей в узле: 1 12 | Art.: 32-828547753 CONDUIT, (.750 Inside Diameter x 3.00 Feet Bulk) Деталей в узле: 1 13 | Art.: 10-40011146 винт (M8 x 13) нержавеющая сталь Деталей в узле: 2 14 | Art.: 12-843108 шайба (0.330 x 0.560 x 0.060), нержавеющая сталь Деталей в узле: 1 15 | Art.: 12-817274 Шайба (0.344 x 1.00 x 0.063) нержавеющая сталь Деталей в узле: 1 16 | Art.: 892244 прижимная пластина крышки Деталей в узле: 1 17 | Art.: 54-879962 зажим Деталей в узле: 4 18 | импульсный управляющий модуль ((250) SN# 1B231075 & Up)Деталей в узле: 1 18 | импульсный управляющий модуль ((225 EU))Деталей в узле: 1 18 | импульсный управляющий модуль ((250) SN# 1B231074 & Below)Деталей в узле: 1 цена по запросу 18 | импульсный управляющий модуль ((250 EU))Деталей в узле: 1 18 | импульсный управляющий модуль ((275) SN# 1B231074 & Below)Деталей в узле: 1 цена по запросу 18 | импульсный управляющий модуль ((275) SN# 1B231075 & Up)Деталей в узле: 1 18 | импульсный управляющий модуль ((275 EU))Деталей в узле: 1 18 | импульсный управляющий модуль ((225) SN# 1B231075 & Up)Деталей в узле: 1 18 | импульсный управляющий модуль ((225) SN# 1B231074 & Below)Деталей в узле: 1 цена по запросу 18 | импульсный управляющий модуль ((200 EU))Деталей в узле: 1 18 | импульсный управляющий модуль ((200) SN# 1B231075 & Up)Деталей в узле: 1 18 | импульсный управляющий модуль ((200) SN# 1B231074 & Below)Деталей в узле: 1 цена по запросу 19 | жгут проводов двигателя Деталей в узле: 1 цена по запросу 20 | Art.: 882751A04 реле в сборе Деталей в узле: 4 21 | Art.: -NSS не продается по отдельности, наклейка - реле трима Деталей в узле: 4 22 | Art.: 889532 кронштейн Деталей в узле: 1 23 | Art.: 10-40007103 винт (М5 х 6) Деталей в узле: 2 24 | Art.: 84-93388A17 кабель в сборе (8 1/2") Деталей в узле: 1 25 | Art.: жгут проводов трима Деталей в узле: 1 26 | Art.: 84-8M0088927 жгут проводов плавких предохранителей Деталей в узле: 1 27 | Art.: 54-850181 ленточный хомут (11.750") Деталей в узле: 6 27 | Art.: 54-816311T ленточный хомут (8") Деталей в узле: AR 28 | Art.: 54-891520001 зажим Деталей в узле: 1 29 | Art.: 10-82129114 Винт (M6 x 14) Деталей в узле: 1 30 | Art.: 877613A02 CONNECTOR ASSEMBLY, Weather Cap 6 Pin Деталей в узле: 1 31 | Art.: 54-879962 зажим Деталей в узле: 1 32 | жгут проводов Деталей в узле: 1 33 | Art.: 862646 FUSE, Tan - 5 Ampere Деталей в узле: 1 34 | Art.: 84-88439A25 аккумуляторный кабель в сборе (+) ((Long))Деталей в узле: 1 35 | Art.: 11-401388 Гайка (М8), нержавеющая сталь Деталей в узле: 5 36 | Art.: 11-86226 гайка аккумуляторного кабеля (+) (0.375-16) Деталей в узле: 1 цена по запросу
37 | Art.: винт (M8 x 35 мм) Деталей в узле: 1 38 | Art.: 12-817274 Шайба (0.344 x 1.00 x 0.063) нержавеющая сталь Деталей в узле: 1 39 | Art.: 84-88439A26 аккумуляторный кабель в сборе (-) ((Long))Деталей в узле: 1 40 | Art.: 11-68292 гайка аккумуляторного кабеля (-) (0.312-18) Деталей в узле: 1 цена по запросу
- | Art.: -NSS не продается по отдельности, кронштейн реле в сборе Деталей в узле: 1 - | Art.: -NSS не продается по отдельности, распределительная коробка Деталей в узле: 1 - | Art.: -NSS не продается по отдельности, распределительная коробка в сборе Деталей в узле: 1 | ||||||||||||||||||||||||||||||||||||||||||||||||||||||||
