150 H.P. XR-2 MARATHON MAGNUM (V-6) (1978-1985 COMBINED BOOK)
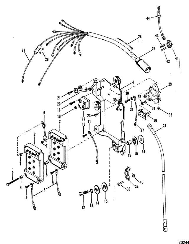
жгут проводов, соленоид стартера и выпрямитель
жгут проводов, соленоид стартера и выпрямитель
| № | Артикул | Наименование | Деталей в узле | Комментарий | Цена | |
| 1 | Пластина | 1 | цена по запросу | |||
| 2 | блок управления в сборе | 2 | 45020 руб. | |||
| 3 | винт (#12-24 x 2.250) | 2 | 2150 руб. | |||
| 3 | винт (#12-24 x 2.00) | 2 | снято с производства | |||
| 4 | проставка | 2 | 5290 руб. | |||
| 5 | вкладыш | 2 | снято с производства | |||
| 6 | Кабель в сборе | 1 | 1040 руб. | |||
| 7 | шайба (#10-32) латунь | 8 | 180 руб. | |||
| 8 | провод в сборе | 2 | 1340 руб. | |||
| 9 | Винт (#10-16 x 0.375) | 2 | 120 руб. | |||
| 10 | винт (.190-32 x .620) | 1 | 1460 руб. | |||
| 11 | Кабель в сборе, черный | 1 | цена по запросу | |||
| 12 | винт (1.25) | 3 | цена по запросу | |||
| 13 | Стопорная шайба (0.312) | 3 | цена по запросу | |||
| 14 | шайба | 6 | 310 руб. | |||
| 15 | резиновая шайба | 6 | 750 руб. | |||
| 16 | вкладыш | 3 | 610 руб. | |||
| 17 | выпрямитель | 1 | 11610 руб. | |||
| 18 | винт (.190-32 x .620) | 2 | 1460 руб. | |||
| 19 | шайба (#10-32) латунь | 3 | 180 руб. | |||
| 20 | переключатель в сборе | 1 | (LEADS NOT ATTACHED) | снято с производства | ||
| 20 | переключатель (Mercury) | 1 | (LEADS ATTACHED) | снято с производства | ||
| 21 | винт (.190-32 x .620) | 1 | 1460 руб. | |||
| 22 | шайба (#10-32) латунь | 1 | 180 руб. | |||
| 23 | винт (#10-32 x .50) | 1 | снято с производства | |||
| 24 | аккумуляторный кабель в сборе (-) | 1 | (NEGATIVE) | 6110 руб. | ||
| 24 | аккумуляторный кабель в сборе (+) | 1 | (POSITIVE) | 7190 руб. | ||
| 25 | жгут проводов, электропроводка | 1 | SN# 5432021 & Below | снято с производства | ||
| 25 | жгут проводов | 1 | SN# 5432022 & Up | 38660 руб. | ||
| 26 | плавкий предохранитель, 20 ампер | 1 | цена по запросу | |||
| 27 | Кабель в сборе | 1 | 1930 руб. | |||
| 28 | ленточный хомут (14") | 3 | 150 руб. | |||
| 29 | Соленоид стартера в сборе | 1 | SN# ME-6042946/MA-6038681 & Up | цена по запросу | ||
| 29 | Соленоид стартера в сборе | 1 | SN# ME-6042945/MA-6038680 & Below | 6320 руб. | ||
| 30 | винт | 2 | цена по запросу | |||
| 31 | стопорная шайба (0.250), нержавеющая сталь | 2 | 90 руб. | |||
| 33 | гайка (#10-32), нержавеющая сталь | 2 | SN# ME-6042945/MA-6038680 & Below | 60 руб. | ||
| 33 | гайка (#8-32) латунь | 2 | SN# ME-6042946/MA-6038681 & Up | 200 руб. | ||
| 34 | Стопорная шайба (0.312) | 2 | SN# ME-6042945/MA-6038680 & Below | цена по запросу | ||
| 34 | стопорная шайба (0.250), нержавеющая сталь | 2 | SN# ME-6042946/MA-6038681 & Up | 90 руб. | ||
| 35 | гайка (0.250-20) латунь | 2 | SN# ME-6042946/MA-6038681 & Up | 180 руб. | ||
| 35 | гайка (0.312-18) | 2 | SN# ME-6042945/MA-6038680 & Below | цена по запросу | ||
| 36 | изолятор | 1 | SN# ME-6443213/MA-6443818 & Up | 630 руб. | ||
| 37 | кабель массы в сборе | 1 | (BLACK - 6") | снято с производства | ||
| 37 | Кабель в сборе, черный | 1 | ( 4") | 720 руб. | ||
| 38 | фиксатор | 1 | (Use where Applicable) | снято с производства | ||
| 39 | винт (#10-16 x 0.750) | 1 | (Use where Applicable) | 200 руб. | ||
| 40 | резиновая втулка | 1 | (Use where Applicable) | снято с производства | ||
| 41 | TERMINAL BLOCK | 1 | (Use where Applicable) | снято с производства | ||
| 42 | винт (.190-32 x .75) | 1 | (Use where Applicable) | снято с производства | ||
| 43 | винт (#10-32 x .50) | 1 | (Use where Applicable) | снято с производства | ||
| 44 | провод в сборе (оранжевый) | 2 | (Use where Applicable) | снято с производства | ||
| 1 | Пластина Деталей в узле: 1 цена по запросу
| ||||||||||||||||||||||||||||||||||||||||||||||||||||||||||||||||||||||||||||||||||||||||||||||||||||||
| 2 | Art.: блок управления в сборе Деталей в узле: 2 3 | Art.: 10-90815 винт (#12-24 x 2.250) Деталей в узле: 2 3 | Art.: 10-13669 винт (#12-24 x 2.00) Деталей в узле: 2 снято с производства 4 | Art.: 23-94304 проставка Деталей в узле: 2 5 | Art.: 23-94453 вкладыш Деталей в узле: 2 снято с производства 6 | Art.: 84-62310A2 Кабель в сборе Деталей в узле: 1 7 | Art.: 11-45076 шайба (#10-32) латунь Деталей в узле: 8 8 | Art.: 84-60871A10 провод в сборе Деталей в узле: 2 9 | Art.: 10-62568 Винт (#10-16 x 0.375) Деталей в узле: 2 10 | Art.: 10-38055 винт (.190-32 x .620) Деталей в узле: 1 11 | Art.: 84-65999A3 Кабель в сборе, черный Деталей в узле: 1 цена по запросу
12 | Art.: винт (1.25) Деталей в узле: 3 цена по запросу 13 | Art.: 13-26993 Стопорная шайба (0.312) Деталей в узле: 3 цена по запросу
14 | Art.: 12-36042 шайба Деталей в узле: 6 15 | Art.: 12-67264 резиновая шайба Деталей в узле: 6 16 | Art.: 23-67268 вкладыш Деталей в узле: 3 17 | выпрямитель Деталей в узле: 1 18 | Art.: 10-38055 винт (.190-32 x .620) Деталей в узле: 2 19 | Art.: 11-45076 шайба (#10-32) латунь Деталей в узле: 3 20 | Art.: 87-33386A3 переключатель в сборе ((LEADS NOT ATTACHED))Деталей в узле: 1 снято с производства 20 | Art.: 58124A21 переключатель (Mercury) ((LEADS ATTACHED))Деталей в узле: 1 снято с производства 21 | Art.: 10-38055 винт (.190-32 x .620) Деталей в узле: 1 22 | Art.: 11-45076 шайба (#10-32) латунь Деталей в узле: 1 23 | Art.: 10-22028 винт (#10-32 x .50) Деталей в узле: 1 снято с производства 24 | Art.: 84-88439A2 аккумуляторный кабель в сборе (-) ((NEGATIVE))Деталей в узле: 1 24 | Art.: 84-88439A14 аккумуляторный кабель в сборе (+) ((POSITIVE))Деталей в узле: 1 25 | Art.: 84-87294A1 жгут проводов, электропроводка (SN# 5432021 & Below)Деталей в узле: 1 снято с производства 25 | Art.: 84-96220A4 жгут проводов (SN# 5432022 & Up)Деталей в узле: 1 26 | Art.: 88-79091 плавкий предохранитель, 20 ампер Деталей в узле: 1 цена по запросу
27 | Art.: 84-95084A2 Кабель в сборе Деталей в узле: 1 28 | Art.: 61990 ленточный хомут (14") Деталей в узле: 3 29 | Art.: Соленоид стартера в сборе (SN# ME-6042946/MA-6038681 & Up)Деталей в узле: 1 цена по запросу
29 | Art.: Соленоид стартера в сборе (SN# ME-6042945/MA-6038680 & Below)Деталей в узле: 1 30 | Art.: винт Деталей в узле: 2 цена по запросу 31 | Art.: 13-26992 стопорная шайба (0.250), нержавеющая сталь Деталей в узле: 2 33 | Art.: 11-68219 гайка (#10-32), нержавеющая сталь (SN# ME-6042945/MA-6038680 & Below)Деталей в узле: 2 33 | Art.: 11-26419 гайка (#8-32) латунь (SN# ME-6042946/MA-6038681 & Up)Деталей в узле: 2 34 | Art.: 13-26993 Стопорная шайба (0.312) (SN# ME-6042945/MA-6038680 & Below)Деталей в узле: 2 цена по запросу
34 | Art.: 13-26992 стопорная шайба (0.250), нержавеющая сталь (SN# ME-6042946/MA-6038681 & Up)Деталей в узле: 2 35 | Art.: 11-94330 гайка (0.250-20) латунь (SN# ME-6042946/MA-6038681 & Up)Деталей в узле: 2 35 | Art.: 11-68292 гайка (0.312-18) (SN# ME-6042945/MA-6038680 & Below)Деталей в узле: 2 цена по запросу
36 | Art.: 85-97861 изолятор (SN# ME-6443213/MA-6443818 & Up)Деталей в узле: 1 37 | Art.: 84-60466A10 кабель массы в сборе ((BLACK - 6"))Деталей в узле: 1 снято с производства 37 | Art.: 84-65999A2 Кабель в сборе, черный (( 4"))Деталей в узле: 1 38 | Art.: 67237 фиксатор ((Use where Applicable))Деталей в узле: 1 снято с производства 39 | Art.: 10-69570 винт (#10-16 x 0.750) ((Use where Applicable))Деталей в узле: 1 40 | Art.: 25-92012 резиновая втулка ((Use where Applicable))Деталей в узле: 1 снято с производства 41 | Art.: 86-66986 TERMINAL BLOCK ((Use where Applicable))Деталей в узле: 1 снято с производства 42 | Art.: 10-22523 винт (.190-32 x .75) ((Use where Applicable))Деталей в узле: 1 снято с производства 43 | Art.: 10-22028 винт (#10-32 x .50) ((Use where Applicable))Деталей в узле: 1 снято с производства 44 | Art.: 84-62189A1 провод в сборе (оранжевый) ((Use where Applicable))Деталей в узле: 2 снято с производства | ||||||||||||||||||||||||||||||||||||||||||||||||||||
