7.5 /9.8 H.P.
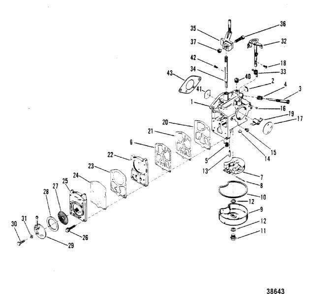
CARBURETOR(WALBRO STAMPED WMB-1/WMB-2 /WMB-3/WMB-4
CARBURETOR(WALBRO STAMPED WMB-1/WMB-2 /WMB-3/WMB-4
| № | Артикул | Наименование | Деталей в узле | Комментарий | Цена | |
| 1 | карбюротор в сборе | 1 | (7.5) | снято с производства | ||
| 1 | карбюротор в сборе | 1 | (9.8) | снято с производства | ||
| 2 | NSS | NOT SOLD SEPARATE, WLECH PLUG, BODY CHANNEL (LARGE) | 1 | |||
| 3 | NSS | NOT SOLD SEPARATE, SCREW, IDLE MIXTURE | 1 | |||
| 4 | NSS | NOT SOLD SEPARATE, SPRING, IDLE MIXTURE SCREW | 1 | |||
| 5 | NSS | NOT SOLD SEPARATE, SPRING, RETURN - THROTTLE SHAFT | 1 | |||
| 6 | NSS | не продается по отдельности (прокладка диафрагмы топливного насоса) | 1 | |||
| 7 | поплавок | 1 | 3150 руб. | |||
| 8 | NSS | NOT SOLD SEPARATE, PIN, FLOAT | 1 | |||
| 9 | топливная камера | 1 | снято с производства | |||
| 10 | NSS | не продается по отдельности, прокладка топливной камеры | 1 | |||
| 11 | винт топливной камеры | 1 | снято с производства | |||
| 12 | NSS | NOT SOLD SEPARATE, GASKET, FUEL BOWL SCREW | 2 | |||
| 13 | NEEDLE AND SPRING, Inlet | 1 | 1240 руб. | |||
| 14 | NSS | NOT SOLD SEPARATE, WELCH PLUG, BODY CHANNEL (SMALL) | 1 | |||
| 15 | главный топливный жиклер (.039) | 1 | (9.8) | снято с производства | ||
| 15 | JET, .040, MAIN FUEL | 1 | (7.5) | цена по запросу | ||
| 16 | NSS | NOT SOLD SEPARATE, PLUG, BODY CHANNEL | 2 | |||
| 17 | воздушная заслонка | 1 | снято с производства | |||
| 18 | NSS | NOT SOLD SEPARATE, SCREW, CHOKE SHUTTER | 2 | |||
| 19 | NSS | NOT SOLD SEPARATE, VENTURI | 1 | |||
| 20 | NSS | не продается по отдельности (прокладка диафрагмы топливного насоса) | 1 | |||
| 21 | NSS | не продается по отдельности (диафрагма топливного насоса) | 1 | |||
| 22 | Корпус топливного насоса | 1 | снято с производства | |||
| 23 | NSS | не продается по отдельности (прокладка диафрагмы топливного насоса) | 1 | |||
| 24 | NSS | не продается по отдельности, диафрагма | 1 | |||
| 25 | корпус фильтра | 1 | снято с производства | |||
| 26 | винт корпуса фильтра | 4 | 240 руб. | |||
| 27 | экран фильтра | 1 | 750 руб. | |||
| 28 | прокладка крышки фильтра | 1 | 550 руб. | |||
| 29 | COVER, STRAINER (INLET) | 1 | 1360 руб. | |||
| 30 | NSS | NOT SOLD SEPARATE, SCREW, STRAINER COVER | 1 | |||
| 31 | NSS | NOT SOLD SEPARATE, GASKET, STRAINER COVER SCREW | 1 | |||
| 32 | вал воздушной заслонки | 1 | снято с производства | |||
| 33 | NSS | NOT SOLD SEPARATE, SPRING, RETURN - CHOKE SHAFT | 1 | |||
| 34 | Вал дросселя | 1 | снято с производства | |||
| 35 | рычаг дросселя | 1 | 2900 руб. | |||
| 36 | SCREW, (.190-32 x .62), THROTTLE LEVER | 1 | цена по запросу | |||
| 37 | гайка винта рычага дросселя | 1 | 1490 руб. | |||
| 40 | SCREW, PLUG - IDLE TUBE | 1 | снято с производства | |||
| 41 | дроссельная заслонка | 1 | снято с производства | |||
| 42 | NSS | NOT SOLD SEPARATE, SCREW, THROTTLE SHUTTER | 2 | |||
| 43 | прокладка фланца карбюратора | 1 | 210 руб. | |||
| - | Комплект запасных частей | 1 | 10310 руб. | |||
| - | комплект диафрагмы и прокладки | 1 | 4080 руб. | |||
| - | Набор прокладок | 1 | снято с производства | |||
| 1 | Art.: карбюротор в сборе ((7.5))Деталей в узле: 1 снято с производства 1 | Art.: карбюротор в сборе ((9.8))Деталей в узле: 1 снято с производства 2 | Art.: -NSS NOT SOLD SEPARATE, WLECH PLUG, BODY CHANNEL (LARGE) Деталей в узле: 1 3 | Art.: -NSS NOT SOLD SEPARATE, SCREW, IDLE MIXTURE Деталей в узле: 1 4 | Art.: -NSS NOT SOLD SEPARATE, SPRING, IDLE MIXTURE SCREW Деталей в узле: 1 5 | Art.: -NSS NOT SOLD SEPARATE, SPRING, RETURN - THROTTLE SHAFT Деталей в узле: 1 6 | Art.: -NSS не продается по отдельности (прокладка диафрагмы топливного насоса) Деталей в узле: 1 7 | Art.: 1395-9293 поплавок Деталей в узле: 1 8 | Art.: -NSS NOT SOLD SEPARATE, PIN, FLOAT Деталей в узле: 1 9 | Art.: 1399-5127 топливная камера Деталей в узле: 1 снято с производства 10 | Art.: -NSS не продается по отдельности, прокладка топливной камеры Деталей в узле: 1 11 | Art.: 1395-9025 винт топливной камеры Деталей в узле: 1 снято с производства 12 | Art.: -NSS NOT SOLD SEPARATE, GASKET, FUEL BOWL SCREW Деталей в узле: 2 13 | Art.: 1395-9022 NEEDLE AND SPRING, Inlet Деталей в узле: 1 14 | Art.: -NSS NOT SOLD SEPARATE, WELCH PLUG, BODY CHANNEL (SMALL) Деталей в узле: 1 15 | Art.: 1399-2407 главный топливный жиклер (.039) ((9.8))Деталей в узле: 1 снято с производства 15 | Art.: 1399-7570 JET, .040, MAIN FUEL ((7.5))Деталей в узле: 1 цена по запросу
16 | Art.: -NSS NOT SOLD SEPARATE, PLUG, BODY CHANNEL Деталей в узле: 2 17 | Art.: 1399-7274 воздушная заслонка Деталей в узле: 1 снято с производства 18 | Art.: -NSS NOT SOLD SEPARATE, SCREW, CHOKE SHUTTER Деталей в узле: 2 19 | Art.: -NSS NOT SOLD SEPARATE, VENTURI Деталей в узле: 1 20 | Art.: -NSS не продается по отдельности (прокладка диафрагмы топливного насоса) Деталей в узле: 1 21 | Art.: -NSS не продается по отдельности (диафрагма топливного насоса) Деталей в узле: 1 22 | Art.: 1399-5129 Корпус топливного насоса Деталей в узле: 1 снято с производства 23 | Art.: -NSS не продается по отдельности (прокладка диафрагмы топливного насоса) Деталей в узле: 1 24 | Art.: -NSS не продается по отдельности, диафрагма Деталей в узле: 1 25 | Art.: 1399-5131 корпус фильтра Деталей в узле: 1 снято с производства 26 | Art.: винт корпуса фильтра Деталей в узле: 4 27 | Art.: 1399-5758 экран фильтра Деталей в узле: 1 28 | Art.: 1399-5207 прокладка крышки фильтра Деталей в узле: 1 29 | Art.: COVER, STRAINER (INLET) Деталей в узле: 1 30 | Art.: -NSS NOT SOLD SEPARATE, SCREW, STRAINER COVER Деталей в узле: 1 31 | Art.: -NSS NOT SOLD SEPARATE, GASKET, STRAINER COVER SCREW Деталей в узле: 1 32 | Art.: 1399-7273 вал воздушной заслонки Деталей в узле: 1 снято с производства 33 | Art.: -NSS NOT SOLD SEPARATE, SPRING, RETURN - CHOKE SHAFT Деталей в узле: 1 34 | Art.: 1399-7571 Вал дросселя Деталей в узле: 1 снято с производства 35 | Art.: 44425 рычаг дросселя Деталей в узле: 1 36 | Art.: SCREW, (.190-32 x .62), THROTTLE LEVER Деталей в узле: 1 цена по запросу 37 | Art.: 11-87599 гайка винта рычага дросселя Деталей в узле: 1 40 | Art.: 10-23178 SCREW, PLUG - IDLE TUBE Деталей в узле: 1 снято с производства 41 | Art.: 1399-7572 дроссельная заслонка Деталей в узле: 1 снято с производства 42 | Art.: -NSS NOT SOLD SEPARATE, SCREW, THROTTLE SHUTTER Деталей в узле: 2 43 | Art.: 27-63309 прокладка фланца карбюратора Деталей в узле: 1 - | Art.: 1395-9026 Комплект запасных частей Деталей в узле: 1 - | Art.: 1395-9027 комплект диафрагмы и прокладки Деталей в узле: 1 - | Art.: 27-89014A80 Набор прокладок Деталей в узле: 1 снято с производства | |||||||||||||||||||||||||||||||||||||||||||||||
