FORCE 85 H.P.
Карбюратор
Карбюратор
| № | Артикул | Наименование | Деталей в узле | Комментарий | Цена | |
| 1 | FUEL PUMP COVER | 1 | W/PLUG AND LITERATURE | снято с производства | ||
| 2 | FUEL PUMP GASKET | 1 | 470 руб. | |||
| 3 | HEX CAP SCREW, 1/4 - 20 X 5/8 | 3 | снято с производства | |||
| 4 | колено | 2 | снято с производства | |||
| 5 | FUEL PUMP AIR HOSE, TOP | 1 | цена по запросу | |||
| 6 | FUEL PUMP DIAPHRAGM | 1 | 1040 руб. | |||
| 7 | SLOTTED BINDING HD SCREW, 6 - 32 X 1/4 | 2 | цена по запросу | |||
| 8 | FUEL PUMP VALVE | 3 | 1210 руб. | |||
| 9 | GASKET, FUEL PUMP VALVE | 1 | 350 руб. | |||
| 10 | FUEL PUMP BODY | 1 | W/ILLUS. 7, 8 AND 9 | цена по запросу | ||
| 11 | FILL HD SCREW W/LOCKWASHER, 1/4 - 20 X 3/4 | 6 | снято с производства | |||
| 12 | фиттинг | 1 | цена по запросу | |||
| 13 | FUEL SEDIMENT BOWL GASKET | 1 | 1030 руб. | |||
| 14 | FUEL SEDIMENT BOWL SCREEN | 1 | 1110 руб. | |||
| 15 | FUEL SEDIMENT BOWL | 1 | снято с производства | |||
| 16 | SCREW, FUEL PUMP BOWL | 1 | цена по запросу | |||
| 17 | RD HD SCREW W/LOCKWASHER, 6 - 32 X 5/16 | 30 | цена по запросу | |||
| 18 | REED STOP | 6 | снято с производства | |||
| 19 | SPACER, REED STOP | 6 | снято с производства | |||
| 20 | REED (5 PETAL) | 6 | цена по запросу | |||
| 21 | REED PLATE | 3 | W/ILLUS. 17, 18, 19 AND 20 | снято с производства | ||
| 22 | GASKET REED PLATE ADAPTER | 3 | цена по запросу | |||
| 23 | REED PLATE ADAPTER | 1 | снято с производства | |||
| 24 | Прокладка впускного коллектора | 1 | 1500 руб. | |||
| 25 | впускной коллектор | 1 | W/ILLUS. 36 AND LITERATURE ORIGINAL FORCE P/N K 480167-2 | снято с производства | ||
| 26 | HEX HD SCREW, 1/4 - 20 X 7/8 | 7 | снято с производства | |||
| 27 | HEX HD SCREW, 1/4 - 20 X 1-1/8 | 2 | снято с производства | |||
| 28 | BALL JOINT W/STUD | 1 | 2350 руб. | |||
| 29 | INTERNAL TOOTH LOCKWASHER | 2 | цена по запросу | |||
| 30 | STOP NUT, 1/4 - 20 | 1 | цена по запросу | |||
| 31 | Подшипник | 2 | снято с производства | |||
| 32 | дроссельный кулачок | 1 | снято с производства | |||
| 33 | HEX NUT, 10 - 32 | 1 | цена по запросу | |||
| 34 | шпилька | 1 | снято с производства | |||
| 35 | колено | 2 | снято с производства | |||
| 36 | HEX HD SCREW, 1/4 - 20 X 1-1/2 | 6 | снято с производства | |||
| 37 | CHOKE ROD SWIVEL | 1 | снято с производства | |||
| 38 | тяга диффузора | 1 | снято с производства | |||
| 39 | GROOVE PIN | 1 | снято с производства | |||
| 40 | CHOKE SOLENOID PLUNGER | 1 | снято с производства | |||
| 41 | зажим | 1 | цена по запросу | |||
| 42 | HEX HD SCREW, 1/4 - 20 X 1/2 | 2 | цена по запросу | |||
| 43 | HOSE CLAMP | 6 | цена по запросу | |||
| 44 | Топливопровод | 1 | снято с производства | |||
| 45 | FUEL FITTING | 2 | снято с производства | |||
| 46 | Топливопровод | 2 | цена по запросу | |||
| 47 | HEX HD SCREW, 1/4 - 20 X 1 | 3 | 230 руб. | |||
| 48 | BRACKET INTERLOCK SWITCH | 1 | снято с производства | |||
| 49 | INTERLOCK SWITCH | 1 | снято с производства | |||
| 50 | INTERNAL TOOTH LOCKWASHER | 2 | цена по запросу | |||
| 51 | RD HD SCREW, 6 - 32 X 1/4 | 2 | цена по запросу | |||
| 52 | PLAIN WASHER | 2 | цена по запросу | |||
| 53 | FILL HD SCREW, 6 - 32 X 7/8 | 2 | снято с производства | |||
| 54 | CARBURETOR GASKET | 3 | 150 руб. | |||
| 55 | CARBURETOR STUD | 6 | снято с производства | |||
| 56 | HEX NUT, 5/16 - 18 | 6 | цена по запросу | |||
| 57 | BODY CHANNEL WELCH PLUG | 1 | 260 руб. | |||
| 58 | BODY CHANNEL CUP PLUG | 1 | цена по запросу | |||
| 59 | STOP NUT, 8 - 32 | 1 | 380 руб. | |||
| 60 | THROTTLE SHUTTER SCREW AND LOCKWASHER | 4 | цена по запросу | |||
| 61 | заслонка дросселя | 1 | снято с производства | |||
| 62 | THROTTLE ROLLER SHAFT | 1 | снято с производства | |||
| 63 | THROTTLE ROLLER | 1 | снято с производства | |||
| 64 | THROTTLE SHAFT AND LEVER | 1 | снято с производства | |||
| 65 | THROTTLE SHAFT RETURN SPRING | 1 | снято с производства | |||
| 66 | шплинт | 3 | цена по запросу | |||
| 67 | PLAIN WASHER | 3 | цена по запросу | |||
| 68 | SEAL, CHOKE ARM SWIVEL | 6 | цена по запросу | |||
| 69 | CHOKE ARM SWIVEL | 2 | снято с производства | |||
| 70 | FILL HD SCREWS, S.S., 6 - 32 X 1/4 | 3 | снято с производства | |||
| 71 | приводная штанга воздушной заслонки | 1 | снято с производства | |||
| 72 | MAIN FUEL JET(.074) STD. SEA LEVEL - 2500 FT. | 1 | снято с производства | |||
| 73 | GASKET, FUEL BOWL RETAINING SCREW | 1 | 380 руб. | |||
| 74 | камера топливной смеси | 1 | 3300 руб. | |||
| 75 | главный распылитель | 1 | снято с производства | |||
| 76 | FLOAT LEVER PIN | 1 | снято с производства | |||
| 77 | поплавок | 1 | снято с производства | |||
| 78 | VALVE ASSY./INLET | 1 | цена по запросу | |||
| 79 | SEAT VALVE | 1 | 1040 руб. | |||
| 80 | вал воздушной заслонки и рычаг | 1 | снято с производства | |||
| 81 | CHOKE SHAFT RETURN SPRING | 1 | снято с производства | |||
| 82 | FUEL BOWL GASKET | 1 | 340 руб. | |||
| 83 | CARBURETOR COMPLETE (TOP) WE 4-1 | 1 | цена по запросу | |||
| 84 | JET, NOZZLE VENT | 1 | цена по запросу | |||
| 85 | IDLE SCREW SPRING | 1 | цена по запросу | |||
| 86 | IDLE SCREW | 1 | 1480 руб. | |||
| 87 | INTAKE GASKET | 3 | 260 руб. | |||
| 88 | PAN HD SCREW, 10 - 24 X 3/8 | 6 | снято с производства | |||
| 89 | DRAIN FITTING | 1 | W/METERING CUP ORIGINAL FORCE P/N A 407801-1 | снято с производства | ||
| 90 | HOSE INTAKE DRAIN | 1 | снято с производства | |||
| 91 | FILL HD SCREW, 1/4 - 20 X 1-1/4 | 3 | 260 руб. | |||
| 92 | резиновая втулка | 3 | снято с производства | |||
| 93 | FILL HD SCREW, 1/4 - 20 X 1-3/4 | 3 | снято с производства | |||
| 94 | CARBURETOR, INTAKE | 1 | снято с производства | |||
| 95 | CARBURETOR INTAKE ADAPTER | 1 | снято с производства | |||
| 97 | воздушная заслонка | 1 | снято с производства | |||
| 98 | стопорное кольцо | 3 | цена по запросу | |||
| 99 | TIE BAR END W/SWIVEL | 2 | снято с производства | |||
| 100 | TIE BAR RETAINER | 2 | 320 руб. | |||
| 101 | FILL HD SCREWS, S.S., 8 - 32 X 3/8 | 2 | 130 руб. | |||
| 102 | REPAIR PARTS KIT. | 1 | INCLUDES ALL ITEMS MARKED WITH AN ASTERISK (*). | снято с производства | ||
| 103 | THROTTLE TIE BAR W/SWIVEL | 1 | снято с производства | |||
| 104 | GASKET SET. | 1 | INCLUDES ALL ITEMS MARKED WITH A DOUBLE ASTERISK (**) | 1900 руб. | ||
| 105 | стопорное кольцо | 1 | 590 руб. | |||
| 106 | SPRING, FLOAT SUPPORT | 1 | цена по запросу | |||
| 107 | пружина сжатия | 1 | снято с производства | |||
| 108 | TUBE, IDLE | 1 | снято с производства | |||
| 109 | колено | 1 | снято с производства | |||
| 110 | PLAIN WASHER | 1 | цена по запросу | |||
| - | CARBURETOR COMPLETE (MIDDLE & BOTTOM) WE 4-2 | 2 | цена по запросу | |||
| - | MAIN FUEL JET (.072) OPT. 2500 - 5000 FT. | - | снято с производства | |||
| - | MAIN FUEL JET (.070) OPT. 5000 - 7500 FT. | - | снято с производства | |||
| - | MAIN FUEL JET (.068) OPT. 7500 FT. & UP | - | снято с производства | |||
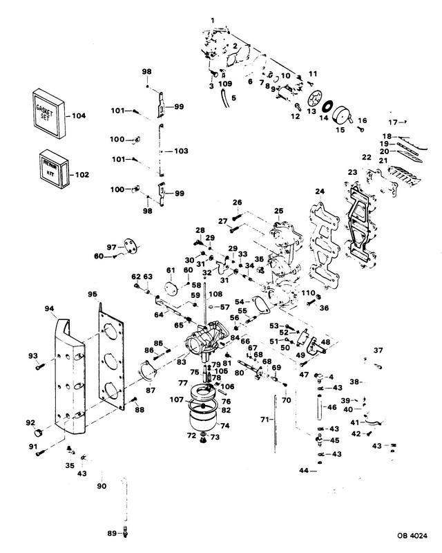
| 1 | Art.: FUEL PUMP COVER (W/PLUG AND LITERATURE)Деталей в узле: 1 снято с производства 2 | Art.: FUEL PUMP GASKET Деталей в узле: 1 3 | Art.: F1922 HEX CAP SCREW, 1/4 - 20 X 5/8 Деталей в узле: 3 снято с производства 4 | Art.: F10156 колено Деталей в узле: 2 снято с производства 5 | Art.: FUEL PUMP AIR HOSE, TOP Деталей в узле: 1 цена по запросу 6 | Art.: F438747 FUEL PUMP DIAPHRAGM Деталей в узле: 1 7 | Art.: SLOTTED BINDING HD SCREW, 6 - 32 X 1/4 Деталей в узле: 2 цена по запросу 8 | Art.: FUEL PUMP VALVE Деталей в узле: 3 9 | Art.: F84792 GASKET, FUEL PUMP VALVE Деталей в узле: 1 10 | FUEL PUMP BODY (W/ILLUS. 7, 8 AND 9)Деталей в узле: 1 цена по запросу 11 | Art.: F1108 FILL HD SCREW W/LOCKWASHER, 1/4 - 20 X 3/4 Деталей в узле: 6 снято с производства 12 | Art.: фиттинг Деталей в узле: 1 цена по запросу 13 | Art.: FUEL SEDIMENT BOWL GASKET Деталей в узле: 1 14 | Art.: F438653 FUEL SEDIMENT BOWL SCREEN Деталей в узле: 1 15 | Art.: FUEL SEDIMENT BOWL Деталей в узле: 1 снято с производства 16 | Art.: SCREW, FUEL PUMP BOWL Деталей в узле: 1 цена по запросу 17 | Art.: RD HD SCREW W/LOCKWASHER, 6 - 32 X 5/16 Деталей в узле: 30 цена по запросу
18 | Art.: F85161-1 REED STOP Деталей в узле: 6 снято с производства 19 | Art.: F523451 SPACER, REED STOP Деталей в узле: 6 снято с производства 20 | Art.: F530160 REED (5 PETAL) Деталей в узле: 6 цена по запросу
21 | Art.: REED PLATE (W/ILLUS. 17, 18, 19 AND 20)Деталей в узле: 3 снято с производства 22 | Art.: GASKET REED PLATE ADAPTER Деталей в узле: 3 цена по запросу 23 | REED PLATE ADAPTER Деталей в узле: 1 снято с производства 24 | Art.: F85159-1 Прокладка впускного коллектора Деталей в узле: 1 25 | Art.: 817959A3 впускной коллектор (W/ILLUS. 36 AND LITERATURE ORIGINAL FORCE P/N K 480167-2)Деталей в узле: 1 снято с производства 26 | Art.: F2008 HEX HD SCREW, 1/4 - 20 X 7/8 Деталей в узле: 7 снято с производства 27 | Art.: F1699 HEX HD SCREW, 1/4 - 20 X 1-1/8 Деталей в узле: 2 снято с производства 28 | Art.: BALL JOINT W/STUD Деталей в узле: 1 29 | Art.: F8058 INTERNAL TOOTH LOCKWASHER Деталей в узле: 2 цена по запросу
30 | Art.: STOP NUT, 1/4 - 20 Деталей в узле: 1 цена по запросу 31 | Art.: F269319 Подшипник Деталей в узле: 2 снято с производства 32 | Art.: F85192-1 дроссельный кулачок Деталей в узле: 1 снято с производства 33 | Art.: HEX NUT, 10 - 32 Деталей в узле: 1 цена по запросу 34 | Art.: F433209-1 шпилька Деталей в узле: 1 снято с производства 35 | Art.: 22-8181031 колено Деталей в узле: 2 снято с производства 36 | Art.: HEX HD SCREW, 1/4 - 20 X 1-1/2 Деталей в узле: 6 снято с производства 37 | Art.: F85033 CHOKE ROD SWIVEL Деталей в узле: 1 снято с производства 38 | Art.: F85925 тяга диффузора Деталей в узле: 1 снято с производства 39 | Art.: F2033 GROOVE PIN Деталей в узле: 1 снято с производства 40 | Art.: F391926-1 CHOKE SOLENOID PLUNGER Деталей в узле: 1 снято с производства 41 | Art.: зажим Деталей в узле: 1 цена по запросу 42 | Art.: HEX HD SCREW, 1/4 - 20 X 1/2 Деталей в узле: 2 цена по запросу 43 | Art.: HOSE CLAMP Деталей в узле: 6 цена по запросу 44 | Топливопровод Деталей в узле: 1 снято с производства 45 | Art.: F10164 FUEL FITTING Деталей в узле: 2 снято с производства 46 | Топливопровод Деталей в узле: 2 цена по запросу 47 | Art.: HEX HD SCREW, 1/4 - 20 X 1 Деталей в узле: 3 48 | Art.: F480551-1 BRACKET INTERLOCK SWITCH Деталей в узле: 1 снято с производства 49 | Art.: F84449 INTERLOCK SWITCH Деталей в узле: 1 снято с производства 50 | Art.: F1704 INTERNAL TOOTH LOCKWASHER Деталей в узле: 2 цена по запросу
51 | Art.: RD HD SCREW, 6 - 32 X 1/4 Деталей в узле: 2 цена по запросу 52 | Art.: PLAIN WASHER Деталей в узле: 2 цена по запросу 53 | Art.: F2016 FILL HD SCREW, 6 - 32 X 7/8 Деталей в узле: 2 снято с производства 54 | Art.: CARBURETOR GASKET Деталей в узле: 3 55 | Art.: CARBURETOR STUD Деталей в узле: 6 снято с производства 56 | Art.: HEX NUT, 5/16 - 18 Деталей в узле: 6 цена по запросу 57 | Art.: F10153 BODY CHANNEL WELCH PLUG Деталей в узле: 1 58 | Art.: F10152 BODY CHANNEL CUP PLUG Деталей в узле: 1 цена по запросу
59 | Art.: STOP NUT, 8 - 32 Деталей в узле: 1 60 | Art.: F10155 THROTTLE SHUTTER SCREW AND LOCKWASHER Деталей в узле: 4 цена по запросу
61 | Art.: F10169 заслонка дросселя Деталей в узле: 1 снято с производства 62 | Art.: THROTTLE ROLLER SHAFT Деталей в узле: 1 снято с производства 63 | Art.: THROTTLE ROLLER Деталей в узле: 1 снято с производства 64 | Art.: F10168 THROTTLE SHAFT AND LEVER Деталей в узле: 1 снято с производства 65 | Art.: F10172 THROTTLE SHAFT RETURN SPRING Деталей в узле: 1 снято с производства 66 | Art.: шплинт Деталей в узле: 3 цена по запросу 67 | Art.: PLAIN WASHER Деталей в узле: 3 цена по запросу 68 | Art.: SEAL, CHOKE ARM SWIVEL Деталей в узле: 6 цена по запросу 69 | Art.: F184033-1 CHOKE ARM SWIVEL Деталей в узле: 2 снято с производства 70 | Art.: F1059 FILL HD SCREWS, S.S., 6 - 32 X 1/4 Деталей в узле: 3 снято с производства 71 | Art.: F85509-1 приводная штанга воздушной заслонки Деталей в узле: 1 снято с производства 72 | Art.: F10173 MAIN FUEL JET(.074) STD. SEA LEVEL - 2500 FT. Деталей в узле: 1 снято с производства 73 | Art.: F10090 GASKET, FUEL BOWL RETAINING SCREW Деталей в узле: 1 74 | камера топливной смеси Деталей в узле: 1 75 | Art.: F10137 главный распылитель Деталей в узле: 1 снято с производства 76 | Art.: F10136 FLOAT LEVER PIN Деталей в узле: 1 снято с производства 77 | Art.: F10135 поплавок Деталей в узле: 1 снято с производства 78 | Art.: F10170 VALVE ASSY./INLET Деталей в узле: 1 цена по запросу
79 | Art.: SEAT VALVE Деталей в узле: 1 80 | Art.: F10159 вал воздушной заслонки и рычаг Деталей в узле: 1 снято с производства 81 | Art.: F10143 CHOKE SHAFT RETURN SPRING Деталей в узле: 1 снято с производства 82 | Art.: FUEL BOWL GASKET Деталей в узле: 1 83 | Art.: CARBURETOR COMPLETE (TOP) WE 4-1 Деталей в узле: 1 цена по запросу 84 | Art.: JET, NOZZLE VENT Деталей в узле: 1 цена по запросу 85 | Art.: IDLE SCREW SPRING Деталей в узле: 1 цена по запросу 86 | Art.: FO14166 IDLE SCREW Деталей в узле: 1 87 | Art.: F481836 INTAKE GASKET Деталей в узле: 3 88 | Art.: F1760 PAN HD SCREW, 10 - 24 X 3/8 Деталей в узле: 6 снято с производства 89 | Art.: 22-817789A1 DRAIN FITTING (W/METERING CUP ORIGINAL FORCE P/N A 407801-1)Деталей в узле: 1 снято с производства 90 | HOSE INTAKE DRAIN Деталей в узле: 1 снято с производства 91 | |
