2.5L (EFI) 2.5L (EFI-OFFSHORE)
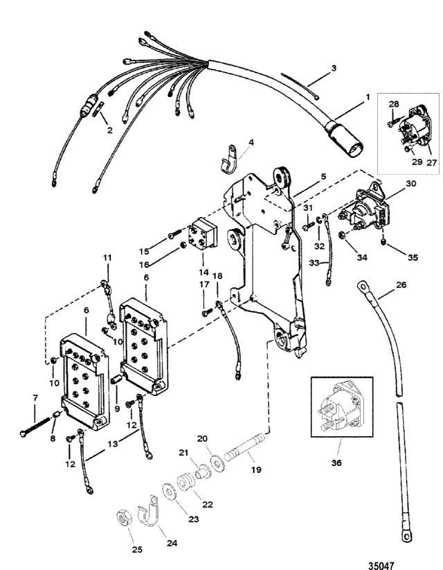
жгут проводов, соленоид стартера и выпрямитель
жгут проводов, соленоид стартера и выпрямитель
| № | Артикул | Наименование | Деталей в узле | Комментарий | Цена | |
| 1 | жгут проводов | 1 | 38660 руб. | |||
| 2 | плавкий предохранитель, 20 ампер | 1 | цена по запросу | |||
| 3 | ленточный хомут (8") | AR | 30 руб. | |||
| 4 | зажим | 1 | 1030 руб. | |||
| 5 | IGNITION PLATE | 1 | цена по запросу | |||
| 6 | блок управления | 2 | 59680 руб. | |||
| 7 | винт (#12-24 x 2.250) | 2 | 2150 руб. | |||
| 8 | проставка | 2 | 5290 руб. | |||
| 9 | вкладыш | 2 | снято с производства | |||
| 10 | шайба (#10-32) латунь | 20 | 180 руб. | |||
| 11 | Кабель в сборе | 1 | 1040 руб. | |||
| 12 | Винт (#10-16 x 0.375) | 2 | 120 руб. | |||
| 13 | провод в сборе | 2 | 1340 руб. | |||
| 14 | выпрямитель | 1 | 11610 руб. | |||
| 15 | винт (.190-32 x .620) | 2 | 1460 руб. | |||
| 16 | шайба (#10-32) латунь | 3 | 180 руб. | |||
| 17 | винт (.190-32 x .620) | 1 | 1460 руб. | |||
| 18 | Кабель в сборе, черный | 1 | цена по запросу | |||
| 19 | STUD, (.312 x 2.125) | 3 | цена по запросу | |||
| 20 | шайба | 3 | 180 руб. | |||
| 21 | вкладыш | 3 | цена по запросу | |||
| 22 | резиновая втулка | 3 | 850 руб. | |||
| 23 | шайба (0.330 x 0.750 x 0.060) нержавеющая сталь | 3 | 250 руб. | |||
| 24 | зажим | 2 | 1030 руб. | |||
| 25 | гайка (0.312-24) | 3 | 530 руб. | |||
| 26 | аккумуляторный кабель в сборе (-) | 1 | 6110 руб. | |||
| 26 | аккумуляторный кабель в сборе (+) | 1 | 7190 руб. | |||
| 27 | SOLENOID ASSEMBLY, (#10-32 / .3125-18 Terminals) | 1 | SN# 0G787151 & Up | 8560 руб. | ||
| 28 | SCREW, (.250-20 x 1.120) | 2 | SN# 0G787151 & Up | 240 руб. | ||
| 29 | вкладыш | 2 | SN# 0G787151 & Up | цена по запросу | ||
| 30 | соленоид | 1 | SN# 0G787150 & Below | 6320 руб. | ||
| 31 | винт (0.250-20 x 0.620) | 2 | SN# 0G787150 & Below | снято с производства | ||
| 32 | стопорная шайба (0.250), нержавеющая сталь | 2 | SN# 0G787150 & Below | 90 руб. | ||
| 33 | Кабель в сборе, черный | 1 | 720 руб. | |||
| 34 | гайка (0.312-18) | 2 | 820 руб. | |||
| 35 | шайба (#10-32) латунь | 2 | 180 руб. | |||
| 36 | соленоид | 1 | 16130 руб. | |||
| 1 | Art.: 84-96220A4 жгут проводов Деталей в узле: 1 2 | Art.: 88-79091 плавкий предохранитель, 20 ампер Деталей в узле: 1 цена по запросу
3 | Art.: ленточный хомут (8") Деталей в узле: AR 4 | Art.: 54-814634 зажим Деталей в узле: 1 5 | Art.: 434292 IGNITION PLATE Деталей в узле: 1 цена по запросу
6 | Art.: 332-7778A14 блок управления Деталей в узле: 2 7 | Art.: 10-90815 винт (#12-24 x 2.250) Деталей в узле: 2 8 | Art.: 23-94304 проставка Деталей в узле: 2 9 | Art.: 23-94453 вкладыш Деталей в узле: 2 снято с производства 10 | Art.: 11-45076 шайба (#10-32) латунь Деталей в узле: 20 11 | Art.: 84-62310A2 Кабель в сборе Деталей в узле: 1 12 | Art.: 10-62568 Винт (#10-16 x 0.375) Деталей в узле: 2 13 | Art.: 84-60871A10 провод в сборе Деталей в узле: 2 14 | выпрямитель Деталей в узле: 1 15 | Art.: 10-38055 винт (.190-32 x .620) Деталей в узле: 2 16 | Art.: 11-45076 шайба (#10-32) латунь Деталей в узле: 3 17 | Art.: 10-38055 винт (.190-32 x .620) Деталей в узле: 1 18 | Art.: 84-65999A3 Кабель в сборе, черный Деталей в узле: 1 цена по запросу
19 | Art.: 16-68166 STUD, (.312 x 2.125) Деталей в узле: 3 цена по запросу
20 | Art.: 12-57792 шайба Деталей в узле: 3 21 | Art.: 23-19064 вкладыш Деталей в узле: 3 цена по запросу
22 | Art.: резиновая втулка Деталей в узле: 3 23 | Art.: 12-56720 шайба (0.330 x 0.750 x 0.060) нержавеющая сталь Деталей в узле: 3 24 | Art.: 54-814634 зажим Деталей в узле: 2 25 | Art.: гайка (0.312-24) Деталей в узле: 3 26 | Art.: 84-88439A2 аккумуляторный кабель в сборе (-) Деталей в узле: 1 26 | Art.: 84-88439A14 аккумуляторный кабель в сборе (+) Деталей в узле: 1 27 | Art.: 89-817109A2 SOLENOID ASSEMBLY, (#10-32 / .3125-18 Terminals) (SN# 0G787151 & Up)Деталей в узле: 1 28 | Art.: 10-455611 SCREW, (.250-20 x 1.120) (SN# 0G787151 & Up)Деталей в узле: 2 29 | Art.: 23-818968 вкладыш (SN# 0G787151 & Up)Деталей в узле: 2 цена по запросу
30 | Art.: 89-853654A1 соленоид (SN# 0G787150 & Below)Деталей в узле: 1 31 | Art.: 10-31716 винт (0.250-20 x 0.620) (SN# 0G787150 & Below)Деталей в узле: 2 снято с производства 32 | Art.: 13-26992 стопорная шайба (0.250), нержавеющая сталь (SN# 0G787150 & Below)Деталей в узле: 2 33 | Art.: 84-65999A2 Кабель в сборе, черный Деталей в узле: 1 34 | Art.: гайка (0.312-18) Деталей в узле: 2 35 | Art.: 11-45076 шайба (#10-32) латунь Деталей в узле: 2 36 | соленоид Деталей в узле: 1 | ||||||||||||||||||||||||||||||||||||||
