150/175/200 (EFI)
DUAL ENGINE EXTENSION KIT
DUAL ENGINE EXTENSION KIT
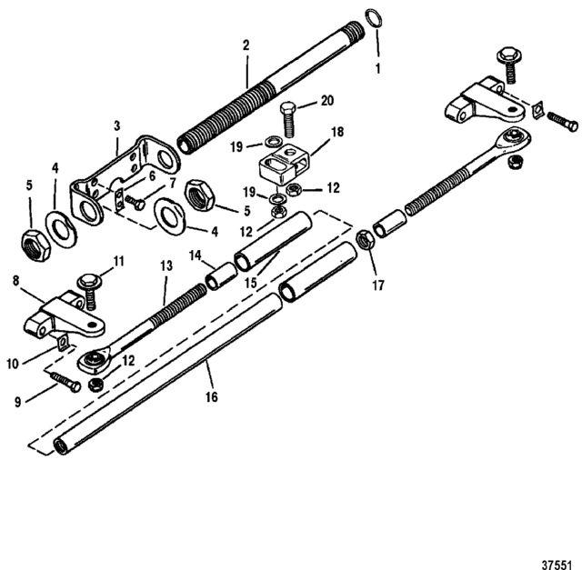
| № | Артикул | Наименование | Деталей в узле | Комментарий | Цена | |
| 1 | уплотнительное кольцо (0.614 x 0.070) | 1 | 180 руб. | |||
| 2 | Труба в сборе | 1 | 9250 руб. | |||
| 3 | Крепление | 1 | 5990 руб. | |||
| 4 | стопорная шайба | 2 | 770 руб. | |||
| 5 | Гайка (0.875-14) | 2 | 1520 руб. | |||
| 6 | стопорная шайба | 2 | 220 руб. | |||
| 7 | винт (0.250-28 x 1.250) | 4 | 200 руб. | |||
| 8 | кронштейн | 2 | 8550 руб. | |||
| 9 | винт (0.312-24 x 1.250) | 4 | 220 руб. | |||
| 10 | стопорная шайба | 4 | 520 руб. | |||
| 11 | винт (0.375-24 x 1.38) | 4 | 2640 руб. | |||
| 12 | гайка (.375-24) | 6 | цена по запросу | |||
| 13 | STEERING EYE | 2 | 14180 руб. | |||
| 14 | втулка (1.625) | 2 | 450 руб. | |||
| 15 | труба (4") | 2 | цена по запросу | |||
| 16 | муфта (15") | 1 | 23180 руб. | |||
| 17 | гайка (0.562-18) | 1 | 1090 руб. | |||
| 18 | муфта | 1 | 4650 руб. | |||
| 19 | шайба (0.406 x 0.734 x 0.063) нержавеющая сталь | 2 | 210 руб. | |||
| 20 | винт (0.375-24 x 1.5) | 1 | цена по запросу | |||
| - | EXTENSION KIT, Dual Engine | 1 | 81010 руб. | |||
| 1 | Art.: 25-48462 уплотнительное кольцо (0.614 x 0.070) Деталей в узле: 1 2 | Art.: 71565A2 Труба в сборе Деталей в узле: 1 3 | Art.: 41055 Крепление Деталей в узле: 1 4 | Art.: 14-42100 стопорная шайба Деталей в узле: 2 5 | Art.: Гайка (0.875-14) Деталей в узле: 2 6 | Art.: 88404 стопорная шайба Деталей в узле: 2 7 | Art.: 10-38601 винт (0.250-28 x 1.250) Деталей в узле: 4 8 | Art.: 17729A1 кронштейн Деталей в узле: 2 9 | Art.: 10-62055 винт (0.312-24 x 1.250) Деталей в узле: 4 10 | Art.: 17728 стопорная шайба Деталей в узле: 4 11 | Art.: 10-140001 винт (0.375-24 x 1.38) Деталей в узле: 4 12 | Art.: гайка (.375-24) Деталей в узле: 6 цена по запросу
13 | STEERING EYE Деталей в узле: 2 |
