135/150/175/200/XR6/MAGNUM III
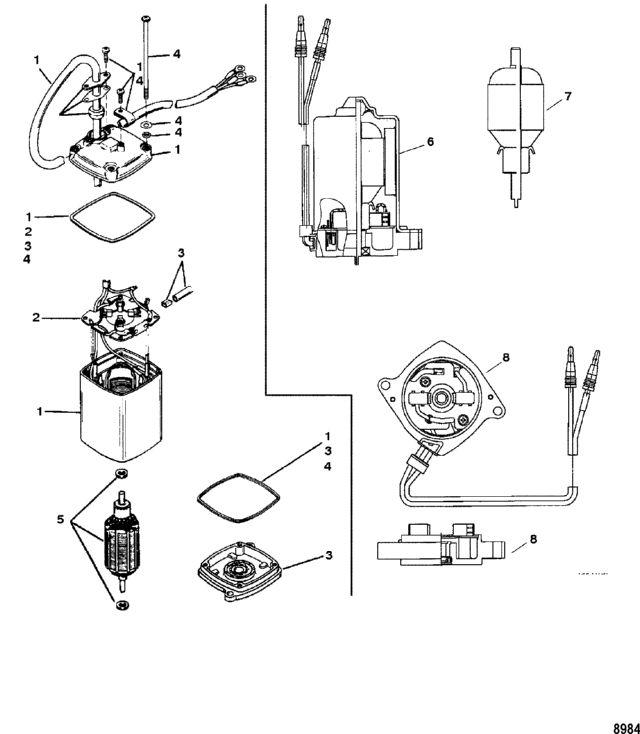
POWER TRIM MOTOR
POWER TRIM MOTOR
| № | Артикул | Наименование | Деталей в узле | Комментарий | Цена | |
| 1 | FRAME AND FIELD KIT | 1 | SN# 0G201874 & Below | снято с производства | ||
| 2 | BRUSH CARD KIT | 1 | SN# 0G201874 & Below | снято с производства | ||
| 3 | END FRAME KIT | 1 | SN# 0G201874 & Below | 16740 руб. | ||
| 4 | Уплотнительный комплект | 1 | SN# 0G201874 & Below | снято с производства | ||
| 5 | комплект сердечника | 1 | SN# 0G201874 & Below | снято с производства | ||
| 6 | комплект щетки и уплотнения | 1 | SN# 0G201875 & Up | цена по запросу | ||
| 7 | комплект сердечника | 1 | SN# 0G201875 & Up | снято с производства | ||
| 8 | END FRAME (COMPLETE) | 1 | SN# 0G201875 & Up | 66510 руб. | ||
| - | Мотор в сборе | 1 | SN# 0G201875 & Up | цена по запросу | ||
| - | Мотор системы гидроподъема | 1 | SN# 0G201874 & Below | цена по запросу | ||
| 1 | Art.: 811624 FRAME AND FIELD KIT (SN# 0G201874 & Below)Деталей в узле: 1 снято с производства 2 | Art.: 811625 BRUSH CARD KIT (SN# 0G201874 & Below)Деталей в узле: 1 снято с производства 3 | Art.: 811623 END FRAME KIT (SN# 0G201874 & Below)Деталей в узле: 1 4 | Art.: 811626 Уплотнительный комплект (SN# 0G201874 & Below)Деталей в узле: 1 снято с производства 5 | Art.: 811627 комплект сердечника (SN# 0G201874 & Below)Деталей в узле: 1 |
