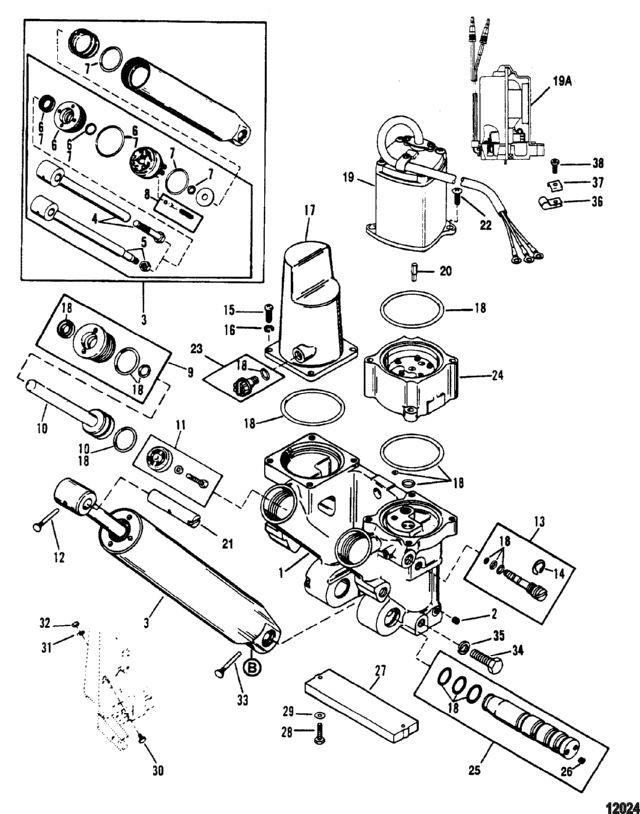
135/150/175/200/XR6/MAGNUM III
компоненты механизма гидроподъема Power Trim
компоненты механизма гидроподъема Power Trim
| № | Артикул | Наименование | Деталей в узле | Комментарий | Цена | |
| 1 | коллектор в сборе | 1 | снято с производства | |||
| 2 | заглушка трубки (0.0625-27) | 9 | 3650 руб. | |||
| 3 | цилиндр регулировки наклона в сборе | 1 | цена по запросу | |||
| 4 | ROD KIT, Trim And Tilt Piston (BOLT TYPE- SEE NOTE) | 1 | снято с производства | |||
| 5 | ROD KIT, Trim Piston (NUT TYPE) | 1 | снято с производства | |||
| 6 | Комплект направляющих | 1 | снято с производства | |||
| 7 | Ремкомплект | 1 | 9880 руб. | |||
| 8 | комплект обратного клапана | 1 | снято с производства | |||
| 9 | Направляющая в сборе | 2 | 23900 руб. | |||
| 10 | PISTON/ROD ASSEMBLY, Power Trim (PORT) | 1 | 47500 руб. | |||
| 10 | PISTON/ROD ASSEMBLY, Power Trim (STARBOARD) | 1 | цена по запросу | |||
| 11 | фильтр системы гидроподъема в сборе | 1 | снято с производства | |||
| 12 | Штифт 3-кулачковый | 1 | 600 руб. | |||
| 13 | Ручной клапан блокировки гидросистемы | 1 | 7570 руб. | |||
| 14 | Е-обазная стопорная шайба | 1 | 640 руб. | |||
| 15 | Винт (M6 x 14) | 4 | 300 руб. | |||
| 16 | шайба | 4 | 90 руб. | |||
| 17 | крышка | 1 | снято с производства | |||
| 18 | комплект уплотнительных колец | 1 | 11790 руб. | |||
| 19 | TRIM MOTOR (See Breakdown on Power Trim Motor) | 1 | SN# 0G201874 & Below | цена по запросу | ||
| 19A | MOTOR ASSEMBLY (See Breakdown on Power Trim Motor) | 1 | SN# 0G201875 & Up | цена по запросу | ||
| 20 | Вертикальный вал | 1 | SN# 0G201874 & Below | снято с производства | ||
| 20 | DRIVE JOINT | 1 | SN# 0G201875 & Up | снято с производства | ||
| 21 | Вал | 1 | 2740 руб. | |||
| 22 | винт короткий | 2 | снято с производства | |||
| 22 | винт длинный | 2 | SN# 0G201875 & Up | 2200 руб. | ||
| 22 | винт длинный | 2 | SN# 0G201874 & Below | снято с производства | ||
| 23 | пробка в сборе | 1 | 3610 руб. | |||
| 24 | Насос | 1 | цена по запросу | |||
| 25 | Вал в сборе | 1 | цена по запросу | |||
| 26 | заглушка трубки (0.0625-27) | 2 | 3650 руб. | |||
| 27 | комплект анода | 1 | 2890 руб. | |||
| 28 | Винт (M6 x 25) | 2 | цена по запросу | |||
| 29 | шайба (0.281 x 0.500 x 0.060) нержавеющая сталь | 2 | цена по запросу | |||
| 30 | STRIKER PLATE | 2 | 1540 руб. | |||
| 31 | стопорная шайба (0.375) | 2 | 230 руб. | |||
| 32 | гайка (.375-24) | 2 | 500 руб. | |||
| 33 | Канавчатый штифт | 1 | 3860 руб. | |||
| 34 | Винт (М10 х 30) | 6 | 410 руб. | |||
| 35 | шайба | 6 | 310 руб. | |||
| 36 | зажим | 2 | SN# 0G201874 & Below | 500 руб. | ||
| 36 | зажим | 2 | SN# 0G201875 & Up | 480 руб. | ||
| 37 | С-образная шайба | 2 | 130 руб. | |||
| 38 | винт (#10-16 x .380) | 2 | 130 руб. | |||
| - | механизм гидроподъема Power Trim в сборе | 1 | SN# 0G201874 & Below | цена по запросу | ||
| - | TRIM AND TILT ASSEMBLY | 1 | SN# 0G201875 & Up | цена по запросу | ||
| 1 | Art.: 811604F коллектор в сборе Деталей в узле: 1 снято с производства 2 | Art.: 22-56800 заглушка трубки (0.0625-27) Деталей в узле: 9 3 | цилиндр регулировки наклона в сборе Деталей в узле: 1 цена по запросу 4 | Art.: 811608 ROD KIT, Trim And Tilt Piston (BOLT TYPE- SEE NOTE) Деталей в узле: 1 снято с производства 5 | Art.: ROD KIT, Trim Piston (NUT TYPE) Деталей в узле: 1 снято с производства 6 | Комплект направляющих Деталей в узле: 1 снято с производства 7 | Art.: 811607A1 Ремкомплект Деталей в узле: 1 8 | Art.: 811610A1 комплект обратного клапана Деталей в узле: 1 снято с производства 9 | Направляющая в сборе Деталей в узле: 2 10 | PISTON/ROD ASSEMBLY, Power Trim (PORT) Деталей в узле: 1 10 | PISTON/ROD ASSEMBLY, Power Trim (STARBOARD) Деталей в узле: 1 цена по запросу 11 | Art.: 35-12184A1 фильтр системы гидроподъема в сборе Деталей в узле: 1 снято с производства 12 | Art.: 17-821539 Штифт 3-кулачковый Деталей в узле: 1 13 | Art.: Ручной клапан блокировки гидросистемы Деталей в узле: 1 14 | Art.: Е-обазная стопорная шайба Деталей в узле: 1 15 | Art.: 10-4000327 Винт (M6 x 14) Деталей в узле: 4 16 | Art.: шайба Деталей в узле: 4 17 | Art.: 811611 крышка Деталей в узле: 1 снято с производства 18 | Art.: комплект уплотнительных колец Деталей в узле: 1 19 | TRIM MOTOR (See Breakdown on Power Trim Motor) (SN# 0G201874 & Below)Деталей в узле: 1 цена по запросу 19A | MOTOR ASSEMBLY (See Breakdown on Power Trim Motor) (SN# 0G201875 & Up)Деталей в узле: 1 цена по запросу 20 | Art.: 811619 Вертикальный вал (SN# 0G201874 & Below)Деталей в узле: 1 снято с производства 20 | Art.: 828710 DRIVE JOINT (SN# 0G201875 & Up)Деталей в узле: 1 снято с производства 21 | Art.: Вал Деталей в узле: 1 22 | Art.: 10-811616 винт короткий Деталей в узле: 2 снято с производства 22 | Art.: винт длинный (SN# 0G201875 & Up)Деталей в узле: 2 22 | Art.: 10-811615 винт длинный (SN# 0G201874 & Below)Деталей в узле: 2 снято с производства 23 | Art.: 19-811613 пробка в сборе Деталей в узле: 1 24 | Art.: Насос Деталей в узле: 1 цена по запросу
25 | Вал в сборе Деталей в узле: 1 цена по запросу 26 | Art.: 22-56800 заглушка трубки (0.0625-27) Деталей в узле: 2 27 | Art.: комплект анода Деталей в узле: 1 28 | Art.: 10-4000330 Винт (M6 x 25) Деталей в узле: 2 цена по запросу
29 | Art.: 12-29245 шайба (0.281 x 0.500 x 0.060) нержавеющая сталь Деталей в узле: 2 цена по запросу
30 | Art.: STRIKER PLATE Деталей в узле: 2 31 | Art.: 13-58643 стопорная шайба (0.375) Деталей в узле: 2 32 | Art.: 11-46335 гайка (.375-24) Деталей в узле: 2 33 | Art.: Канавчатый штифт Деталей в узле: 1 34 | Art.: 10-4000377 Винт (М10 х 30) Деталей в узле: 6 35 | Art.: 12-4002319 шайба Деталей в узле: 6 36 | Art.: 54-22875 зажим (SN# 0G201874 & Below)Деталей в узле: 2 36 | Art.: 54-26550 зажим (SN# 0G201875 & Up)Деталей в узле: 2 |
