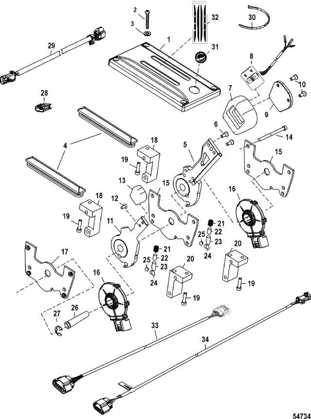
REMOTE CONTROL SYSTEMS AND COMPONENTS
Zero Effort Control-DTS (2 Lever)
Zero Effort Control-DTS (2 Lever)
| № | Артикул | Наименование | Деталей в узле | Комментарий | Цена | |
| 1 | COVER, Top, 2 Lever | 1 | 74460 руб. | |||
| 2 | SCREW, (#8 x 1.250) | 4 | 60 руб. | |||
| 3 | нейлоновая шайба | 4 | 90 руб. | |||
| 4 | защитный чехол | 2 | 1240 руб. | |||
| 5 | рычаг дросселя | AR | 76320 руб. | |||
| 5 | рычаг дросселя | AR | 69380 руб. | |||
| 6 | SCREW, 10-32X.50 | 2 | 50 руб. | |||
| 7 | KNOB, Throttle Right - Red | AR | 30600 руб. | |||
| 7 | KNOB, Throttle Left - Red | AR | 48910 руб. | |||
| 7 | KNOB, Throttle Right - Clear | AR | 48910 руб. | |||
| 7 | KNOB, Throttle Left - Clear | AR | 48910 руб. | |||
| 8 | KEYPAD ASSEMBLY | 1 | цена по запросу | |||
| 9 | COVER, Knob - Throttle | 1 | 15370 руб. | |||
| 10 | SCREW, 10-32X.50 | 2 | 50 руб. | |||
| 11 | рычаг механизма переключения передач | AR | 65560 руб. | |||
| 12 | винт | 2 | 2180 руб. | |||
| 13 | KNOB, Shift - Clear | AR | 29140 руб. | |||
| 13 | KNOB, Shift - Black | AR | цена по запросу | |||
| 14 | винт (#10-32 x 2.50) | 4 | 400 руб. | |||
| 15 | PLATE, Center | 2 | 4810 руб. | |||
| 16 | SENSOR, Throttle/Shift | 2 | 23870 руб. | |||
| 17 | END PLATE ASSEMBLY | 1 | 10690 руб. | |||
| 18 | SPACER, Plate | 2 | 8670 руб. | |||
| 19 | винт (#10-32 x 0.750) нержавеющая сталь | 4 | 190 руб. | |||
| 20 | SPACER, Plate w/Detent | 2 | 9230 руб. | |||
| 21 | SET SCREW, (.312 -24 X .50) | 2 | 1520 руб. | |||
| 22 | Пружина | 2 | 560 руб. | |||
| 23 | RAMP | 2 | 1360 руб. | |||
| 24 | фрикционная накладка | AR | 2170 руб. | |||
| 25 | BALL, (.250) | AR | 140 руб. | |||
| 26 | SHAFT, 2 Lever | 1 | 9370 руб. | |||
| 27 | Е-обазная стопорная шайба | 1 | 120 руб. | |||
| 28 | соединитель 8-миштырьковый в сборе | 1 | 1730 руб. | |||
| 29 | HARNESS ASSEMBLY, Lever | 1 | 2510 руб. | |||
| 30 | ленточный хомут (4") | 2 | 30 руб. | |||
| 31 | DECAL, M-Icon Mercury Racing (19 mm) | 1 | 6240 руб. | |||
| 32 | DECAL, Shift - F/ N/R | 1 | 6520 руб. | |||
| 33 | HARNESS, Lever 2 | AR | Shift | 28010 руб. | ||
| 33 | HARNESS, Lever 1 | AR | Shift | цена по запросу | ||
| 34 | HARNESS, Lever 3 | AR | Throttle | цена по запросу | ||
| 34 | HARNESS, Lever 4 | AR | Throttle | цена по запросу | ||
| - | ZERO EFFORT CONTROL-DTS, 1S - 1T (Clear Knob) (Port Mount) | 1 | 276830 руб. | |||
| - | ZERO EFFORT CONTROL-DTS, 2S (Black Knob) | 1 | 269530 руб. | |||
| - | ZERO EFFORT CONTROL-DTS, 1S - 1T (Clear Knob) (Stbd Mount) | 1 | 283450 руб. | |||
| - | ZERO EFFORT CONTROL-DTS, 2T (Red Knob) (Stbd Mount) | 1 | 421670 руб. | |||
| - | ZERO EFFORT CONTROL-DTS, 2T (Clear Knob) (Stbd Mount) | 1 | 297820 руб. | |||
| - | ZERO EFFORT CONTROL-DTS, 2S (Clear Knob) | 1 | 280630 руб. | |||
| - | ZERO EFFORT CONTROL-DTS, 1S (Black Knob) - 1T (Red Knob) (Stbd Mount) | 1 | 318920 руб. | |||
| - | ZERO EFFORT CONTROL-DTS, 1S (Black Knob) - 1T (Red Knob) (Port Mount) | 1 | 272650 руб. | |||
| 1 | Art.: 8M0082652 COVER, Top, 2 Lever Деталей в узле: 1 2 | Art.: 10-845522 SCREW, (#8 x 1.250) Деталей в узле: 4 3 | Art.: 12-845523 нейлоновая шайба Деталей в узле: 4 4 | Art.: 8M0047219 защитный чехол Деталей в узле: 2 5 | Art.: 8M0075730 рычаг дросселя Деталей в узле: AR 5 | Art.: 8M0075729 рычаг дросселя Деталей в узле: AR 6 | Art.: 10-8M0045962 SCREW, 10-32X.50 Деталей в узле: 2 7 | Art.: 8M0084186 KNOB, Throttle Right - Red Деталей в узле: AR 7 | Art.: 8M0084187 KNOB, Throttle Left - Red Деталей в узле: AR 7 | Art.: 8M0031761 KNOB, Throttle Right - Clear Деталей в узле: AR 7 | Art.: 8M0030631 KNOB, Throttle Left - Clear Деталей в узле: AR 8 | Art.: 8M0047740 KEYPAD ASSEMBLY Деталей в узле: 1 цена по запросу
9 | Art.: 8M0046503 COVER, Knob - Throttle Деталей в узле: 1 10 | Art.: 10-8M0045962 SCREW, 10-32X.50 Деталей в узле: 2 11 | Art.: 8M0075753 рычаг механизма переключения передач Деталей в узле: AR 12 | Art.: 10-822037 винт Деталей в узле: 2 13 | Art.: KNOB, Shift - Clear Деталей в узле: AR 13 | Art.: 8M0075332 KNOB, Shift - Black Деталей в узле: AR цена по запросу
14 | Art.: 10-8M0084476 винт (#10-32 x 2.50) Деталей в узле: 4 15 | Art.: 8M0075328 PLATE, Center Деталей в узле: 2 16 | Art.: 82-877736 SENSOR, Throttle/Shift Деталей в узле: 2 17 | Art.: 8M0093362 END PLATE ASSEMBLY Деталей в узле: 1 18 | Art.: 8M0075336 SPACER, Plate Деталей в узле: 2 19 | Art.: 10-842127 винт (#10-32 x 0.750) нержавеющая сталь Деталей в узле: 4 20 | Art.: 8M0075334 SPACER, Plate w/Detent Деталей в узле: 2 21 | Art.: 10-8M0075339 SET SCREW, (.312 -24 X .50) Деталей в узле: 2 22 | Art.: 24-844657 Пружина Деталей в узле: 2 23 | Art.: 8M0075335 RAMP Деталей в узле: 2 24 | Art.: 8M0075343 фрикционная накладка Деталей в узле: AR 25 | Art.: 30-842651 BALL, (.250) Деталей в узле: AR 26 | Art.: 8M0082943 SHAFT, 2 Lever Деталей в узле: 1 27 | Art.: 53-87843 Е-обазная стопорная шайба Деталей в узле: 1 28 | Art.: 877613A1 соединитель 8-миштырьковый в сборе Деталей в узле: 1 29 | Art.: 84-891963A01 HARNESS ASSEMBLY, Lever Деталей в узле: 1 30 | Art.: 56762 ленточный хомут (4") Деталей в узле: 2 31 | Art.: 37-8M0090016 DECAL, M-Icon Mercury Racing (19 mm) Деталей в узле: 1 32 | Art.: 37-8M0087338 DECAL, Shift - F/ N/R Деталей в узле: 1 33 | Art.: 84-8M8026042 HARNESS, Lever 2 (Shift)Деталей в узле: AR 33 | Art.: 84-8M8026041 HARNESS, Lever 1 (Shift)Деталей в узле: AR цена по запросу
34 | Art.: 84-8M8026043 HARNESS, Lever 3 (Throttle)Деталей в узле: AR цена по запросу
34 | Art.: 84-8M8026044 HARNESS, Lever 4 (Throttle)Деталей в узле: AR цена по запросу
- | Art.: 8M0095633 ZERO EFFORT CONTROL-DTS, 1S - 1T (Clear Knob) (Port Mount) Деталей в узле: 1 - | Art.: 8M0085481 ZERO EFFORT CONTROL-DTS, 2S (Black Knob) Деталей в узле: 1 |
