150 H.P. XR-2 MARATHON MAGNUM (V-6) (1978-1985 COMBINED BOOK)
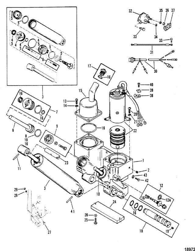
компоненты механизма гидроподъема Power Trim
компоненты механизма гидроподъема Power Trim
| № | Артикул | Наименование | Деталей в узле | Комментарий | Цена | |
| 1 | коллектор в сборе | 1 | (BLACK) | снято с производства | ||
| 1 | коллектор в сборе | 1 | (GRAY) | снято с производства | ||
| 2 | заглушка трубки коллектора | 11 | цена по запросу | |||
| 3 | цилиндр системы гидроподъема в сборе | 1 | (BLACK) | снято с производства | ||
| 3 | цилиндр системы гидроподъема в сборе | 1 | (GRAY) | снято с производства | ||
| 4 | Направляющая в сборе | 1 | цена по запросу | |||
| 5 | Ремкомплект | 1 | 12090 руб. | |||
| 6 | комплект обратного клапана | 1 | снято с производства | |||
| 7 | GUIDE ASSEMBLY, TRIM ROD | 2 | 23900 руб. | |||
| 8 | PISTON/ROD ASSEMBLY, Power Trim, PORT | 1 | 47500 руб. | |||
| 9 | фильтр системы гидроподъема в сборе | 1 | снято с производства | |||
| 10 | PISTON/ROD ASSEMBLY, Power Trim, STARBOARD | 1 | цена по запросу | |||
| 11 | PIN, Groove, TRIM CYLINDER (UPPER) | 1 | 600 руб. | |||
| 12 | Клапан в сборе | 1 | 7570 руб. | |||
| 12A | Е-обазная стопорная шайба | 1 | 640 руб. | |||
| 13 | винт крышки (M6 x 14) | 4 | 300 руб. | |||
| 14 | Шайба винта крышки | 4 | 90 руб. | |||
| 15 | крышка коллектора | 1 | снято с производства | |||
| 16 | комплект уплотнительных колец | 1 | 17970 руб. | |||
| 17 | пробка в сборе | 1 | снято с производства | |||
| 18 | Вал в сборе | 1 | снято с производства | |||
| 19 | заглушка трубки вала | 2 | цена по запросу | |||
| 20 | винт крепления насоса к мотору (M6 x 20) | 2 | 270 руб. | |||
| 21 | Стопорная шайба М6 | 2 | 200 руб. | |||
| 22 | насос и мотор | 1 | цена по запросу | |||
| 23 | вал верхний | 1 | 2740 руб. | |||
| 24 | анод в сборе | 1 | 2890 руб. | |||
| 25 | винт анода (M6 x 25) | 2 | цена по запросу | |||
| 26 | шайба винта анода (.281 x .500 x .060) нержавеющая сталь | 2 | цена по запросу | |||
| 27 | STRIKER PLATE, TRIM SHAFT | 2 | 1540 руб. | |||
| 28 | стопорная шайба (0.375) | 2 | 230 руб. | |||
| 29 | гайка (.375-24) | 2 | 500 руб. | |||
| 30 | жгут проводов управления механизмом гидроподъема Power Trim | 1 | снято с производства | |||
| 31 | провод в сборе (4 3/4") | 1 | снято с производства | |||
| 31 | Кабель в сборе | 2 | (3-1/2" - BLACK) | снято с производства | ||
| 31 | Кабель в сборе | 1 | (11-1/2"-RED) | снято с производства | ||
| 32 | Соленоид стартера | 2 | 4130 руб. | |||
| 33 | винт (0.250-20 x 0.500) | 5 | 130 руб. | |||
| 34 | гайка (#8-32) латунь | 4 | 200 руб. | |||
| 36 | гайка (0.250-20) латунь | 4 | 180 руб. | |||
| 37 | изолятор | 2 | 630 руб. | |||
| 38 | зажим провода насоса | 2 | 500 руб. | |||
| 39 | С-образная шайба зажима винта | 2 | 130 руб. | |||
| 40 | винт крепления зажима к кронштейну крепления к транцу (#10-16 x .440) | 2 | 120 руб. | |||
| 41 | PIN, Groove, TRIM CYLINDER (LOWER) | 1 | 3860 руб. | |||
| 42 | винт коллектора (M10 x 30) | 6 | 410 руб. | |||
| 43 | стопорная шайба винта коллектора, нержавеющая сталь | 6 | 160 руб. | |||
| 1 | Art.: 99659A21 коллектор в сборе ((BLACK))Деталей в узле: 1 снято с производства 1 | Art.: 99659A22 коллектор в сборе ((GRAY))Деталей в узле: 1 снято с производства 2 | Art.: заглушка трубки коллектора Деталей в узле: 11 цена по запросу 3 | Art.: 41493A7 цилиндр системы гидроподъема в сборе ((BLACK))Деталей в узле: 1 снято с производства 3 | Art.: цилиндр системы гидроподъема в сборе ((GRAY))Деталей в узле: 1 снято с производства 4 | Art.: 41492A1 Направляющая в сборе Деталей в узле: 1 цена по запросу
5 | Art.: 25-41478A1 Ремкомплект Деталей в узле: 1 6 | Art.: 41482A2 комплект обратного клапана Деталей в узле: 1 снято с производства 7 | GUIDE ASSEMBLY, TRIM ROD Деталей в узле: 2 8 | PISTON/ROD ASSEMBLY, Power Trim, PORT Деталей в узле: 1 9 | Art.: 35-12184A1 фильтр системы гидроподъема в сборе Деталей в узле: 1 снято с производства 10 | PISTON/ROD ASSEMBLY, Power Trim, STARBOARD Деталей в узле: 1 цена по запросу 11 | Art.: PIN, Groove, TRIM CYLINDER (UPPER) Деталей в узле: 1 12 | Клапан в сборе Деталей в узле: 1 12A | Art.: Е-обазная стопорная шайба Деталей в узле: 1 13 | Art.: 10-4000327 винт крышки (M6 x 14) Деталей в узле: 4 14 | Art.: Шайба винта крышки Деталей в узле: 4 15 | Art.: 99642 крышка коллектора Деталей в узле: 1 снято с производства 16 | комплект уплотнительных колец Деталей в узле: 1 17 | Art.: 19-99609A1 пробка в сборе Деталей в узле: 1 снято с производства 18 | Art.: 99641A1 Вал в сборе Деталей в узле: 1 снято с производства 19 | Art.: заглушка трубки вала Деталей в узле: 2 цена по запросу 20 | Art.: 10-4008820 винт крепления насоса к мотору (M6 x 20) Деталей в узле: 2 21 | Art.: 13-400256 Стопорная шайба М6 Деталей в узле: 2 22 | насос и мотор Деталей в узле: 1 цена по запросу 23 | вал верхний Деталей в узле: 1 24 | анод в сборе Деталей в узле: 1 25 | Art.: 10-4000330 винт анода (M6 x 25) Деталей в узле: 2 цена по запросу
26 | Art.: 12-29245 шайба винта анода (.281 x .500 x .060) нержавеющая сталь Деталей в узле: 2 цена по запросу
27 | Art.: STRIKER PLATE, TRIM SHAFT Деталей в узле: 2 28 | Art.: 13-58643 стопорная шайба (0.375) Деталей в узле: 2 29 | Art.: 11-46335 гайка (.375-24) Деталей в узле: 2 30 | Art.: 84-99695A1 жгут проводов управления механизмом гидроподъема Power Trim Деталей в узле: 1 снято с производства 31 | Art.: 84-87379A25 провод в сборе (4 3/4") Деталей в узле: 1 снято с производства 31 | Art.: 84-88807A17 Кабель в сборе ((3-1/2" - BLACK))Деталей в узле: 2 снято с производства 31 | Art.: 84-79139A19 Кабель в сборе ((11-1/2"-RED))Деталей в узле: 1 снято с производства 32 | Соленоид стартера Деталей в узле: 2 33 | Art.: 10-98253 винт (0.250-20 x 0.500) Деталей в узле: 5 34 | Art.: 11-26419 гайка (#8-32) латунь Деталей в узле: 4 36 | Art.: 11-94330 гайка (0.250-20) латунь Деталей в узле: 4 37 | Art.: 85-97861 изолятор Деталей в узле: 2 38 | Art.: 54-22875 зажим провода насоса Деталей в узле: 2 39 | Art.: С-образная шайба зажима винта Деталей в узле: 2 40 | Art.: 10-69079 винт крепления зажима к кронштейну крепления к транцу (#10-16 x .440) Деталей в узле: 2 41 | Art.: PIN, Groove, TRIM CYLINDER (LOWER) Деталей в узле: 1 42 | Art.: 10-4000377 винт коллектора (M10 x 30) Деталей в узле: 6 43 | Art.: 13-400258 стопорная шайба винта коллектора, нержавеющая сталь Деталей в узле: 6 | ||||||||||||||||||||||||||||||||||||||||||||||||
