200/225/250/275/300 4-STROKE VERADO (6 CYLINDER)
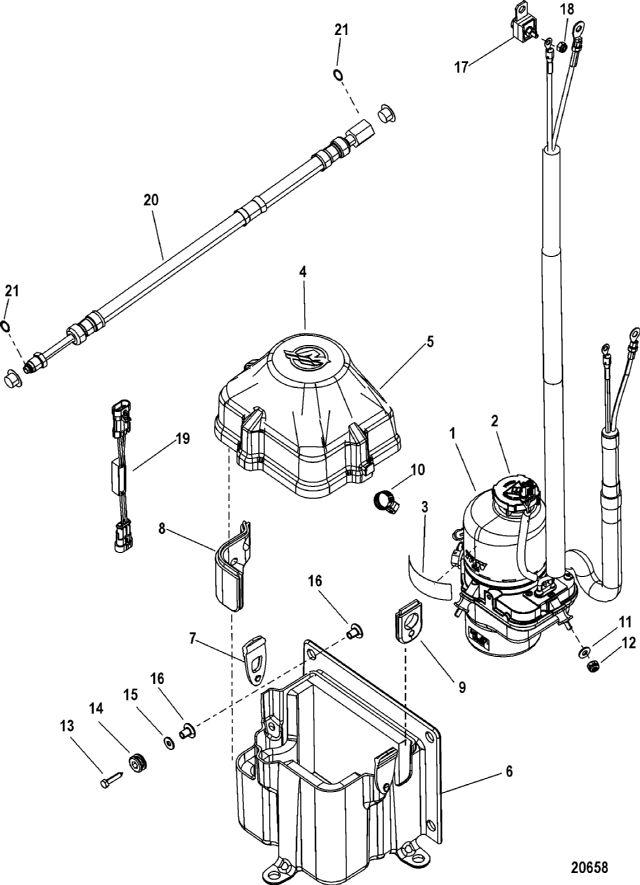
Pump Kit-Power Steering(8M0080200/8M0080201)
Pump Kit-Power Steering(8M0080200/8M0080201)
| № | Артикул | Наименование | Деталей в узле | Комментарий | Цена | |
| 1 | NSS | Не продается по отдельности, насос | 1 | |||
| 2 | Крышка насоса | 1 | 2210 руб. | |||
| 3 | NSS | Не продается по отдельности, наклейка - тип жидкости | 1 | |||
| 4 | крышка насоса рулевого управления в сборе | 1 | (Complete Enclosure Assembly fits all versions) | цена по запросу | ||
| 5 | верхняя крышка насоса рулевого управления в сборе | 1 | 6530 руб. | |||
| 6 | нижняя крышка насоса рулевого управления в сборе | 1 | цена по запросу | |||
| 7 | прижимная пластина | 2 | 210 руб. | |||
| 8 | резиновая втулка | 1 | 1250 руб. | |||
| 9 | резиновая втулка | 1 | 260 руб. | |||
| 10 | CLAMP, Worm Gear (11-18 mm) | 1 | цена по запросу | |||
| 11 | шайба | 3 | цена по запросу | |||
| 12 | Гайка (М6), нержавеющая сталь | 3 | 340 руб. | |||
| 13 | винт (М6) | 4 | 210 руб. | |||
| 14 | резиновая втулка | 4 | 500 руб. | |||
| 15 | шайба | 4 | цена по запросу | |||
| 16 | вкладыш | 4 | 710 руб. | |||
| 17 | плавкий предохранитель в сборе, 90 ампер | 1 | 6200 руб. | |||
| 18 | NUT, (1/4-28X7/32) | 1 | цена по запросу | |||
| 19 | HARNESS ASSEMBLY, Signal Driver | 1 | 9620 руб. | |||
| 20 | Комплект аммортизационного шланга | 1 | 24830 руб. | |||
| 21 | уплотнительное кольцо (0.301 x 0.064) | 2 | 140 руб. | |||
| - | верхняя и нижняя крышки насоса рулевого управления в сборе | 1 | 14990 руб. | |||
| - | PUMP KIT, Power Steering (24 Feet) | 1 | цена по запросу | |||
| - | PUMP KIT, Power Steering (12 Feet) | 1 | цена по запросу | |||
| 1 | Art.: -NSS Не продается по отдельности, насос Деталей в узле: 1 2 | Art.: 892485003 Крышка насоса Деталей в узле: 1 3 | Art.: -NSS Не продается по отдельности, наклейка - тип жидкости Деталей в узле: 1 4 | Art.: 893364A05 крышка насоса рулевого управления в сборе ((Complete Enclosure Assembly fits all versions))Деталей в узле: 1 цена по запросу
5 | Art.: 893365T02 верхняя крышка насоса рулевого управления в сборе Деталей в узле: 1 6 | Art.: 8M0080707 нижняя крышка насоса рулевого управления в сборе Деталей в узле: 1 цена по запросу
7 | Art.: 889531 прижимная пластина Деталей в узле: 2 8 | Art.: 25-893368001 резиновая втулка Деталей в узле: 1 9 | Art.: 25-893369 резиновая втулка Деталей в узле: 1 10 | Art.: 54-815504105 CLAMP, Worm Gear (11-18 mm) Деталей в узле: 1 цена по запросу
11 | Art.: 12-4002316 шайба Деталей в узле: 3 цена по запросу
12 | Art.: 11-401366 Гайка (М6), нержавеющая сталь Деталей в узле: 3 13 | Art.: 10-895378 винт (М6) Деталей в узле: 4 14 | Art.: 25-895319 резиновая втулка Деталей в узле: 4 15 | Art.: 12-4002316 шайба Деталей в узле: 4 цена по запросу
16 | Art.: 23-895320F1 вкладыш Деталей в узле: 4 17 | Art.: 88-79023T92 плавкий предохранитель в сборе, 90 ампер Деталей в узле: 1 18 | Art.: 11-20184 NUT, (1/4-28X7/32) Деталей в узле: 1 цена по запросу
19 | Art.: 8M0026568 HARNESS ASSEMBLY, Signal Driver Деталей в узле: 1 20 | Art.: 32-897643A01 Комплект аммортизационного шланга Деталей в узле: 1 21 | Art.: 25-89879 уплотнительное кольцо (0.301 x 0.064) Деталей в узле: 2 |
