40/40 LIGHTNING XR/50
компоненты дистанционного управления
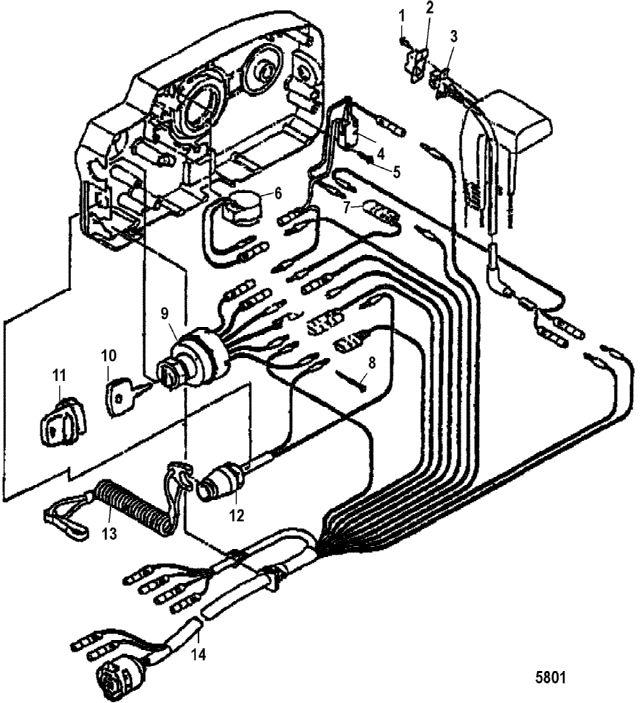
компоненты дистанционного управления
| № | Артикул | Наименование | Деталей в узле | Комментарий | Цена | |
| 1 | винт | 2 | 90 руб. | |||
| 2 | крышка переключателя | 1 | 760 руб. | |||
| 3 | SWITCH ASSEMBLY, Power Trim And Tilt | 1 | 10500 руб. | |||
| 4 | NEUTRAL SWITCH | 1 | 3010 руб. | |||
| 5 | винт | 2 | 80 руб. | |||
| 6 | зуммер перегрева | 1 | цена по запросу | |||
| 7 | кабель в сборе красный | 1 | 410 руб. | |||
| 8 | ленточный хомут (8") | 2 | 30 руб. | |||
| 9 | переключатель | 1 | 11010 руб. | |||
| 10 | шпонка | 1 | (#301) | 1860 руб. | ||
| 10 | шпонка | 1 | (#302) | 1860 руб. | ||
| 10 | шпонка | 1 | (#303) | 1860 руб. | ||
| 11 | крышка | 1 | 860 руб. | |||
| 12 | SAFETY SWITCH | 1 | 5280 руб. | |||
| 13 | шнур аварийного выключения двигателя | 1 | 2270 руб. | |||
| 14 | жгут проводов | 1 | цена по запросу | |||
| - | SINGLE REMOTE CONTROL | 1 | 124590 руб. | |||
| 1 | Art.: 10-8555446 винт Деталей в узле: 2 2 | Art.: 802995 крышка переключателя Деталей в узле: 1 3 | Art.: 87-802994A1 SWITCH ASSEMBLY, Power Trim And Tilt Деталей в узле: 1 4 | Art.: 87-802997A1 NEUTRAL SWITCH Деталей в узле: 1 5 | Art.: 10-8555447 винт Деталей в узле: 2 6 | Art.: 802996 зуммер перегрева Деталей в узле: 1 цена по запросу
7 | Art.: 84-802998A1 кабель в сборе красный Деталей в узле: 1 8 | Art.: 54-816311T ленточный хомут (8") Деталей в узле: 2 9 | Art.: 87-802988A1 переключатель Деталей в узле: 1 10 | Art.: 802989 шпонка ((#301))Деталей в узле: 1 10 | Art.: 8029891 шпонка ((#302))Деталей в узле: 1 10 | Art.: 8029892 шпонка ((#303))Деталей в узле: 1 11 | Art.: 802990 крышка Деталей в узле: 1 12 | Art.: 87-802992A1 SAFETY SWITCH Деталей в узле: 1 13 | Art.: шнур аварийного выключения двигателя Деталей в узле: 1 14 | Art.: жгут проводов Деталей в узле: 1 цена по запросу - | Art.: SINGLE REMOTE CONTROL Деталей в узле: 1 | ||||||||||||||||||
