135/150/175/200/XR6/MAGNUM III
катушка зажигания и регулятор напряжения
катушка зажигания и регулятор напряжения
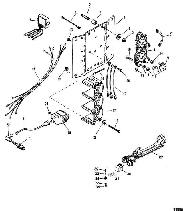
| № | Артикул | Наименование | Деталей в узле | Комментарий | Цена | |
| 1 | Крепежная пластина | 1 | снято с производства | |||
| 2 | шпилька | 4 | 790 руб. | |||
| 3 | вкладыш | 4 | 420 руб. | |||
| 4 | стопорная шайба (0.250), нержавеющая сталь | 4 | 90 руб. | |||
| 5 | гайка (0.250-28) | 4 | 230 руб. | |||
| 6 | Кабель в сборе | 1 | снято с производства | |||
| 7 | Регулятор напряжения | 2 | цена по запросу | |||
| 8 | соленоид в сборе | 1 | SN# 0G201874 & Below | цена по запросу | ||
| 9 | изолятор | 2 | SN# 0G201874 & Below | 630 руб. | ||
| 10 | винт (0.250-20 x 1.12) | 3 | SN# 0G201874 & Below | 240 руб. | ||
| 11 | Шпилька (0.273 x 0.437 x 0.031), нержавеющая сталь | 3 | SN# 0G201874 & Below | 200 руб. | ||
| 12 | гайка (.250-20) нержавеющая сталь | 3 | SN# 0G201874 & Below | цена по запросу | ||
| 13 | гайка (#8-32) латунь | 4 | SN# 0G201874 & Below | 200 руб. | ||
| 14 | гайка (0.250-20) латунь | 4 | SN# 0G201874 & Below | 180 руб. | ||
| 15 | жгут проводов в сборе (1,3,5) | 1 | 13410 руб. | |||
| 15 | жгут проводов в сборе (2,4,6) | 1 | 13380 руб. | |||
| 16 | ленточный хомут (8") | AR | 30 руб. | |||
| 17 | крышка | 2 | снято с производства | |||
| 18 | катушка зажигания в сборе | 6 | SN# 0G129221 & Below | цена по запросу | ||
| 18 | катушка зажигания в сборе | 6 | SN# 0G129222 & Up | цена по запросу | ||
| 19 | винт (#10-32 x 2.125) | 12 | снято с производства | |||
| 20 | гайка (#10-32) | 14 | цена по запросу | |||
| 21 | комплект кабеля зажигания | 1 | 17060 руб. | |||
| 22 | комплект клеммы и изолятора | 6 | 780 руб. | |||
| 23 | свеча зажигания (NGK-BU8H) | 6 | цена по запросу | |||
| 23 | свеча зажигания (NGK-BUZ8H - Канада/Бельгия) | 6 | цена по запросу | |||
| 24 | шайба (#10-32) латунь | 12 | 180 руб. | |||
| 25 | Кабель в сборе | 8 | SN# 0G201874 & Below | 950 руб. | ||
| 26 | винт (#10-32 x .500) нержавеющая сталь | 2 | 120 руб. | |||
| 27 | провод в сборе (2.750") | 1 | SN# 0G201874 & Below | снято с производства | ||
| 28 | Шайба (0.203 x 0.406 x 0.040) | 12 | 200 руб. | |||
| 29 | жгут проводов | 1 | SN# 0G201875 & Up | 25940 руб. | ||
| 30 | реле | 2 | SN# 0G201875 & Up | цена по запросу | ||
| 31 | кронштейн | 2 | SN# 0G201875 & Up | цена по запросу | ||
| 32 | винт (0.250-20 x 1.12) | 2 | SN# 0G201875 & Up | 240 руб. | ||
| 33 | вкладыш | 2 | SN# 0G201875 & Up | цена по запросу | ||
| 34 | резиновая втулка | 2 | SN# 0G201875 & Up | 350 руб. | ||
| 35 | Шпилька (0.273 x 0.437 x 0.031), нержавеющая сталь | 2 | SN# 0G201875 & Up | 200 руб. | ||
| 36 | гайка (.250-20) нержавеющая сталь | 2 | SN# 0G201875 & Up | цена по запросу | ||
| 1 | Art.: 195872 Крепежная пластина Деталей в узле: 1 снято с производства 2 | Art.: 16-33778 шпилька Деталей в узле: 4 3 | Art.: 23-19661 вкладыш Деталей в узле: 4 4 | Art.: 13-26992 стопорная шайба (0.250), нержавеющая сталь Деталей в узле: 4 5 | Art.: гайка (0.250-28) Деталей в узле: 4 6 | Art.: 84-88807A35 Кабель в сборе Деталей в узле: 1 снято с производства 7 | Регулятор напряжения Деталей в узле: 2 цена по запросу 8 | Art.: соленоид в сборе (SN# 0G201874 & Below)Деталей в узле: 1 цена по запросу
9 | Art.: 85-97861 изолятор (SN# 0G201874 & Below)Деталей в узле: 2 10 | Art.: винт (0.250-20 x 1.12) (SN# 0G201874 & Below)Деталей в узле: 3 11 | Art.: 12-35950 Шпилька (0.273 x 0.437 x 0.031), нержавеющая сталь (SN# 0G201874 & Below)Деталей в узле: 3 12 | Art.: 11-814101 гайка (.250-20) нержавеющая сталь (SN# 0G201874 & Below)Деталей в узле: 3 цена по запросу
13 | Art.: 11-26419 гайка (#8-32) латунь (SN# 0G201874 & Below)Деталей в узле: 4 14 | Art.: 11-94330 гайка (0.250-20) латунь (SN# 0G201874 & Below)Деталей в узле: 4 15 | Art.: 84-69739A6 жгут проводов в сборе (1,3,5) Деталей в узле: 1 15 | Art.: 84-69738A9 жгут проводов в сборе (2,4,6) Деталей в узле: 1 16 | Art.: ленточный хомут (8") Деталей в узле: AR 17 | Art.: 43542 крышка Деталей в узле: 2 снято с производства 18 | Art.: катушка зажигания в сборе (SN# 0G129221 & Below)Деталей в узле: 6 цена по запросу
18 | Art.: катушка зажигания в сборе (SN# 0G129222 & Up)Деталей в узле: 6 цена по запросу
19 | Art.: 10-90048 винт (#10-32 x 2.125) Деталей в узле: 12 снято с производства 20 | Art.: 11-90078 гайка (#10-32) Деталей в узле: 14 цена по запросу
21 | Art.: 84-813715A9 комплект кабеля зажигания Деталей в узле: 1 22 | Art.: 85-63709A1 комплект клеммы и изолятора Деталей в узле: 6 23 | Art.: свеча зажигания (NGK-BU8H) Деталей в узле: 6 цена по запросу
23 | Art.: 33-14103568 свеча зажигания (NGK-BUZ8H - Канада/Бельгия) Деталей в узле: 6 цена по запросу
24 | Art.: 11-45076 шайба (#10-32) латунь Деталей в узле: 12 25 | Art.: 84-88807A13 Кабель в сборе (SN# 0G201874 & Below)Деталей в узле: 8 26 | Art.: 10-69022 винт (#10-32 x .500) нержавеющая сталь Деталей в узле: 2 27 | Art.: 84-87379A14 провод в сборе (2.750") (SN# 0G201874 & Below)Деталей в узле: 1 снято с производства 28 | Art.: 12-89302 Шайба (0.203 x 0.406 x 0.040) Деталей в узле: 12 29 | Art.: 84-826802A4 жгут проводов (SN# 0G201875 & Up)Деталей в узле: 1 30 | реле (SN# 0G201875 & Up)Деталей в узле: 2 цена по запросу
31 | Art.: 828102 кронштейн (SN# 0G201875 & Up)Деталей в узле: 2 цена по запросу
32 | Art.: винт (0.250-20 x 1.12) (SN# 0G201875 & Up)Деталей в узле: 2 |
