FORCE 125 H.P.
стартер (Prestolite)
стартер (Prestolite)
| № | Артикул | Наименование | Деталей в узле | Комментарий | Цена | |
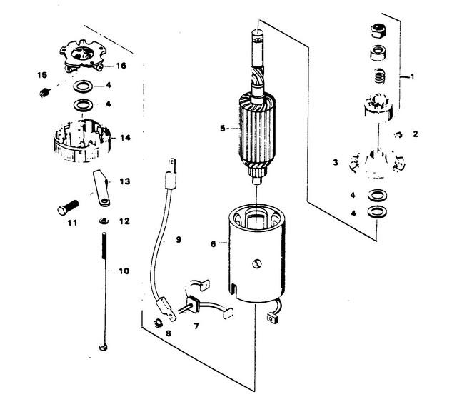
| 1 | BENDIX DRIVE ASSEMBLY | 1 | снято с производства | |||
| 2 | LOCK NUT, 1/4 - 28 | 2 | цена по запросу | |||
| 3 | HEAD ASSEMBLY, DRIVE END | 1 | снято с производства | |||
| 4 | THRUST WASHER PACKAGE | 1 | снято с производства | |||
| 5 | сердечник | 1 | снято с производства | |||
| 6 | FRAME AND FIELD ASSEMBLY | 1 | снято с производства | |||
| 7 | BRUSH AND TERMINAL SET | 1 | цена по запросу | |||
| 8 | HEX LOCK NUT, 1/4 - 20 | 1 | снято с производства | |||
| 9 | STARTER LEAD WIRE | 1 | цена по запросу | |||
| 10 | THRU BOLT PACKAGE | 1 | снято с производства | |||
| 11 | HEX CAP SCREW, 1/4 - 20 X 5/8 | 1 | снято с производства | |||
| 12 | PLAIN WASHER | 2 | цена по запросу | |||
| 13 | STARTER BRACKET, LOWER | 1 | снято с производства | |||
| 14 | HEAD ASSEMBLY, COMMUTATOR END | 1 | снято с производства | |||
| 15 | Набор пружин | 1 | цена по запросу | |||
| 16 | BRUSH PLATE AND HOLDER ASSEMBLY | 1 | снято с производства | |||
| - | STARTER, COMPLETE. | 1 | INCLUDES ALL ITEMS MARKED WITH AN ASTERISK (*). | снято с производства | ||
| - | DECAL, STARTER - CANADA (NOT SHOWN) | 1 | снято с производства | |||
| 1 | Art.: F15118 BENDIX DRIVE ASSEMBLY Деталей в узле: 1 снято с производства 2 | Art.: LOCK NUT, 1/4 - 28 Деталей в узле: 2 цена по запросу 3 | Art.: F15167 HEAD ASSEMBLY, DRIVE END Деталей в узле: 1 снято с производства 4 | Art.: F15126 THRUST WASHER PACKAGE Деталей в узле: 1 снято с производства 5 | Art.: F15099 сердечник Деталей в узле: 1 снято с производства 6 | Art.: F15166 FRAME AND FIELD ASSEMBLY Деталей в узле: 1 снято с производства 7 | Art.: BRUSH AND TERMINAL SET Деталей в узле: 1 цена по запросу 8 | Art.: F15162 HEX LOCK NUT, 1/4 - 20 Деталей в узле: 1 снято с производства 9 | Art.: STARTER LEAD WIRE Деталей в узле: 1 цена по запросу 10 | Art.: F15168 THRU BOLT PACKAGE Деталей в узле: 1 снято с производства 11 | Art.: F1922 HEX CAP SCREW, 1/4 - 20 X 5/8 Деталей в узле: 1 снято с производства 12 | Art.: PLAIN WASHER Деталей в узле: 2 |
