REMOTE CONTROL SYSTEMS AND COMPONENTS
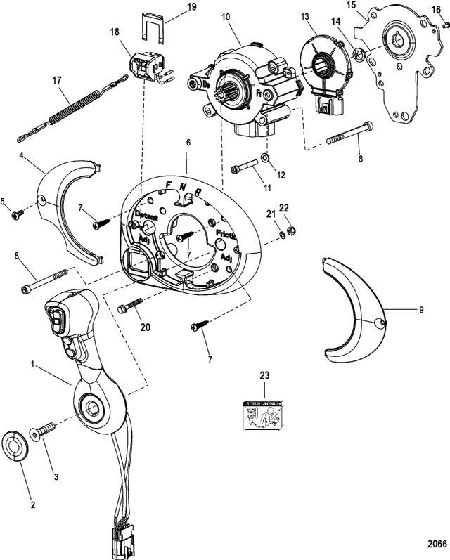
Remote Control-DTS, Panel Mount (883465A1)
Remote Control-DTS, Panel Mount (883465A1)
| № | Артикул | Наименование | Деталей в узле | Комментарий | Цена | |
| 1 | Рукоятка в сборе | 1 | (Panel Mount-Chrome) | снято с производства | ||
| 2 | EMBLEM, Mercury | 1 | 380 руб. | |||
| 3 | Винт (M8 x 30) | 1 | 470 руб. | |||
| 4 | COVER, (Dark Grey), Front | 1 | 680 руб. | |||
| 5 | SCREW, (40 X 12 MM WN 145) | 2 | цена по запросу | |||
| 6 | BEZEL | 1 | (Panel Mount) | снято с производства | ||
| 7 | SCREW, (#12 x 1.25) | 3 | цена по запросу | |||
| 8 | винт (M6 x 1) | 4 | 1140 руб. | |||
| 9 | COVER, (Dark Grey), Front | 1 | 530 руб. | |||
| 10 | MODULE ASSEMBLY, Shift and Throttle, Housing | 1 | 31850 руб. | |||
| 11 | винт (M6 x 45) | 1 | 1620 руб. | |||
| 12 | WASHER, (6.60 X 12.5 X 1.5 mm -SS) | 1 | 90 руб. | |||
| 13 | SENSOR, Throttle/Shift | 1 | 24460 руб. | |||
| 14 | NYLINER, Flanged | 1 | 660 руб. | |||
| 15 | NSS  | Не продается по отдельности, пластина | 1 | |||
| 16 | Винт (M4 x 10) | 2 | 500 руб. | |||
| 17 | шнур аварийного выключения двигателя в сборе | 1 | (Quicksilver Brand) | снято с производства | ||
| 17 | шнур аварийного выключения двигателя в сборе | 1 | (Mercury Brand) | снято с производства | ||
| 18 | SWITCH ASSEMBLY, Stop, Lanyard | 1 | 5230 руб. | |||
| 19 | латунный фиксатор | 1 | 640 руб. | |||
| - | REMOTE CONTROL, Panel Mount-Chrome | 1 | снято с производства | |||
| - | HARNESS ASSEMBLY, Command Module-Panel Mount | 1 | 22590 руб. | |||
| 1 | Art.: 883463A02 Рукоятка в сборе  ((Panel Mount-Chrome))Деталей в узле: 1 снято с производства 2 | Art.: 37-883467 EMBLEM, Mercury Деталей в узле: 1 3 | Art.:  Винт (M8 x 30) Деталей в узле: 1 4 | Art.: 858681 COVER, (Dark Grey), Front Деталей в узле: 1 5 | Art.: 10-858660 SCREW, (40 X 12 MM WN 145) Деталей в узле: 2 цена по запросу 
										6 | Art.: 883468T BEZEL  ((Panel Mount))Деталей в узле: 1 снято с производства 7 | Art.: 10-884543 SCREW, (#12 x 1.25) Деталей в узле: 3 цена по запросу 
										8 | Art.:  винт (M6 x 1) Деталей в узле: 4 9 | Art.: 858682 COVER, (Dark Grey), Front Деталей в узле: 1 10 | Art.: 877724A02 MODULE ASSEMBLY, Shift and Throttle, Housing Деталей в узле: 1 11 | Art.: 10-4008845 винт (M6 x 45) Деталей в узле: 1 12 | Art.: 12-4002315 WASHER, (6.60 X 12.5 X 1.5 mm -SS) Деталей в узле: 1 13 | Art.: 82-877736 SENSOR, Throttle/Shift Деталей в узле: 1 14 | Art.: 23-877771 NYLINER, Flanged Деталей в узле: 1 15 | Art.: -NSS Не продается по отдельности, пластина Деталей в узле: 1 16 | Art.: 10-87775510 Винт (M4 x 10) Деталей в узле: 2 17 | Art.: 15920Q54 шнур аварийного выключения двигателя в сборе  ((Quicksilver Brand))Деталей в узле: 1 снято с производства 17 | Art.: 15920T54 шнур аварийного выключения двигателя в сборе  ((Mercury Brand))Деталей в узле: 1 снято с производства 18 | Art.: 87-133982 SWITCH ASSEMBLY, Stop, Lanyard Деталей в узле: 1 19 | Art.:  латунный фиксатор Деталей в узле: 1 - | Art.: 883465A1 REMOTE CONTROL, Panel Mount-Chrome Деталей в узле: 1 снято с производства - | Art.: 84-891926A01 HARNESS ASSEMBLY, Command Module-Panel Mount Деталей в узле: 1  | |||||||||||||||||||||||
