30/40 (2 CYLINDER) 2-STROKE
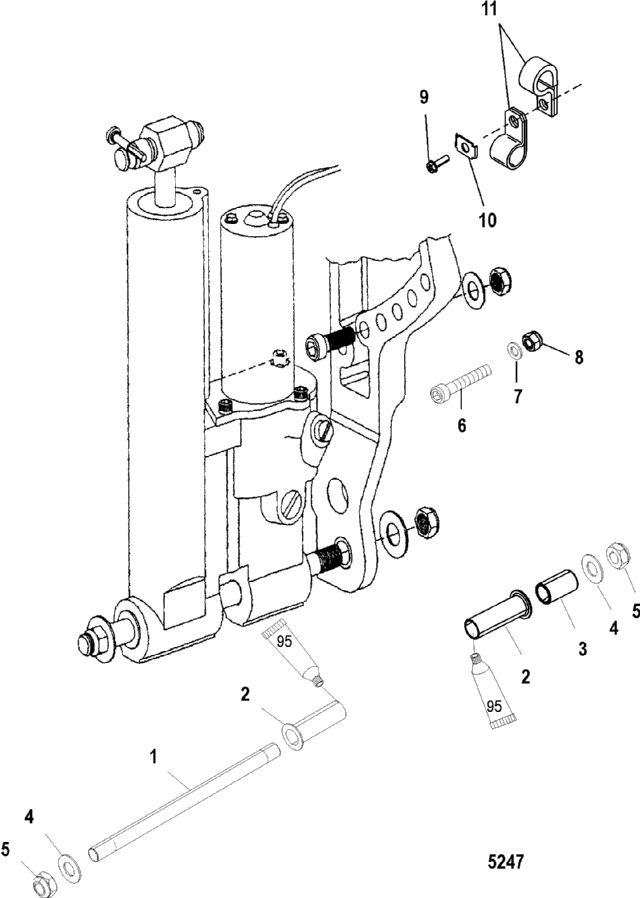
крепление механизма гидроподъема Power Trim
крепление механизма гидроподъема Power Trim
| № | Артикул | Наименование | Деталей в узле | Комментарий | Цена | |
| 1 | PIN, Anchor (14 mm) | 1 | 10810 руб. | |||
| 2 | вкладыш | 2 | 2350 руб. | |||
| 3 | вкладыш | 2 | 2860 руб. | |||
| 4 | шайба | 2 | 450 руб. | |||
| 5 | гайка | 2 | 960 руб. | |||
| 6 | винт (M10 x 40) нержавеющая сталь | 2 | 1650 руб. | |||
| 7 | шайба | 2 | 310 руб. | |||
| 8 | Гайка (М10) | 2 | 280 руб. | |||
| 9 | Винт (#10-16 x 0.600) | 1 | 270 руб. | |||
| 10 | С-образная шайба | 1 | 130 руб. | |||
| 11 | зажим | 2 | 510 руб. | |||
| 1 | Art.: PIN, Anchor (14 mm) Деталей в узле: 1 2 | Art.: 23-822482 вкладыш Деталей в узле: 2 3 | Art.: 23-822484 вкладыш Деталей в узле: 2 4 | Art.: 12-825190 шайба Деталей в узле: 2 5 | Art.: 11-826712 гайка Деталей в узле: 2 6 | Art.: 10-4009040 винт (M10 x 40) нержавеющая сталь Деталей в узле: 2 7 | Art.: 12-4002319 шайба Деталей в узле: 2 |
