30/40 (2 CYLINDER) 2-STROKE
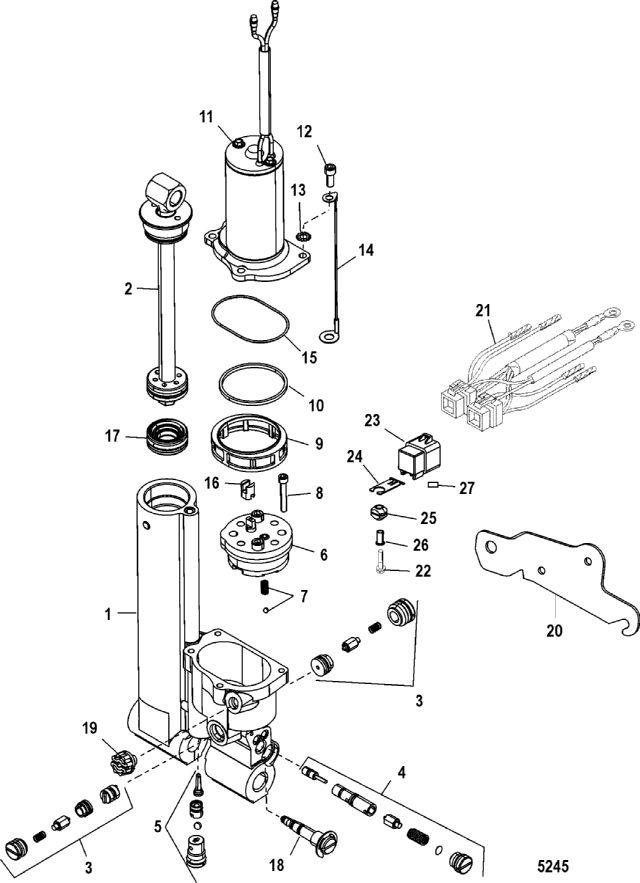
механизм гидроподъема Power Trim
механизм гидроподъема Power Trim
| № | Артикул | Наименование | Деталей в узле | Комментарий | Цена | |
| 1 | механизм гидроподъема Power Trim в сборе | 1 | 252270 руб. | |||
| 2 | поршень-аммортизатор в сборе | 1 | 129030 руб. | |||
| 3 | Пилот-затвор в сборе | 1 | 18630 руб. | |||
| 4 | клапан-предохранитель от ударных нагрузок | 1 | 28690 руб. | |||
| 5 | SEAT ASSEMBLY, Suction | 1 | 19530 руб. | |||
| 6 | Насос в сборе | 1 | 48760 руб. | |||
| 7 | NSS | NOT SOLD SEPARATE, Ball and Spring | 1 | |||
| 8 | NSS | Не продается по отдельности, винт | 1 | |||
| 9 | NSS | не продается по отдельности, фильтр | 1 | |||
| 10 | NSS | Не продается по отдельности, уплотнительное кольцо | 1 | |||
| 11 | Мотор в сборе | 1 | 66430 руб. | |||
| 12 | NSS | Не продается по отдельности, винт | 4 | |||
| 13 | NSS | Не продается по отдельности, шайба | 4 | |||
| 14 | Кабель в сборе | 1 | 920 руб. | |||
| 15 | NSS | Не продается по отдельности, уплотнительное кольцо | 1 | |||
| 16 | NSS | не продается по отдельности, муфта | 1 | |||
| 17 | PISTON, Memory | 1 | 10330 руб. | |||
| 18 | Ручной клапан блокировки гидросистемы | 1 | 7570 руб. | |||
| 19 | пробка в сборе | 1 | 3610 руб. | |||
| 20 | кронштейн | 1 | 6590 руб. | |||
| 21 | HARNESS ASSEMBLY, Trim, Trim | 1 | 11510 руб. | |||
| 22 | винт (M6 x 25 мм) | 2 | 340 руб. | |||
| 23 | реле в сборе | 2 | цена по запросу | |||
| 24 | кронштейн | 2 | цена по запросу | |||
| 25 | резиновая втулка | 2 | 350 руб. | |||
| 26 | вкладыш | 2 | цена по запросу | |||
| 27 | NSS | не продается по отдельности, наклейка - реле трима | 2 | |||
| - | комплект уплотнительных колец | 1 | 18900 руб. | |||
| 1 | механизм гидроподъема Power Trim в сборе Деталей в узле: 1 2 | Art.: поршень-аммортизатор в сборе Деталей в узле: 1 3 | Art.: 827671A1 Пилот-затвор в сборе Деталей в узле: 1 4 | Art.: 827672A1 клапан-предохранитель от ударных нагрузок Деталей в узле: 1 5 | Art.: 827673A1 SEAT ASSEMBLY, Suction Деталей в узле: 1 6 | Art.: 827674A1 Насос в сборе Деталей в узле: 1 7 | Art.: -NSS NOT SOLD SEPARATE, Ball and Spring Деталей в узле: 1 8 | Art.: -NSS Не продается по отдельности, винт Деталей в узле: 1 9 | Art.: -NSS не продается по отдельности, фильтр Деталей в узле: 1 10 | Art.: -NSS Не продается по отдельности, уплотнительное кольцо Деталей в узле: 1 11 | Art.: 827675A1 Мотор в сборе Деталей в узле: 1 12 | Art.: -NSS Не продается по отдельности, винт Деталей в узле: 4 13 | Art.: -NSS Не продается по отдельности, шайба Деталей в узле: 4 14 | Art.: 88238A15 Кабель в сборе Деталей в узле: 1 15 | Art.: -NSS Не продается по отдельности, уплотнительное кольцо Деталей в узле: 1 16 | Art.: -NSS не продается по отдельности, муфта Деталей в узле: 1 17 | Art.: 827676 PISTON, Memory Деталей в узле: 1 18 | Art.: Ручной клапан блокировки гидросистемы Деталей в узле: 1 19 | Art.: 19-811613 пробка в сборе Деталей в узле: 1 20 | Art.: 830238T кронштейн Деталей в узле: 1 21 | Art.: 84-826802A9 HARNESS ASSEMBLY, Trim, Trim Деталей в узле: 1 22 | Art.: 10-82129125 винт (M6 x 25 мм) Деталей в узле: 2 23 | Art.: реле в сборе Деталей в узле: 2 цена по запросу
24 | Art.: 828102 кронштейн Деталей в узле: 2 цена по запросу
25 | Art.: 25-818967 резиновая втулка Деталей в узле: 2 26 | Art.: 23-818968 вкладыш Деталей в узле: 2 цена по запросу
27 | Art.: -NSS не продается по отдельности, наклейка - реле трима Деталей в узле: 2 - | Art.: 25-827668A1 комплект уплотнительных колец Деталей в узле: 1 | |||||||||||||||||||||||||||||
