135/150/175 DFI - 2.5L
корпус редуктора, вал гребного винта - стандартное вращение
корпус редуктора, вал гребного винта - стандартное вращение
| № | Артикул | Наименование | Деталей в узле | Комментарий | Цена | |
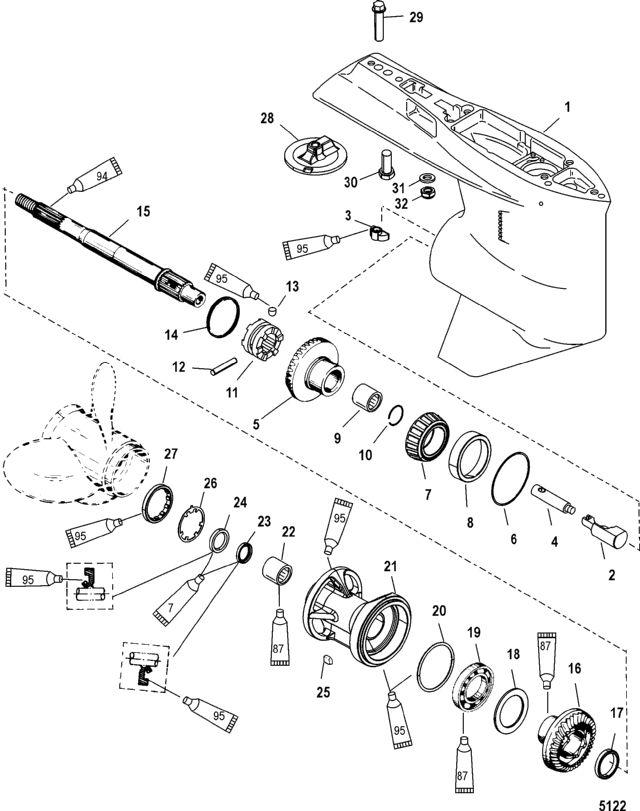
| 1 | Корпус редуктора в сборе | 1 | 223790 руб. | |||
| 2 | FOLLOWER ASSEMBLY | 1 | 35000 руб. | |||
| 3 | кулачок механизма переключения передач | 1 | 1490 руб. | |||
| 4 | тяга | 1 | 8500 руб. | |||
| 5 | ведущая шестерня переднего хода в сборе | 1 | 2:1 Gear Ratio | цена по запросу | ||
| 5 | ведущая шестерня переднего хода в сборе | 1 | 1.87:1 Gear Ratio | 72590 руб. | ||
| 6 | набор регулировочных прокладок | AR | снято с производства | |||
| 7 | конический роликовый подщипник в сборе | 1 | 11130 руб. | |||
| 8 | NSS | ке продается по отдельности, крышка | 1 | |||
| 9 | Игольчатый подшипник | 1 | 2960 руб. | |||
| 10 | стопорное кольцо | 1 | 1250 руб. | |||
| 11 | муфта сцепления | 1 | 42870 руб. | |||
| 12 | поперечный штифт | 1 | цена по запросу | |||
| 13 | стопорный штифт | 1 | 1140 руб. | |||
| 14 | Пружина | 1 | 300 руб. | |||
| 15 | вал гребного винта | 1 | 108890 руб. | |||
| 16 | GEAR ASSEMBLY, Reverse - 14/28 | 1 | 2:1 Gear Ratio | 84350 руб. | ||
| 16 | GEAR ASSEMBLY, Reverse - 15/28 | 1 | 1.87:1 Gear Ratio | 66560 руб. | ||
| 17 | проставка | 1 | 450 руб. | |||
| 18 | упорное кольцо | 1 | 1830 руб. | |||
| 19 | Шариковый подшипник | 1 | 8240 руб. | |||
| 20 | уплотнительное кольцо | 1 | цена по запросу | |||
| 21 | подшипник опоры в сборе | 1 | 35790 руб. | |||
| 22 | Игольчатый подшипник | 1 | 3780 руб. | |||
| 23 | сальник внутренний | 1 | 2640 руб. | |||
| 24 | SEAL, Outside | 1 | 2580 руб. | |||
| 25 | шпонка | 1 | 290 руб. | |||
| 26 | стопорная шайба | 1 | 1580 руб. | |||
| 27 | фиксатор | 1 | цена по запросу | |||
| 28 | комплект анода | AR | Aluminum-Quicksilver Branded | 3100 руб. | ||
| 28 | комплект анода | AR | Aluminum- Mercury Branded | 3100 руб. | ||
| 28 | комплект анода | AR | Magneseum | 5050 руб. | ||
| 28 | анод | 1 | Aluminum | 3100 руб. | ||
| 29 | винт (0.437-14 x 1.750) | 1 | цена по запросу | |||
| 30 | винт (0.375-16 x 1.00) | 1 | 270 руб. | |||
| 31 | шайба (0.453 x 0.812 x 0.105) нержавеющая сталь | 2 | 160 руб. | |||
| 32 | гайка (0.437-20) нержавеющая сталь | 2 | цена по запросу | |||
| - | Уплотнительный комплект | 1 | 11290 руб. | |||
| - | FOLLOWER ASSEMBLY, Clutch/Cam | 1 | 49120 руб. | |||
| - | BEARING AND SEAL KIT, Without Foward Bearing | 1 | 61600 руб. | |||
| - | ведущая шестерня переднего хода в сборе | 1 | 72590 руб. | |||
| - | NOT SHOWN, See Accessory Guide-Propellers-For Appropriate Hardware. (Thrust Washers/Nuts) | 1 | ||||
| - | GEAR HOUSING ASSEMBLY, Complete (4.75 Inch/120.65 mm Torpedo Diameter) | 1 | Long- 1.87:1 | 411290 руб. | ||
| - | GEAR HOUSING ASSEMBLY, Complete (4.75 Inch/120.65 mm Torpedo Diameter) | 1 | X-Long - 1.87:1 | 411290 руб. | ||
| - | GEAR HOUSING ASSEMBLY, Complete (4.75 Inch/120.65 mm Torpedo Diameter) | 1 | Long - 2:1 | 411290 руб. | ||
| - | GEAR HOUSING ASSEMBLY, Complete (4.75 Inch/120.65 mm Torpedo Diameter) | 1 | X-Long - 2:1 | 411290 руб. | ||
| - | Набор прокладок двигателя | 1 | 32390 руб. | |||
| 1 | Art.: 1647-9148T93 Корпус редуктора в сборе Деталей в узле: 1 2 | Art.: 89594A1 FOLLOWER ASSEMBLY Деталей в узле: 1 3 | Art.: 789562 кулачок механизма переключения передач Деталей в узле: 1 4 | Art.: 828287 тяга Деталей в узле: 1 5 | Art.: 43-803612T2 ведущая шестерня переднего хода в сборе (2:1 Gear Ratio)Деталей в узле: 1 цена по запросу
5 | Art.: 43-803615T2 ведущая шестерня переднего хода в сборе (1.87:1 Gear Ratio)Деталей в узле: 1 6 | Art.: 15-44491A1 набор регулировочных прокладок Деталей в узле: AR снято с производства 7 | Art.: 31-30894A1 конический роликовый подщипник в сборе Деталей в узле: 1 8 | Art.: -NSS ке продается по отдельности, крышка Деталей в узле: 1 9 | Art.: 31-30895T Игольчатый подшипник Деталей в узле: 1 10 | Art.: 53-856823 стопорное кольцо Деталей в узле: 1 11 | Art.: 52-859340T муфта сцепления Деталей в узле: 1 12 | поперечный штифт Деталей в узле: 1 цена по запросу 13 | Art.: 17-828356 стопорный штифт Деталей в узле: 1 14 | Art.: 24-30893 Пружина Деталей в узле: 1 15 | Art.: 44-94148 вал гребного винта Деталей в узле: 1 16 | Art.: 43-828177A1 GEAR ASSEMBLY, Reverse - 14/28 (2:1 Gear Ratio)Деталей в узле: 1 16 | Art.: 43-828175A1 GEAR ASSEMBLY, Reverse - 15/28 (1.87:1 Gear Ratio)Деталей в узле: 1 17 | Art.: 23-824108 проставка Деталей в узле: 1 18 | Art.: 681001 упорное кольцо Деталей в узле: 1 19 | Art.: 30-88957T Шариковый подшипник Деталей в узле: 1 20 | Art.: 25-31534 уплотнительное кольцо Деталей в узле: 1 цена по запросу
21 | Art.: 43567T1 подшипник опоры в сборе Деталей в узле: 1 22 | Art.: 31-30956T Игольчатый подшипник Деталей в узле: 1 23 | Art.: 26-14077 сальник внутренний Деталей в узле: 1 24 | Art.: SEAL, Outside Деталей в узле: 1 25 | Art.: 28-30281 шпонка Деталей в узле: 1 26 | Art.: 14-79447 стопорная шайба Деталей в узле: 1 27 | Art.: фиксатор Деталей в узле: 1 цена по запросу
28 | Art.: 76214Q5 комплект анода (Aluminum-Quicksilver Branded)Деталей в узле: AR 28 | Art.: 76214T5 комплект анода (Aluminum- Mercury Branded)Деталей в узле: AR 28 | Art.: 76214A6 комплект анода (Magneseum)Деталей в узле: AR 28 | Art.: анод (Aluminum)Деталей в узле: 1 29 | Art.: 10-806327 винт (0.437-14 x 1.750) Деталей в узле: 1 цена по запросу
30 | Art.: 10-65210 винт (0.375-16 x 1.00) Деталей в узле: 1 31 | Art.: 12-45176 шайба (0.453 x 0.812 x 0.105) нержавеющая сталь Деталей в узле: 2 32 | Art.: 11-34933 гайка (0.437-20) нержавеющая сталь Деталей в узле: 2 цена по запросу
- | Art.: 26-89238A2 Уплотнительный комплект Деталей в узле: 1 - | Art.: 52-803491T1 FOLLOWER ASSEMBLY, Clutch/Cam Деталей в узле: 1 - | Art.: 31-803033T1 BEARING AND SEAL KIT, Without Foward Bearing Деталей в узле: 1 - | Art.: 43-803615T2 ведущая шестерня переднего хода в сборе Деталей в узле: 1 - | Art.: -NS NOT SHOWN, See Accessory Guide-Propellers-For Appropriate Hardware. (Thrust Washers/Nuts) Деталей в узле: 1 - | Art.: 1647-9148T84 GEAR HOUSING ASSEMBLY, Complete (4.75 Inch/120.65 mm Torpedo Diameter) (Long- 1.87:1)Деталей в узле: 1 - | Art.: 1647-9148T85 GEAR HOUSING ASSEMBLY, Complete (4.75 Inch/120.65 mm Torpedo Diameter) (X-Long - 1.87:1)Деталей в узле: 1 - | Art.: 1647-9148T81 GEAR HOUSING ASSEMBLY, Complete (4.75 Inch/120.65 mm Torpedo Diameter) (Long - 2:1)Деталей в узле: 1 - | Art.: 1647-9148T82 GEAR HOUSING ASSEMBLY, Complete (4.75 Inch/120.65 mm Torpedo Diameter) (X-Long - 2:1)Деталей в узле: 1 - | Art.: Набор прокладок двигателя Деталей в узле: 1 | ||||||||||||||||||||||||||||||||||||||||||||||||
