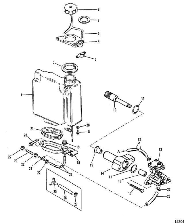
100 / 115 HP (4 CYLINDER)
Компоненты впрыска масла
Компоненты впрыска масла
| № | Артикул | Наименование | Деталей в узле | Комментарий | Цена | |
| 1 | масляный бак в сборе | 1 | 16520 руб. | |||
| 2 | BOOT, Upper | 1 | 960 руб. | |||
| 3 | No Longer Available, Cover, Old Design | 1 | ||||
| 4 | верхний кронштейн | 1 | снято с производства | |||
| 5 | Винт (М6 х 30), нержавеющая сталь | 2 | 770 руб. | |||
| 6 | Крышка в сборе | 1 | цена по запросу | |||
| 7 | Прокладка | 1 | 750 руб. | |||
| 8 | SCREW, (#8-18 x .310) | 1 | 120 руб. | |||
| 9 | переключатель в сборе | 1 | 4450 руб. | |||
| 10 | ведомая шестерня | 1 | цена по запросу | |||
| 11 | уплотнительное кольцо | 2 | цена по запросу | |||
| 12 | труба (8") | 1 | (A = To Fuel Pump) | цена по запросу | ||
| 13 | Масляный насос | 1 | 53840 руб. | |||
| 14 | Переходник в сборе | 1 | 7710 руб. | |||
| 15 | вкладыш | 1 | 840 руб. | |||
| 16 | вкладыш | 1 | 340 руб. | |||
| 17 | винт | 2 | 260 руб. | |||
| 18 | BRACKET, Oil Tank Base | 1 | снято с производства | |||
| 19 | резиновая втулка | 1 | снято с производства | |||
| 20 | винт (M8 x 50) нержавеющая сталь | 2 | цена по запросу | |||
| 21 | защитный чехол | 1 | снято с производства | |||
| 22 | ленточный хомут (8") | AR | 40 руб. | |||
| 22 | ленточный хомут (5 1/2") | AR | цена по запросу | |||
| 23 | TUBING, Use With Reference Number 25 | 2 | цена по запросу | |||
| 23 | TUBING, Use With Reference Number 24 | 3 | цена по запросу | |||
| 24 | Тройник пластиковый | 1 | 450 руб. | |||
| 25 | FITTING, Three Hole | 1 | снято с производства | |||
| 26 | TUBING, (14.50 Inches Bulk), Use With Reference Number 25 | 1 | снято с производства | |||
| 27 | CLAMP, Use With Reference Number 25 | 2 | 590 руб. | |||
| 28 | шайба (0.203 x 0.500 x 0.032) | 1 | цена по запросу | |||
| 1 | Art.: 1256-8628A7 масляный бак в сборе Деталей в узле: 1 2 | Art.: BOOT, Upper Деталей в узле: 1 3 | Art.: -NLA No Longer Available, Cover, Old Design Деталей в узле: 1 4 | Art.: верхний кронштейн Деталей в узле: 1 снято с производства 5 | Art.: 10-4010630 Винт (М6 х 30), нержавеющая сталь Деталей в узле: 2 6 | Art.: 36-42653A3 Крышка в сборе Деталей в узле: 1 цена по запросу
7 | Art.: Прокладка Деталей в узле: 1 8 | Art.: 10-12896 SCREW, (#8-18 x .310) Деталей в узле: 1 9 | Art.: переключатель в сборе Деталей в узле: 1 10 | Art.: 43-430204 ведомая шестерня Деталей в узле: 1 цена по запросу
11 | Art.: 25-62705 уплотнительное кольцо Деталей в узле: 2 цена по запросу
12 | труба (8") ((A = To Fuel Pump))Деталей в узле: 1 цена по запросу 13 | Масляный насос Деталей в узле: 1 14 | Art.: 17335A3 Переходник в сборе Деталей в узле: 1 15 | Art.: 23-17597 вкладыш Деталей в узле: 1 16 | Art.: 23-17596 вкладыш Деталей в узле: 1 17 | Art.: винт Деталей в узле: 2 18 | Art.: 42888 BRACKET, Oil Tank Base Деталей в узле: 1 снято с производства 19 | Art.: 25-56291 резиновая втулка Деталей в узле: 1 снято с производства 20 | Art.: 10-82155050 винт (M8 x 50) нержавеющая сталь Деталей в узле: 2 цена по запросу
21 | Art.: 99161 защитный чехол Деталей в узле: 1 снято с производства 22 | Art.: ленточный хомут (8") Деталей в узле: AR 22 | Art.: 69355 ленточный хомут (5 1/2") Деталей в узле: AR цена по запросу
23 | TUBING, Use With Reference Number 25 Деталей в узле: 2 цена по запросу 23 | TUBING, Use With Reference Number 24 Деталей в узле: 3 цена по запросу 24 | Art.: 22-73318 Тройник пластиковый Деталей в узле: 1 25 | Art.: 22-44456 FITTING, Three Hole Деталей в узле: 1 снято с производства 26 | Art.: 32-9004934 TUBING, (14.50 Inches Bulk), Use With Reference Number 25 Деталей в узле: 1 |
