REMOTE CONTROL SYSTEMS AND COMPONENTS
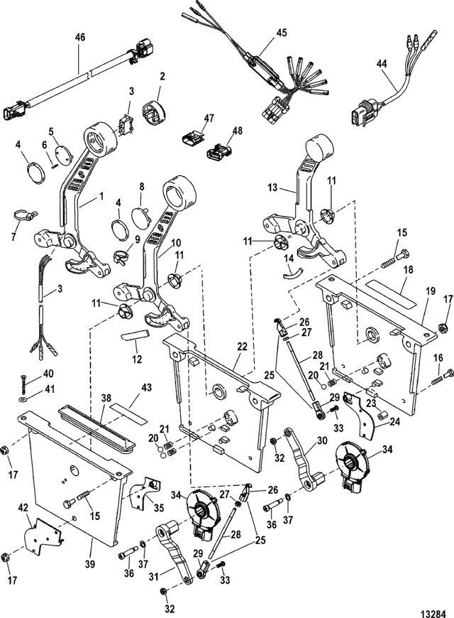
Zero Effort Control-DTS (1/2/3 Lever)
Zero Effort Control-DTS (1/2/3 Lever)
| № | Артикул | Наименование | Деталей в узле | Комментарий | Цена | |
| 1 | LEVER ASSEMBLY, Throttle (Black) With Switch, Starboard - Forward | 1 | цена по запросу | |||
| 1 | LEVER ASSEMBLY, Throttle (White) With Switch, Starboard - Forward | 1 | цена по запросу | |||
| 1 | LEVER ASSEMBLY, Throttle (Black) With Switch, Starboard - AFT | 1 | цена по запросу | |||
| 1 | LEVER ASSEMBLY, Throttle (White) With Switch, Starboard - AFT | 1 | цена по запросу | |||
| 2 | SWITCH, Trim Switch | 1 | 3720 руб. | |||
| 3 | SWITCH ASSEMBLY, TRIM | 1 | 7130 руб. | |||
| 3 | комплект переключателя трима | 1 | 8610 руб. | |||
| 4 | EMBLEM, Throttle Lever (Self Adhesive) | 1 | 4930 руб. | |||
| 5 | BACKPLATE, Switch Block | 1 | 2990 руб. | |||
| 6 | SCREW, (#4 x .620) | 2 | 60 руб. | |||
| 7 | TIE STRAP, (7.50 Inches) | 1 | 230 руб. | |||
| 8 | INSERT, Locking - Throttle Lever | 2 | 420 руб. | |||
| 9 | ленточный хомут (5 1/2") | 1 | цена по запросу | |||
| 10 | LEVER, Throttle - Black | 1 | цена по запросу | |||
| 10 | LEVER, Throttle - White | 1 | цена по запросу | |||
| 11 | вкладыш | 3 | 930 руб. | |||
| 12 | SLIDE, Throttle Lever | 1 | 490 руб. | |||
| 13 | LEVER, Shift - Black | 1 | 75330 руб. | |||
| 13 | LEVER, Shift - White | 1 | 74260 руб. | |||
| 14 | SLIDE, Shift Lever | 1 | 270 руб. | |||
| 15 | винт (0.250-20 x 1.75) | 2 | 120 руб. | |||
| 16 | SCREW, (.250-20 x 2.50) | 1 | 200 руб. | |||
| 16 | винт (.250-20 x 2.75) | AR | 590 руб. | |||
| 17 | гайка (.250-20) нержавеющая сталь | 5 | цена по запросу | |||
| 18 | DECAL, Shift - F/N/R | 1 | цена по запросу | |||
| 19 | HOUSING, Black - With Boss | 1 | 15880 руб. | |||
| 19 | HOUSING, White - With Boss | 1 | 17290 руб. | |||
| 20 | BALL, (.250) | 3/4 | 110 руб. | |||
| 21 | Пружина | 3/4 | 560 руб. | |||
| 22 | HOUSING, White - Inside | 1 | 16910 руб. | |||
| 22 | HOUSING, Black - Inside | 1 | цена по запросу | |||
| 23 | проставка | AR | цена по запросу | |||
| 24 | кронштейн правый | 1 | цена по запросу | |||
| 25 | приводная штанга в сборе | 2 | 9110 руб. | |||
| 26 | CLEVIS, Control Cable | 1 | 7460 руб. | |||
| 27 | гайка (#10-32), нержавеющая сталь | 1 | 60 руб. | |||
| 28 | приводная штанга | 1 | 2150 руб. | |||
| 29 | наконечник тяги | 1 | 2870 руб. | |||
| 30 | рычаг дросселя | 1 | цена по запросу | |||
| 31 | рычаг механизма переключения передач | 1 | 1610 руб. | |||
| 32 | гайка (#10-32), нержавеющая сталь | 2 | цена по запросу | |||
| 33 | SCREW, (#10-32 x .580) | 2 | 130 руб. | |||
| 34 | SENSOR, Throttle/Shift | 2 | 24460 руб. | |||
| 35 | кронштейн левый | 1 | цена по запросу | |||
| 36 | SHOULDER SCREW, (.250-20 x 1.00) | 2 | 740 руб. | |||
| 37 | пружинная шайба | 2 | цена по запросу | |||
| 38 | защитный чехол | 2 | 1240 руб. | |||
| 39 | HOUSING, White - Without Boss | 1 | 17640 руб. | |||
| 39 | HOUSING, Black - Without Boss | 1 | 15560 руб. | |||
| 40 | SCREW, (#8 x 1.250) | 4 | 60 руб. | |||
| 41 | нейлоновая шайба | 4 | 90 руб. | |||
| 42 | BRACKET, Outer-Forward Cant | AR | 6650 руб. | |||
| 43 | DECAL, Shift Warning | AR | цена по запросу | |||
| 44 | HARNESS ASSEMBLY, Trim Switch Adapter | 1 | 13300 руб. | |||
| 45 | DIODE KIT, Trim | 1 | 50370 руб. | |||
| 46 | HARNESS ASSEMBLY, Lever | 1 | 2560 руб. | |||
| 47 | CONNECTOR ASSEMBLY, 12 Pin (Male) | 1 | снято с производства | |||
| 48 | CONNECTOR ASSEMBLY, Weather Cap - 2 Pin Male | 1 | 800 руб. | |||
| - | ZERO EFFORT CONTROL-DTS, (Black) 2T (AFT) | 1 | снято с производства | |||
| - | ZERO EFFORT CONTROL-DTS, (White) 1S/1T, With Trim Switch (Starboard Mount) (FWD) | 1 | снято с производства | |||
| - | ZERO EFFORT CONTROL-DTS, (White) 1S/1T, With Trim Switch (Starboard Mount) (AFT) | 1 | снято с производства | |||
| - | ZERO EFFORT CONTROL-DTS, (Black) 1 S, (FWD) | 1 | (Use with Hot Foot Throttle) | цена по запросу | ||
| - | ZERO EFFORT CONTROL-DTS, (White) 2T With Trim Switch (Starboard Mount) (AFT) | 1 | снято с производства | |||
| - | ZERO EFFORT CONTROL-DTS, (White) 2S (AFT) | 1 | снято с производства | |||
| - | ZERO EFFORT CONTROL-DTS, (White) 3T (AFT) | 1 | снято с производства | |||
| - | ZERO EFFORT CONTROL-DTS, (White) 3S (AFT) | 1 | снято с производства | |||
| - | ZERO EFFORT CONTROL-DTS, (Black) 1S, With Trim Switch (Starboard Mount) (FWD) | 1 | цена по запросу | |||
| - | ZERO EFFORT CONTROL-DTS, (Black) 2 S, (FWD) | 1 | снято с производства | |||
| - | ZERO EFFORT CONTROL-DTS, (Black) 1S/1T, With Trim Switch (Starboard Mount) (AFT) | 1 | цена по запросу | |||
| - | ZERO EFFORT CONTROL-DTS, (Black) 2T With Trim Switch (Starboard Mount) (AFT) | 1 | снято с производства | |||
| - | ZERO EFFORT CONTROL-DTS, (Black) 1S,With Trim Switch (Port Mount) (FWD) | 1 | снято с производства | |||
| - | ZERO EFFORT CONTROL-DTS, (Black) 1S/1T, With Trim Switch (Starboard Mount) (FWD) | 1 | снято с производства | |||
| - | ZERO EFFORT CONTROL-DTS, (White) 1T/1S, With Trim Switch (Port Mount) (AFT) | 1 | снято с производства | |||
| - | ZERO EFFORT CONTROL-DTS, (White) 1T/1S, With Trim Switch (Port Mount) (FWD) | 1 | снято с производства | |||
| - | ZERO EFFORT CONTROL-DTS, (White) 1T/1S, With Trim Switch (Starboard Mount) (AFT) | 1 | снято с производства | |||
| - | ZERO EFFORT CONTROL-DTS, (White) 1T/1S, With Trim Switch (Starboard Mount) (FWD) | 1 | снято с производства | |||
| - | ZERO EFFORT CONTROL-DTS, (White) 1S/1T, With Trim Switch (Port Mount) (AFT) | 1 | снято с производства | |||
| - | ZERO EFFORT CONTROL-DTS, (White) 1S/1T, With Trim Switch (Port Mount) (FWD) | 1 | снято с производства | |||
| - | ZERO EFFORT CONTROL-DTS, (Black) 2T With Trim Switch (Starboard Mount) (FWD) | 1 | цена по запросу | |||
| 1 | Art.: 848924A5 LEVER ASSEMBLY, Throttle (Black) With Switch, Starboard - Forward Деталей в узле: 1 цена по запросу 
										 | ||||||||||||||||||||||||||||||||||||||||||||||||||||||||||||||||||||||||||||||||||||||||||||||||||||||||||||||||||||||||||||||||||||||||||||
| 1 | Art.: 848924A6 LEVER ASSEMBLY, Throttle (White) With Switch, Starboard - Forward Деталей в узле: 1 цена по запросу 
										 | ||||||||||||||||||||||||||||||||||||||||||||||||||||||||||||||||||||||||||||||||||||||||||||||||||||||||||||||||||||||||||||||||||||||||||||
| 1 | Art.: 848924A7 LEVER ASSEMBLY, Throttle (Black) With Switch, Starboard - AFT Деталей в узле: 1 цена по запросу 
										 | ||||||||||||||||||||||||||||||||||||||||||||||||||||||||||||||||||||||||||||||||||||||||||||||||||||||||||||||||||||||||||||||||||||||||||||
| 1 | Art.: 848924A8 LEVER ASSEMBLY, Throttle (White) With Switch, Starboard - AFT Деталей в узле: 1 цена по запросу 
										 | ||||||||||||||||||||||||||||||||||||||||||||||||||||||||||||||||||||||||||||||||||||||||||||||||||||||||||||||||||||||||||||||||||||||||||||
| 2 | Art.: 848922 SWITCH, Trim Switch Деталей в узле: 1 3 | Art.: 87-848926A1 SWITCH ASSEMBLY, TRIM Деталей в узле: 1 3 | Art.: 87-848926A2 комплект переключателя трима Деталей в узле: 1 4 | Art.: 844848 EMBLEM, Throttle Lever (Self Adhesive) Деталей в узле: 1 5 | Art.: 848923 BACKPLATE, Switch Block Деталей в узле: 1 6 | Art.: 10-845587 SCREW, (#4 x .620) Деталей в узле: 2 7 | Art.: 54-847509 TIE STRAP, (7.50 Inches) Деталей в узле: 1 8 | Art.: 844847 INSERT, Locking - Throttle Lever Деталей в узле: 2 9 | Art.: 69355 ленточный хомут (5 1/2") Деталей в узле: 1 цена по запросу 
										10 | Art.: 8447211 LEVER, Throttle - Black Деталей в узле: 1 цена по запросу 
										10 | Art.: 8447212 LEVER, Throttle - White Деталей в узле: 1 цена по запросу 
										11 | Art.: 23-812707 вкладыш Деталей в узле: 3 12 | Art.: 844839 SLIDE, Throttle Lever Деталей в узле: 1 13 | Art.: 8447221 LEVER, Shift - Black Деталей в узле: 1 13 | Art.: 8447222 LEVER, Shift - White Деталей в узле: 1 14 | Art.: 844840 SLIDE, Shift Lever Деталей в узле: 1 15 | Art.: 10-73015 винт (0.250-20 x 1.75) Деталей в узле: 2 16 | Art.: 10-53155 SCREW, (.250-20 x 2.50) Деталей в узле: 1 16 | Art.: 10-35049 винт (.250-20 x 2.75) Деталей в узле: AR 17 | Art.: 11-814101 гайка (.250-20) нержавеющая сталь Деталей в узле: 5 цена по запросу 
										18 | Art.: 37-840804 DECAL, Shift - F/N/R Деталей в узле: 1 цена по запросу 
										19 | Art.:  HOUSING, Black - With Boss Деталей в узле: 1 19 | Art.:  HOUSING, White - With Boss Деталей в узле: 1 20 | Art.: 30-842651 BALL, (.250) Деталей в узле: 3/4 21 | Art.: 24-844657 Пружина Деталей в узле: 3/4 22 | Art.:  HOUSING, White - Inside Деталей в узле: 1 22 | Art.: 8401671 HOUSING, Black - Inside Деталей в узле: 1 цена по запросу 
										23 | Art.: 23-840639 проставка Деталей в узле: AR цена по запросу 
										24 | Art.: 840623 кронштейн правый Деталей в узле: 1 цена по запросу 
										25 | Art.: 840638A1 приводная штанга в сборе Деталей в узле: 2 26 | Art.: 845281 CLEVIS, Control Cable Деталей в узле: 1 27 | Art.: 11-68219 гайка (#10-32), нержавеющая сталь Деталей в узле: 1 28 | Art.:  приводная штанга Деталей в узле: 1 29 | Art.: 840655 наконечник тяги Деталей в узле: 1 30 | Art.: 840641 рычаг дросселя Деталей в узле: 1 цена по запросу 
										31 | Art.: 840640 рычаг механизма переключения передач Деталей в узле: 1 32 | Art.: 11-826709106 гайка (#10-32), нержавеющая сталь Деталей в узле: 2 цена по запросу 
										33 | Art.: 10-37370 SCREW, (#10-32 x .580) Деталей в узле: 2 34 | Art.: 82-877736 SENSOR, Throttle/Shift Деталей в узле: 2 35 | Art.: 840622 кронштейн левый Деталей в узле: 1 цена по запросу 
										36 | Art.: 10-840654 SHOULDER SCREW, (.250-20 x 1.00) Деталей в узле: 2 37 | Art.: 13-39954 пружинная шайба Деталей в узле: 2 цена по запросу 
										38 | Art.:  защитный чехол Деталей в узле: 2 39 | Art.: 8401682 HOUSING, White - Without Boss Деталей в узле: 1 39 | Art.:  HOUSING, Black - Without Boss Деталей в узле: 1 40 | Art.: 10-845522 SCREW, (#8 x 1.250) Деталей в узле: 4 41 | Art.: 12-845523 нейлоновая шайба Деталей в узле: 4 42 | Art.: 840642 BRACKET, Outer-Forward Cant Деталей в узле: AR 43 | Art.: 37-844846 DECAL, Shift Warning Деталей в узле: AR цена по запросу 
										44 | Art.: 84-888854A1 HARNESS ASSEMBLY, Trim Switch Adapter Деталей в узле: 1 45 | Art.: 812497A7 DIODE KIT, Trim Деталей в узле: 1 46 | Art.: 84-891963A01 HARNESS ASSEMBLY, Lever Деталей в узле: 1 47 | Art.: 883732A01 CONNECTOR ASSEMBLY, 12 Pin (Male) Деталей в узле: 1 снято с производства 48 | Art.: 830796A03 CONNECTOR ASSEMBLY, Weather Cap - 2 Pin Male Деталей в узле: 1 - | Art.: 840712A12 ZERO EFFORT CONTROL-DTS, (Black) 2T (AFT) Деталей в узле: 1 снято с производства - | Art.: 840712A1 ZERO EFFORT CONTROL-DTS, (White) 1S/1T, With Trim Switch (Starboard Mount) (FWD) Деталей в узле: 1 снято с производства - | Art.: 840712A2 ZERO EFFORT CONTROL-DTS, (White) 1S/1T, With Trim Switch (Starboard Mount) (AFT) Деталей в узле: 1 снято с производства - | Art.: 840712A15 ZERO EFFORT CONTROL-DTS, (Black) 1 S, (FWD)  ((Use with Hot Foot Throttle))Деталей в узле: 1 цена по запросу 
										- | Art.: 840712A16 ZERO EFFORT CONTROL-DTS, (White) 2T With Trim Switch (Starboard Mount) (AFT) Деталей в узле: 1 снято с производства - | Art.: 840712A17 ZERO EFFORT CONTROL-DTS, (White) 2S (AFT) Деталей в узле: 1 снято с производства - | Art.: 840712A18 ZERO EFFORT CONTROL-DTS, (White) 3T (AFT) Деталей в узле: 1 снято с производства - | Art.: 840712A19 ZERO EFFORT CONTROL-DTS, (White) 3S (AFT) Деталей в узле: 1 снято с производства - | Art.: 840712A20 ZERO EFFORT CONTROL-DTS, (Black) 1S, With Trim Switch (Starboard Mount) (FWD) Деталей в узле: 1 цена по запросу 
										- | Art.: 840712A21 ZERO EFFORT CONTROL-DTS, (Black) 2 S, (FWD) Деталей в узле: 1 снято с производства - | Art.: 840712A22 ZERO EFFORT CONTROL-DTS, (Black) 1S/1T, With Trim Switch (Starboard Mount) (AFT) Деталей в узле: 1 цена по запросу 
										- | Art.: 840712A11 ZERO EFFORT CONTROL-DTS, (Black) 2T With Trim Switch (Starboard Mount) (AFT) Деталей в узле: 1 снято с производства - | Art.: 840712A10 ZERO EFFORT CONTROL-DTS, (Black) 1S,With Trim Switch (Port Mount) (FWD) Деталей в узле: 1 снято с производства - | Art.: 840712A09 ZERO EFFORT CONTROL-DTS, (Black) 1S/1T, With Trim Switch (Starboard Mount) (FWD) Деталей в узле: 1 снято с производства - | Art.: 840712A8 ZERO EFFORT CONTROL-DTS, (White) 1T/1S, With Trim Switch (Port Mount) (AFT) Деталей в узле: 1 снято с производства - | Art.: 840712A7 ZERO EFFORT CONTROL-DTS, (White) 1T/1S, With Trim Switch (Port Mount) (FWD) Деталей в узле: 1 снято с производства - | Art.: 840712A6 ZERO EFFORT CONTROL-DTS, (White) 1T/1S, With Trim Switch (Starboard Mount) (AFT) Деталей в узле: 1  | 
