150 H.P. XR-2 MARATHON MAGNUM (V-6) (1978-1985 COMBINED BOOK)
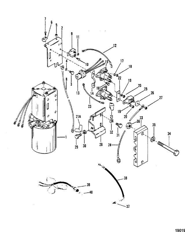
кронштейн гидравлического насоса (сер.№ 5432022 и выше)
кронштейн гидравлического насоса (сер.№ 5432022 и выше)
| № | Артикул | Наименование | Деталей в узле | Комментарий | Цена | |
| 1 | гидравлический насос в сборе | 1 | цена по запросу | |||
| 2 | кронштейн | 1 | снято с производства | |||
| 3 | винт (0.312-18 x 0.625) | 1 | 270 руб. | |||
| 4 | шайба (0.330 x 0.750 x 0.060) нержавеющая сталь | 1 | 250 руб. | |||
| 5 | гайка (#10-32) | 2 | цена по запросу | |||
| 6 | TERMINAL BLOCK | 1 | 290 руб. | |||
| 7 | Винт (#10-16 x 0.375) | 2 | 120 руб. | |||
| 8 | аккумуляторный кабель (-) | 1 | SN# USA-5503246/AUS-8062734 & Below | снято с производства | ||
| 8 | аккумуляторный кабель в сборе (-) | 1 | SN# ME-5503247/MA-5600162 THRU ME-6042945/MA-6038680 | снято с производства | ||
| 8 | кабель в сборе (-) 6 футов (черный) | 1 | SN# ME-6042946/MA-6038681 THRU ME-6616990/MA-6616990 | 10410 руб. | ||
| 9 | BREAKER, Circuit - 20 Ampere (20 AMP.) | 1 | SN# ME-6042946/MA-6038681 THRU ME-6616990/MA-6616990 | 5420 руб. | ||
| 10 | винт (#10-24 x .375) | 1 | SN# ME-6042946/MA-6038681 THRU ME-6616990/MA-6616990 | цена по запросу | ||
| 11 | шайба (#10-32) латунь | 2 | SN# ME-6042946/MA-6038681 THRU ME-6616990/MA-6616990 | 180 руб. | ||
| 12 | провод | 1 | (RED - 3") | снято с производства | ||
| 12 | провод | 1 | (BLACK - 3-1/4") | снято с производства | ||
| 12 | провод | 1 | (RED - 5-1/2") | снято с производства | ||
| 13 | жгут проводов | 1 | (3 RING TERMINALS) | снято с производства | ||
| 13 | жгут проводов | 1 | (W/FUSE HOLDER) | 15040 руб. | ||
| 14 | фиксатор | 1 | 2640 руб. | |||
| 15 | Соленоид стартера | 2 | SN# ME-6042946/MA-6038681 THRU ME-6616990/MA-6616990 | 4130 руб. | ||
| 15 | Соленоид стартера в сборе | 2 | SN# ME-6042945/MA-6038680 & Below | 6320 руб. | ||
| 16 | Винт (0.250-20 x 0.500), нержавеющая сталь | 4 | 410 руб. | |||
| 17 | стопорная шайба (#8), нержавеющая сталь | 4 | 120 руб. | |||
| 17 | Стопорная шайба (#10), нержавеющая сталь | 4 | 120 руб. | |||
| 18 | гайка (#10-32), нержавеющая сталь | 4 | 60 руб. | |||
| 18 | гайка (#8-32) латунь | 4 | 200 руб. | |||
| 19 | стопорная шайба (0.250), нержавеющая сталь | 4 | 90 руб. | |||
| 19 | Стопорная шайба (0.312) | 4 | цена по запросу | |||
| 20 | гайка (0.250-20) латунь | 4 | 180 руб. | |||
| 20 | гайка (0.312-18) | 4 | цена по запросу | |||
| 21 | защитный чехол | 4 | SN# ME-6042946/MA-6038681 THRU ME-6616990/MA-6616990 | 1120 руб. | ||
| 21A | защитный чехол | 4 | 530 руб. | |||
| 22 | приводная штанга | 1 | SN# ME-6042946/MA-6038681 THRU ME-6616990/MA-6616990 | 1090 руб. | ||
| 23 | кабель в сборе, черный (5.5") | 1 | SN# ME-6042946/MA-6038681 THRU ME-6616990/MA-6616990 | 1090 руб. | ||
| 24 | аккумуляторный кабель (+) | 1 | SN# USA-5503246/AUS-8062734 & Below | снято с производства | ||
| 24 | аккумуляторный кабель в сборе (+) | 1 | SN# ME-5503247/MA-5600162 THRU ME-6042945/MA-6038680 | снято с производства | ||
| 24 | аккумуляторный кабель в сборе (+) (красный) | 1 | SN# ME-6042946/MA-6038681 THRU ME-6616990/MA-6616990 | 9950 руб. | ||
| 25 | плавкий предохранитель в сборе (110 А) | 1 | SN# ME-6042946/MA-6038681 THRU ME-6616990/MA-6616990 | 3570 руб. | ||
| 26 | шайба | 1 | SN# ME-6042946/MA-6038681 THRU ME-6616990/MA-6616990 | 200 руб. | ||
| 27 | гайка (0.250-28) | 1 | SN# ME-6042946/MA-6038681 THRU ME-6616990/MA-6616990 | 200 руб. | ||
| 28 | Пластина | 1 | 11310 руб. | |||
| 29 | винт (.312-18 x .750) нержавеющая сталь | 1 | 200 руб. | |||
| 30 | Стопорная шайба (0.312) | 1 | цена по запросу | |||
| 31 | винт (0.375-16 x 0.62) | 2 | 290 руб. | |||
| 32 | стопорная шайба (0.375) | 2 | 230 руб. | |||
| 33 | кронштейн | 1 | 20770 руб. | |||
| 34 | болт (.375-24 x 1.75) | 2 | снято с производства | |||
| 35 | стопорная шайба (0.375) | 2 | 230 руб. | |||
| 36 | гайка (.375-24) | 2 | 500 руб. | |||
| 37 | ADAPTOR (1/4" FLARE) | 1 | SN# USA-5503246/AUS-8062734 & Below | 790 руб. | ||
| 37 | FITTING (3/16" FLARE) | 1 | SN# USA-5503246/AUS-8062734 & Below | 1080 руб. | ||
| 38 | шланг левый | 1 | SN# USA-5503246/AUS-8062734 & Below | 21660 руб. | ||
| 38 | шланг правый | 1 | SN# USA-5503246/AUS-8062734 & Below | 21660 руб. | ||
| 39 | жгут проводов датчика трима | 1 | SN# USA-5503246/AUS-8062734 & Below | снято с производства | ||
| 40 | зажим | 1 | SN# USA-5503246/AUS-8062734 & Below | снято с производства | ||
| 1 | гидравлический насос в сборе Деталей в узле: 1 цена по запросу
| ||||||||||||||||||||||||||||||||||||||||||||||||||||||||||||||||||||||||||||||||||||||||||||||||||||||||||||
| 2 | Art.: 90318 кронштейн Деталей в узле: 1 снято с производства 3 | Art.: 10-90285 винт (0.312-18 x 0.625) Деталей в узле: 1 4 | Art.: 12-56720 шайба (0.330 x 0.750 x 0.060) нержавеющая сталь Деталей в узле: 1 5 | Art.: гайка (#10-32) Деталей в узле: 2 цена по запросу
6 | Art.: 45915 TERMINAL BLOCK Деталей в узле: 1 7 | Art.: 10-62568 Винт (#10-16 x 0.375) Деталей в узле: 2 8 | Art.: 32988 аккумуляторный кабель (-) (SN# USA-5503246/AUS-8062734 & Below)Деталей в узле: 1 снято с производства 8 | Art.: 84-79138A4 аккумуляторный кабель в сборе (-) (SN# ME-5503247/MA-5600162 THRU ME-6042945/MA-6038680)Деталей в узле: 1 снято с производства 8 | Art.: 84-79138A9 кабель в сборе (-) 6 футов (черный) (SN# ME-6042946/MA-6038681 THRU ME-6616990/MA-6616990)Деталей в узле: 1 9 | Art.: BREAKER, Circuit - 20 Ampere (20 AMP.) (SN# ME-6042946/MA-6038681 THRU ME-6616990/MA-6616990)Деталей в узле: 1 10 | Art.: винт (#10-24 x .375) (SN# ME-6042946/MA-6038681 THRU ME-6616990/MA-6616990)Деталей в узле: 1 цена по запросу
11 | Art.: 11-45076 шайба (#10-32) латунь (SN# ME-6042946/MA-6038681 THRU ME-6616990/MA-6616990)Деталей в узле: 2 12 | Art.: 84-87379A2 провод ((RED - 3"))Деталей в узле: 1 снято с производства 12 | Art.: 84-61600A9 провод ((BLACK - 3-1/4"))Деталей в узле: 1 снято с производства 12 | Art.: 84-87379A5 провод ((RED - 5-1/2"))Деталей в узле: 1 снято с производства 13 | Art.: 84-74023A1 жгут проводов ((3 RING TERMINALS))Деталей в узле: 1 снято с производства 13 | Art.: 84-79147A3 жгут проводов ((W/FUSE HOLDER))Деталей в узле: 1 14 | Art.: 88075 фиксатор Деталей в узле: 1 15 | Соленоид стартера (SN# ME-6042946/MA-6038681 THRU ME-6616990/MA-6616990)Деталей в узле: 2 15 | Art.: Соленоид стартера в сборе (SN# ME-6042945/MA-6038680 & Below)Деталей в узле: 2 16 | Art.: 10-41508 Винт (0.250-20 x 0.500), нержавеющая сталь Деталей в узле: 4 17 | Art.: 13-26995 стопорная шайба (#8), нержавеющая сталь Деталей в узле: 4 17 | Art.: 13-26996 Стопорная шайба (#10), нержавеющая сталь Деталей в узле: 4 18 | Art.: 11-68219 гайка (#10-32), нержавеющая сталь Деталей в узле: 4 18 | Art.: 11-26419 гайка (#8-32) латунь Деталей в узле: 4 19 | Art.: 13-26992 стопорная шайба (0.250), нержавеющая сталь Деталей в узле: 4 19 | Art.: 13-26993 Стопорная шайба (0.312) Деталей в узле: 4 цена по запросу
20 | Art.: 11-94330 гайка (0.250-20) латунь Деталей в узле: 4 20 | Art.: 11-68292 гайка (0.312-18) Деталей в узле: 4 цена по запросу
21 | Art.: защитный чехол (SN# ME-6042946/MA-6038681 THRU ME-6616990/MA-6616990)Деталей в узле: 4 21A | Art.: 46265 защитный чехол Деталей в узле: 4 22 | Art.: 94275 приводная штанга (SN# ME-6042946/MA-6038681 THRU ME-6616990/MA-6616990)Деталей в узле: 1 23 | Art.: 84-86322A15 кабель в сборе, черный (5.5") (SN# ME-6042946/MA-6038681 THRU ME-6616990/MA-6616990)Деталей в узле: 1 24 | Art.: 32979 аккумуляторный кабель (+) (SN# USA-5503246/AUS-8062734 & Below)Деталей в узле: 1 снято с производства 24 | Art.: 84-79139A9 аккумуляторный кабель в сборе (+) (SN# ME-5503247/MA-5600162 THRU ME-6042945/MA-6038680)Деталей в узле: 1 снято с производства 24 | Art.: 84-79139A12 аккумуляторный кабель в сборе (+) (красный) (SN# ME-6042946/MA-6038681 THRU ME-6616990/MA-6616990)Деталей в узле: 1 25 | Art.: плавкий предохранитель в сборе (110 А) (SN# ME-6042946/MA-6038681 THRU ME-6616990/MA-6616990)Деталей в узле: 1 26 | Art.: 12-96457 шайба (SN# ME-6042946/MA-6038681 THRU ME-6616990/MA-6616990)Деталей в узле: 1 27 | Art.: 11-21825 гайка (0.250-28) (SN# ME-6042946/MA-6038681 THRU ME-6616990/MA-6616990)Деталей в узле: 1 28 | Art.: Пластина Деталей в узле: 1 29 | Art.: 10-39349 винт (.312-18 x .750) нержавеющая сталь Деталей в узле: 1 30 | Art.: 13-26993 Стопорная шайба (0.312) Деталей в узле: 1 цена по запросу
31 | Art.: 10-90271 винт (0.375-16 x 0.62) Деталей в узле: 2 32 | Art.: 13-58643 стопорная шайба (0.375) Деталей в узле: 2 33 | Art.: 87762 кронштейн Деталей в узле: 1 34 | Art.: 10-31830 болт (.375-24 x 1.75) Деталей в узле: 2 снято с производства 35 | Art.: 13-58643 стопорная шайба (0.375) Деталей в узле: 2 36 | Art.: 11-46335 гайка (.375-24) Деталей в узле: 2 37 | Art.: 22-89029 ADAPTOR (1/4" FLARE) (SN# USA-5503246/AUS-8062734 & Below)Деталей в узле: 1 37 | Art.: 22-77366 FITTING (3/16" FLARE) (SN# USA-5503246/AUS-8062734 & Below)Деталей в узле: 1 38 | Art.: 32-67740 шланг левый (SN# USA-5503246/AUS-8062734 & Below)Деталей в узле: 1 38 | Art.: 32-67742 шланг правый (SN# USA-5503246/AUS-8062734 & Below)Деталей в узле: 1 39 | Art.: 84-89017A1 жгут проводов датчика трима (SN# USA-5503246/AUS-8062734 & Below)Деталей в узле: 1 снято с производства 40 | Art.: 54-75343 зажим (SN# USA-5503246/AUS-8062734 & Below)Деталей в узле: 1 снято с производства | |||||||||||||||||||||||||||||||||||||||||||||||||||||||
