25/30HP (2 CYL/430CC) INTERNATIONAL
инструменты
инструменты
| № | Артикул | Наименование | Деталей в узле | Комментарий | Цена | |
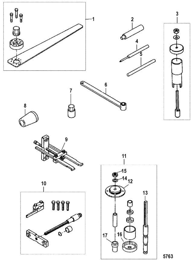
| 1 | PULLER ASSEMBLY TOOL, Flywheel | 1 | цена по запросу | |||
| 2 | инструмет для съема и установки поршневого пальца | 1 | 12510 руб. | |||
| 3 | MOUNT RUBBER PULLER KIT | 1 | 49600 руб. | |||
| 4 | инструмент (для снятия) | 1 | 11450 руб. | |||
| 5 | инструмент (для замены) | 1 | 42500 руб. | |||
| 6 | гаечный ключ | 1 | 72370 руб. | |||
| 7 | SOCKET TOOL, Bevel Gear B Nut | 1 | 38790 руб. | |||
| 8 | INSTALL TOOL, Clutch Pin | 1 | 22420 руб. | |||
| 9 | съемник подшипника | 1 | 103450 руб. | |||
| 10 | BACKLASH MEASURING TOOL | 1 | снято с производства | |||
| 11 | PULLER KIT, Needle Roller Bearing | 1 | цена по запросу | |||
| 12 | фланец | 1 | 30660 руб. | |||
| 13 | Вал | 1 | 33210 руб. | |||
| 14 | шайба | 1 | 4660 руб. | |||
| 15 | гайка | 1 | 12080 руб. | |||
| 16 | фланец | 1 | 22180 руб. | |||
| 17 | GUIDE TOOL | 1 | 11900 руб. | |||
| - | TOOL, Flywheel Puller | 1 | (Not Shown) | 74970 руб. | ||
| - | TOOL, Thickness Gauge | 1 | (Not Shown) | 33660 руб. | ||
| - | TOOL, Shimming Gauge | 1 | (Not Shown) | 70080 руб. | ||
| - | TOOL, Conedisk Spring, D-12 | 1 | (Not Shown) | 190 руб. | ||
| - | TOOL, Backlash Measuring Collar | 1 | (Not Shonw) | 4960 руб. | ||
| - | TOOL, Bevel Gear A Set | 1 | (Not Shown) | 9180 руб. | ||
| - | TOOL, Bearing Outer Press Guide | 1 | (Not Shown) | 16610 руб. | ||
| - | TOOL, Bearing Outer Press Plate | 1 | (Not Shown) | 16610 руб. | ||
| - | TOOL, Bearing Outer Press Rod | 1 | (Not Shown) | 9790 руб. | ||
| - | расширитель поршневых колец | 1 | (Not Shown) | цена по запросу | ||
| - | TOOL, Flywheel Stripper | 1 | (Not Shown) | цена по запросу | ||
| 1 | Art.: PULLER ASSEMBLY TOOL, Flywheel Деталей в узле: 1 цена по запросу
| ||||||||||||||||||||||||||||||||||||||||||||||
| 2 | Art.: 91-8539962 инструмет для съема и установки поршневого пальца Деталей в узле: 1 3 | Art.: 91-85399618 MOUNT RUBBER PULLER KIT Деталей в узле: 1 4 | Art.: 91-8539966 инструмент (для снятия) Деталей в узле: 1 5 | Art.: 91-8539968 инструмент (для замены) Деталей в узле: 1 6 | Art.: 91-85399612 гаечный ключ Деталей в узле: 1 7 | Art.: 91-85399614 SOCKET TOOL, Bevel Gear B Nut Деталей в узле: 1 8 | Art.: 91-85399610 INSTALL TOOL, Clutch Pin Деталей в узле: 1 9 | Art.: съемник подшипника Деталей в узле: 1 10 | Art.: 91-85399616 BACKLASH MEASURING TOOL Деталей в узле: 1 снято с производства 11 | Art.: PULLER KIT, Needle Roller Bearing Деталей в узле: 1 цена по запросу
12 | Art.: 91-8031332 фланец Деталей в узле: 1 13 | Art.: 91-8031333 Вал Деталей в узле: 1 14 | Art.: 12-1614010 шайба Деталей в узле: 1 15 | Art.: 11-85372220 гайка Деталей в узле: 1 16 | Art.: 91-8031336 фланец Деталей в узле: 1 17 | Art.: 91-8031337 GUIDE TOOL Деталей в узле: 1 - | Art.: TOOL, Flywheel Puller ((Not Shown))Деталей в узле: 1 - | Art.: 91-895219 TOOL, Thickness Gauge ((Not Shown))Деталей в узле: 1 - | Art.: 91-895218 TOOL, Shimming Gauge ((Not Shown))Деталей в узле: 1 - | Art.: 91-895217 TOOL, Conedisk Spring, D-12 ((Not Shown))Деталей в узле: 1 - | Art.: 91-895216004 TOOL, Backlash Measuring Collar ((Not Shonw))Деталей в узле: 1 - | Art.: 91-895215 TOOL, Bevel Gear A Set ((Not Shown))Деталей в узле: 1 - | Art.: 91-895214 TOOL, Bearing Outer Press Guide ((Not Shown))Деталей в узле: 1 - | Art.: 91-895213001 TOOL, Bearing Outer Press Plate ((Not Shown))Деталей в узле: 1 |
