150/175/200 EFI
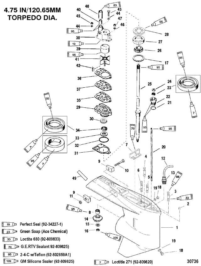
корпус редуктора, вертикальный вал - обратное вращение
корпус редуктора, вертикальный вал - обратное вращение
| № | Артикул | Наименование | Деталей в узле | Комментарий | Цена | |
| 1 | Корпус редуктора в сборе | 1 | 223790 руб. | |||
| 2 | посадочный штифт без отверстия (0.375 x 0.625) | 2 | 270 руб. | |||
| 3 | шпилька (0.438 x 3.82") | 1 | 2990 руб. | |||
| 4 | шпилька (0.437-14/0.437-20 x 2.060) | 2 | цена по запросу | |||
| 5 | шпилька (0.312-18/0.324-24 x 3.380) | 1 | 2120 руб. | |||
| 6 | шпилька (0.250-20/0.250-28 x 3.125) | 2 | цена по запросу | |||
| 7 | Блок фильтра | 1 | 4910 руб. | |||
| 8 | роликовый подшипник в сборе | 1 | 12030 руб. | |||
| 9 | анод | 2 | 1570 руб. | |||
| 10 | Винт (M6 x 40) | 1 | 390 руб. | |||
| 11 | Гайка (М6), нержавеющая сталь | 1 | 350 руб. | |||
| 12 | TUBING, (72.00 Inches Bulk) (Cut to 12 IN.) | 1 | 7350 руб. | |||
| 13 | фиттинг | 1 | 760 руб. | |||
| 14 | NSS | не продается по отдельности, ведущая шестерня | 1 | (1.87:1 - 15 TEETH) (PART OF 43-828701A1) | ||
| 15 | шайба | 1 | 150 руб. | |||
| 16 | гайка (0.625-18) | 1 | 800 руб. | |||
| 17 | набор регулировочных прокладок | AR | снято с производства | |||
| 18 | комплект сливного винтов (0.375-16 x 0.250) | 2 | 760 руб. | |||
| 19 | шайба | 2 | цена по запросу | |||
| 20 | вал механизма переключения передач | 1 | 13390 руб. | |||
| 21 | уплотнительное кольцо (0.862 x 0.103) | 1 | 210 руб. | |||
| 22 | вкладыш в сборе | 1 | 3480 руб. | |||
| 23 | Сальник | 1 | 1910 руб. | |||
| 24 | шайба | 1 | 110 руб. | |||
| 25 | Вертикальный вал | 1 | 97960 руб. | |||
| 26 | роликовый подшипник | 1 | цена по запросу | |||
| 27 | NSS | ке продается по отдельности, крышка | 1 | |||
| 28 | фиксатор | 1 | 700 руб. | |||
| 29 | основание водяного насоса в сборе | 1 | 6310 руб. | |||
| 30 | NSS | не продается по отдельности, фиксатор | 1 | |||
| 31 | Прокладка | 1 | цена по запросу | |||
| 32 | уплотнительное кольцо (2.175 x 0.175) | 1 | 50 руб. | |||
| 33 | Сальник | 1 | 3260 руб. | |||
| 34 | Сальник | 1 | 2060 руб. | |||
| 35 | Прокладка | 1 | 410 руб. | |||
| 36 | Прокладка | 1 | 360 руб. | |||
| 37 | Пластина основания | 1 | цена по запросу | |||
| 38 | корпус водяного насоса в сборе | 1 | 7570 руб. | |||
| 39 | Палец-вкладыш | 1 | 1050 руб. | |||
| 40 | Уплотнение | 1 | 440 руб. | |||
| 41 | Крыльчатка | 1 | 4990 руб. | |||
| 42 | шпонка | 1 | 500 руб. | |||
| 43 | винт (#14-8 x 2.25) | 1 | 400 руб. | |||
| 44 | шайба (0.281 x 0.500 x 0.060) нержавеющая сталь | 2 | цена по запросу | |||
| 45 | гайка (0.250-28) | 2 | 230 руб. | |||
| 46 | шайба | 1 | 120 руб. | |||
| 47 | гайка | 1 | 300 руб. | |||
| 48 | втулка | 1 | 850 руб. | |||
| 49 | NSS | NOT SOLD SEPARATE, DECAL, Counter Rotation | 1 | |||
| - | корпус водяного насоса в сборе | 1 | 10380 руб. | |||
| - | Уплотнительный комплект | 1 | 11290 руб. | |||
| - | ведущая шестерня переднего хода в сборе | 1 | (1.87:1) | 82660 руб. | ||
| - | Набор прокладок двигателя | 1 | 30730 руб. | |||
| - | BEARING AND SEAL KIT (W/O FORWARD BRG.) | 1 | 122510 руб. | |||
| 1 | Art.: 1647-9148T93 Корпус редуктора в сборе Деталей в узле: 1 2 | Art.: 17-43044 посадочный штифт без отверстия (0.375 x 0.625) Деталей в узле: 2 3 | Art.: шпилька (0.438 x 3.82") Деталей в узле: 1 4 | Art.: 16-579203 шпилька (0.437-14/0.437-20 x 2.060) Деталей в узле: 2 цена по запросу
5 | Art.: шпилька (0.312-18/0.324-24 x 3.380) Деталей в узле: 1 6 | Art.: 16-30667 шпилька (0.250-20/0.250-28 x 3.125) Деталей в узле: 2 цена по запросу
7 | Art.: Блок фильтра Деталей в узле: 1 8 | Art.: 31-42647A1 роликовый подшипник в сборе Деталей в узле: 1 9 | Art.: 826134Q анод Деталей в узле: 2 10 | Art.: 10-4000333 Винт (M6 x 40) Деталей в узле: 1 11 | Art.: 11-401386 Гайка (М6), нержавеющая сталь Деталей в узле: 1 12 | Art.: 32-85944975 TUBING, (72.00 Inches Bulk) (Cut to 12 IN.) Деталей в узле: 1 13 | Art.: фиттинг Деталей в узле: 1 14 | Art.: -NSS не продается по отдельности, ведущая шестерня ((1.87:1 - 15 TEETH) (PART OF 43-828701A1))Деталей в узле: 1 15 | Art.: 12-92721 шайба Деталей в узле: 1 16 | Art.: 11-35921 гайка (0.625-18) Деталей в узле: 1 17 | Art.: 15-42637A1 набор регулировочных прокладок Деталей в узле: AR снято с производства 18 | Art.: комплект сливного винтов (0.375-16 x 0.250) Деталей в узле: 2 19 | Art.: шайба Деталей в узле: 2 цена по запросу
20 | Art.: 789022 вал механизма переключения передач Деталей в узле: 1 21 | Art.: 25-25439 уплотнительное кольцо (0.862 x 0.103) Деталей в узле: 1 22 | Art.: 23-77631A2 вкладыш в сборе Деталей в узле: 1 23 | Art.: Сальник Деталей в узле: 1 24 | Art.: 12-77674 шайба Деталей в узле: 1 25 | Art.: Вертикальный вал Деталей в узле: 1 26 | Art.: 31-36387A1 роликовый подшипник Деталей в узле: 1 цена по запросу
27 | Art.: -NSS ке продается по отдельности, крышка Деталей в узле: 1 28 | Art.: 8245191 фиксатор Деталей в узле: 1 29 | Art.: основание водяного насоса в сборе Деталей в узле: 1 30 | Art.: -NSS не продается по отдельности, фиксатор Деталей в узле: 1 31 | Art.: 27-426311 Прокладка Деталей в узле: 1 цена по запросу
32 | Art.: уплотнительное кольцо (2.175 x 0.175) Деталей в узле: 1 33 | Art.: 26-89238 Сальник Деталей в узле: 1 34 | Art.: 26-16977 Сальник Деталей в узле: 1 35 | Art.: Прокладка Деталей в узле: 1 36 | Art.: 27-858524 Прокладка Деталей в узле: 1 37 | Art.: Пластина основания Деталей в узле: 1 цена по запросу
38 | Art.: 46-96148T1 корпус водяного насоса в сборе Деталей в узле: 1 39 | Art.: 48752T Палец-вкладыш Деталей в узле: 1 40 | Art.: 26-38970 Уплотнение Деталей в узле: 1 41 | Art.: 47-89984T3 Крыльчатка Деталей в узле: 1 42 | Art.: шпонка Деталей в узле: 1 43 | Art.: винт (#14-8 x 2.25) Деталей в узле: 1 44 | Art.: 12-29245 шайба (0.281 x 0.500 x 0.060) нержавеющая сталь Деталей в узле: 2 цена по запросу
45 | Art.: 11-8267119 гайка (0.250-28) Деталей в узле: 2 46 | Art.: 12-36001 шайба Деталей в узле: 1 47 | Art.: 11-13436 гайка Деталей в узле: 1 48 | Art.: 23-29804T втулка Деталей в узле: 1 49 | Art.: -NSS NOT SOLD SEPARATE, DECAL, Counter Rotation Деталей в узле: 1 - | Art.: 46-96148A8 корпус водяного насоса в сборе Деталей в узле: 1 - | Art.: 26-89238A2 Уплотнительный комплект Деталей в узле: 1 - | Art.: 43-803616T1 ведущая шестерня переднего хода в сборе ((1.87:1))Деталей в узле: 1 - | Art.: 27-815791A00 Набор прокладок двигателя Деталей в узле: 1 - | Art.: 31-803034T1 BEARING AND SEAL KIT (W/O FORWARD BRG.) Деталей в узле: 1 | |||||||||||||||||||||||||||||||||||||||||||||||||||||||
