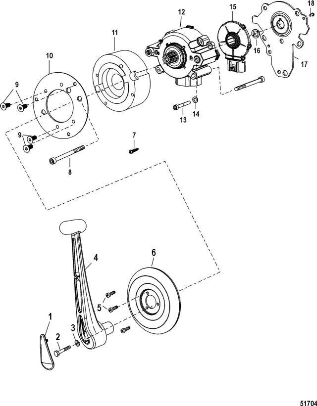
REMOTE CONTROL SYSTEMS AND COMPONENTS
Remote Control-DTS, Sportfish
Remote Control-DTS, Sportfish
| № | Артикул | Наименование | Деталей в узле | Комментарий | Цена | |
| 1 | крышка передняя | 1 | 4550 руб. | |||
| 2 | Винт (M8 x 45) | 1 | 490 руб. | |||
| 3 | шайба (0.344 x 0.688 x 0.065), нержавеющая сталь | 1 | цена по запросу | |||
| 4 | HANDLE, Sportfish Remote Control | 1 | цена по запросу | |||
| 5 | винт (M5 x 10) | 3 | 110 руб. | |||
| 6 | BEZEL, Sportfish Remote Control | 1 | цена по запросу | |||
| 7 | SCREW, (#12 x 1.25) | 3 | цена по запросу | |||
| 8 | Винт (М6 х 60) | 4 | 990 руб. | |||
| 9 | Винт (M6 x 14) | 4 | 210 руб. | |||
| 10 | NSS  | Не продается по отдельности, пластина | 1 | |||
| 11 | NSS  | не продается по отдельности, проставка | 1 | |||
| 12 | MODULE ASSEMBLY, Shift and Throttle | 1 | 31850 руб. | |||
| 13 | винт (M6 x 45) | 1 | 1620 руб. | |||
| 14 | шайба (0.281 x 0.500 x 0.060) нержавеющая сталь | 1 | цена по запросу | |||
| 15 | SENSOR, Throttle/Shift | 1 | 24460 руб. | |||
| 16 | NYLINER, Flanged | 1 | 660 руб. | |||
| 17 | NSS  | Не продается по отдельности, пластина | 1 | |||
| 18 | Винт (M4 x 10) | 2 | 500 руб. | |||
| - | REMOTE CONTROL, Sportfish, ERC (Chrome) | 1 | цена по запросу | |||
| 1 | Art.: 899883T крышка передняя Деталей в узле: 1 2 | Art.: 10-4000357 Винт (M8 x 45) Деталей в узле: 1 3 | Art.: 12-814806 шайба (0.344 x 0.688 x 0.065), нержавеющая сталь Деталей в узле: 1 цена по запросу 
										4 | Art.: 8M0077344 HANDLE, Sportfish Remote Control Деталей в узле: 1 цена по запросу 
										5 | Art.: 10-40056105 винт (M5 x 10) Деталей в узле: 3 6 | Art.: 8M0077317 BEZEL, Sportfish Remote Control Деталей в узле: 1 цена по запросу 
										7 | Art.: 10-884543 SCREW, (#12 x 1.25) Деталей в узле: 3 цена по запросу 
										8 | Art.: 10-4008860 Винт (М6 х 60) Деталей в узле: 4 9 | Art.: 10-863609 Винт (M6 x 14) Деталей в узле: 4 10 | Art.: -NSS Не продается по отдельности, пластина Деталей в узле: 1 11 | Art.: -NSS не продается по отдельности, проставка Деталей в узле: 1 12 | Art.: 877724A02 MODULE ASSEMBLY, Shift and Throttle Деталей в узле: 1 13 | Art.: 10-4008845 винт (M6 x 45) Деталей в узле: 1 14 | Art.: 12-29245 шайба (0.281 x 0.500 x 0.060) нержавеющая сталь Деталей в узле: 1 цена по запросу 
										15 | Art.: 82-877736 SENSOR, Throttle/Shift Деталей в узле: 1 16 | Art.: 23-877771 NYLINER, Flanged Деталей в узле: 1 17 | Art.: -NSS Не продается по отдельности, пластина Деталей в узле: 1 18 | Art.: 10-87775510 Винт (M4 x 10) Деталей в узле: 2 - | Art.: 877775A26 REMOTE CONTROL, Sportfish, ERC (Chrome) Деталей в узле: 1 цена по запросу 
										 | ||||||||||||||||||||
