135/150/175/200 XR6 MAGNUM III 105-140 JET
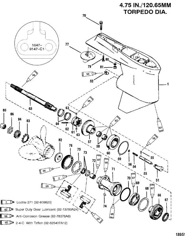
Gear Housing(Propshaft-Standard-S/N-0G437999 And Below)
Gear Housing(Propshaft-Standard-S/N-0G437999 And Below)
| № | Артикул | Наименование | Деталей в узле | Комментарий | Цена | |
| 1 | Корпус редуктора в сборе | 1 | (Black, Basic) | 259980 руб. | ||
| 1 | Корпус редуктора в сборе | 1 | (Gray, Basic) | 259980 руб. | ||
| 51 | FOLLOWER ASSEMBLY | 1 | 35000 руб. | |||
| 52 | кулачок механизма переключения передач | 1 | 1490 руб. | |||
| 53 | тяга | 1 | 28750 руб. | |||
| 54 | Пружина | 1 | 850 руб. | |||
| 55 | стержень | 1 | 390 руб. | |||
| 56 | шайба | AR | 210 руб. | |||
| 57 | набор шестерен | 1 | (XR6/Magnum III/175/200) (1.87:1 - 15/28) | 117050 руб. | ||
| 57 | набор шестерен | 1 | (High Altitude) (2.3:1 - 13/30) | снято с производства | ||
| 57 | набор шестерен | 1 | (135/150) (2.0:1 - 14/28) | 91590 руб. | ||
| 58 | роликовый подшипник | 1 | 4720 руб. | |||
| 59 | SHIM SET (.002-3-5-10) | AR | 1730 руб. | |||
| 60 | конический роликовый подшипник в сборе | 1 | 16260 руб. | |||
| 61 | муфта сцепления | 1 | снято с производства | |||
| 62 | поперечный штифт | 1 | 770 руб. | |||
| 63 | стопорный штифт | 2 | 2600 руб. | |||
| 64 | Пружина | 2 | 1300 руб. | |||
| 65 | вал гребного винта | 1 | 108890 руб. | |||
| 66 | Шестерня заднего хода в сборе | 1 | (XR6/Magnum III/175/200) (1.87:1 - 15/28) | 85410 руб. | ||
| 66 | Шестерня заднего хода в сборе | 1 | (135/150) (2.0:1 - 14/28) | 85480 руб. | ||
| 66 | NSS | не продается по отдельности: шестерня заднего хода | 1 | (Part Of 43- 16294A 2) (2.3:1 - 13/30) | ||
| 67 | SPACER, Not Used With High Altitude | 1 | 450 руб. | |||
| 68 | упорное кольцо | 1 | 1830 руб. | |||
| 69 | BEARING ASSEMBLY, Ball | 1 | 8240 руб. | |||
| 70 | уплотнительное кольцо | 1 | цена по запросу | |||
| 71 | подшипник опоры в сборе | 1 | 35790 руб. | |||
| 72 | Игольчатый подшипник | 1 | 3780 руб. | |||
| 73 | Уплотнение | 2 | 2580 руб. | |||
| 74 | шпонка | 1 | 290 руб. | |||
| 75 | стопорная шайба | 1 | 1580 руб. | |||
| 76 | фиксатор | 1 | цена по запросу | |||
| 77 | триммер | 1 | цена по запросу | |||
| 78 | винт (0.437-14 x 1.750) | 1 | цена по запросу | |||
| 79 | винт (0.375-16 x 1.00) | 1 | (These Replacement Parts Are Not Included With Complete Gear Housing Replacement) | 270 руб. | ||
| 80 | шайба (0.453 x 0.812 x 0.105) нержавеющая сталь | 2 | (These Replacement Parts Are Not Included With Complete Gear Housing Replacement) | 160 руб. | ||
| 81 | гайка (0.437-20) нержавеющая сталь | 2 | (These Replacement Parts Are Not Included With Complete Gear Housing Replacement) | цена по запросу | ||
| 82 | упорная втулка | 1 | (These Replacement Parts Are Not Included With Complete Gear Housing Replacement) | 5190 руб. | ||
| 83 | зубчатая стопорная шайба | 1 | (These Replacement Parts Are Not Included With Complete Gear Housing Replacement) | 360 руб. | ||
| 84 | WASHER, Splined | 1 | (These Replacement Parts Are Not Included With Complete Gear Housing Replacement) | 2280 руб. | ||
| 85 | комплект гайки гребного винта (0.750-16) | 1 | (These Replacement Parts Are Not Included With Complete Gear Housing Replacement) | 2050 руб. | ||
| 86 | стопорная шайба | 1 | (These Replacement Parts Are Not Included With Complete Gear Housing Replacement) | 610 руб. | ||
| - | Набор прокладок двигателя | 1 | 29780 руб. | |||
| - | Уплотнительный комплект | 1 | 11290 руб. | |||
| 1 | Art.: Корпус редуктора в сборе ((Black, Basic))Деталей в узле: 1 1 | Корпус редуктора в сборе ((Gray, Basic))Деталей в узле: 1 51 | Art.: 89594A1 FOLLOWER ASSEMBLY Деталей в узле: 1 52 | Art.: 789562 кулачок механизма переключения передач Деталей в узле: 1 53 | Art.: 79911A1 тяга Деталей в узле: 1 54 | Art.: 24-79910 Пружина Деталей в узле: 1 55 | Art.: стержень Деталей в узле: 1 56 | Art.: 12-78910 шайба Деталей в узле: AR 57 | Art.: 43-44104A8 набор шестерен ((XR6/Magnum III/175/200) (1.87:1 - 15/28))Деталей в узле: 1 57 | Art.: 43-16294A5 набор шестерен ((High Altitude) (2.3:1 - 13/30))Деталей в узле: 1 снято с производства 57 | Art.: 43-44102A7 набор шестерен ((135/150) (2.0:1 - 14/28))Деталей в узле: 1 58 | Art.: 31-549281 роликовый подшипник Деталей в узле: 1 59 | Art.: 15-47397A1 SHIM SET (.002-3-5-10) Деталей в узле: AR 60 | Art.: 31-78172A1 конический роликовый подшипник в сборе Деталей в узле: 1 61 | Art.: муфта сцепления Деталей в узле: 1 снято с производства 62 | Art.: поперечный штифт Деталей в узле: 1 63 | Art.: 17-78909 стопорный штифт Деталей в узле: 2 64 | Art.: 24-78962 Пружина Деталей в узле: 2 65 | Art.: 44-94148 вал гребного винта Деталей в узле: 1 66 | Art.: 43-824986A2 Шестерня заднего хода в сборе ((XR6/Magnum III/175/200) (1.87:1 - 15/28))Деталей в узле: 1 66 | Art.: 43-824987A2 Шестерня заднего хода в сборе ((135/150) (2.0:1 - 14/28))Деталей в узле: 1 66 | Art.: -NSS не продается по отдельности: шестерня заднего хода ((Part Of 43- 16294A 2) (2.3:1 - 13/30))Деталей в узле: 1 67 | Art.: 23-824108 SPACER, Not Used With High Altitude Деталей в узле: 1 68 | Art.: 681001 упорное кольцо Деталей в узле: 1 69 | Art.: BEARING ASSEMBLY, Ball Деталей в узле: 1 70 | Art.: 25-31534 уплотнительное кольцо Деталей в узле: 1 цена по запросу
71 | Art.: подшипник опоры в сборе Деталей в узле: 1 72 | Art.: Игольчатый подшипник Деталей в узле: 1 73 | Art.: Уплотнение Деталей в узле: 2 74 | Art.: 28-30281 шпонка Деталей в узле: 1 75 | Art.: 14-79447 стопорная шайба Деталей в узле: 1 76 | Art.: фиксатор Деталей в узле: 1 цена по запросу
77 | триммер Деталей в узле: 1 цена по запросу
78 | Art.: 10-806327 винт (0.437-14 x 1.750) Деталей в узле: 1 цена по запросу
79 | Art.: 10-65210 винт (0.375-16 x 1.00) ((These Replacement Parts Are Not Included With Complete Gear Housing Replacement))Деталей в узле: 1 80 | Art.: 12-45176 шайба (0.453 x 0.812 x 0.105) нержавеющая сталь ((These Replacement Parts Are Not Included With Complete Gear Housing Replacement))Деталей в узле: 2 81 | Art.: 11-34933 гайка (0.437-20) нержавеющая сталь ((These Replacement Parts Are Not Included With Complete Gear Housing Replacement))Деталей в узле: 2 цена по запросу
82 | Art.: упорная втулка ((These Replacement Parts Are Not Included With Complete Gear Housing Replacement))Деталей в узле: 1 83 | Art.: 13-423511 зубчатая стопорная шайба ((These Replacement Parts Are Not Included With Complete Gear Housing Replacement))Деталей в узле: 1 84 | WASHER, Splined ((These Replacement Parts Are Not Included With Complete Gear Housing Replacement))Деталей в узле: 1 85 | Art.: комплект гайки гребного винта (0.750-16) ((These Replacement Parts Are Not Included With Complete Gear Housing Replacement))Деталей в узле: 1 86 | Art.: стопорная шайба ((These Replacement Parts Are Not Included With Complete Gear Housing Replacement))Деталей в узле: 1 - | Art.: 27-815791A92 Набор прокладок двигателя Деталей в узле: 1 - | Art.: 26-89238A2 Уплотнительный комплект Деталей в узле: 1 | |||||||||||||||||||||||||||||||||||||||||||||
