25/30HP (2 CYL/430CC) INTERNATIONAL
Дополнительные части электрического стартера
Дополнительные части электрического стартера
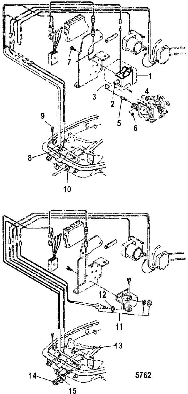
| № | Артикул | Наименование | Деталей в узле | Комментарий | Цена | |
| 1 | SOLENOID ASSEMBLY, Choke (Electric Remote) | 1 | 11010 руб. | |||
| 2 | PLUNGER (Electric Remote) | 1 | 1630 руб. | |||
| 3 | HOOK (Electric Remote) | 1 | 150 руб. | |||
| 4 | PIN, Dowel (Electric Remote) | 1 | 90 руб. | |||
| 5 | ROD, Choke Shaft (Electric Remote) | 1 | 950 руб. | |||
| 6 | NUT (Electric Remote) | 1 | снято с производства | |||
| 7 | SCREW (Electric Remote) | 3 | 100 руб. | |||
| 8 | CLAMP (Electric Remote) | 1 | 140 руб. | |||
| 9 | SCREW (Electric Remote) | 1 | 170 руб. | |||
| 10 | GROMMET (Electric Remote) | 1 | 440 руб. | |||
| 11 | SWITCH ASSEMBLY, Neutral (Electric Tiller) | 1 | 4710 руб. | |||
| 12 | WASHER (Electric Tiller) | 1 | цена по запросу | |||
| 13 | PLATE (Electric Tiller) | 1 | 440 руб. | |||
| 14 | MAIN SWITCH (Electric Tiller) | 1 | 3010 руб. | |||
| 15 | PROTECTOR (Electric Tiller) | 1 | 480 руб. | |||
| - | Комплект электрического стартера | 1 | цена по запросу | |||
| 1 | Art.: 853829A1 SOLENOID ASSEMBLY, Choke (Electric Remote) Деталей в узле: 1 2 | Art.: 853830 PLUNGER (Electric Remote) Деталей в узле: 1 3 | Art.: 853831 HOOK (Electric Remote) Деталей в узле: 1 4 | Art.: 17-952189 PIN, Dowel (Electric Remote) Деталей в узле: 1 5 | Art.: ROD, Choke Shaft (Electric Remote) Деталей в узле: 1 6 | Art.: 11-85372216 NUT (Electric Remote) Деталей в узле: 1 снято с производства 7 | Art.: 10-162454 SCREW (Electric Remote) Деталей в узле: 3 8 | Art.: 54-17169 CLAMP (Electric Remote) Деталей в узле: 1 9 | Art.: 10-16827 SCREW (Electric Remote) Деталей в узле: 1 10 | Art.: 25-162262 GROMMET (Electric Remote) Деталей в узле: 1 11 | Art.: SWITCH ASSEMBLY, Neutral (Electric Tiller) Деталей в узле: 1 12 | Art.: WASHER (Electric Tiller) Деталей в узле: 1 цена по запросу
13 | Art.: 853823 PLATE (Electric Tiller) Деталей в узле: 1 14 | Art.: 87-853820A1 MAIN SWITCH (Electric Tiller) Деталей в узле: 1 15 | Art.: 853821 PROTECTOR (Electric Tiller) Деталей в узле: 1 - | Art.: Комплект электрического стартера Деталей в узле: 1 цена по запросу
| |||||||||||||||||
