200/225/250 (3.0L) SEAPRO/MARATHON EFI
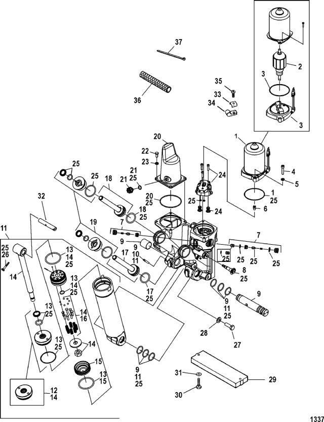
компоненты механизма гидроподъема Power Trim
компоненты механизма гидроподъема Power Trim
| № | Артикул | Наименование | Деталей в узле | Комментарий | Цена | |
| 1 | Мотор системы гидроподъема | 1 | снято с производства | |||
| 2 | NSS | не продается по отдельности, сердечник | 1 | |||
| 3 | NSS | NOT SOLD SEPARATE, End Frame | 1 | |||
| 4 | Винт (М6 х 30) | 2 | 310 руб. | |||
| 5 | Стопорная шайба М6 | 2 | 200 руб. | |||
| 6 | Вертикальный вал | 1 | 4390 руб. | |||
| 7 | PO CHECK KIT | 1 | 12250 руб. | |||
| 8 | Ручной клапан блокировки гидросистемы | 1 | (Includes Reference #26) | 7570 руб. | ||
| 9 | Комплект вала | 1 | цена по запросу | |||
| 10 | стержень | 1 | 3860 руб. | |||
| 11 | цилиндр регулировки наклона в сборе | 1 | SN# 1B227000 & Up | снято с производства | ||
| 11 | цилиндр регулировки наклона в сборе | 1 | SN# 1B226999 & Below | снято с производства | ||
| 12 | Комплект направляющих | 1 | (Includes Reference #26) | снято с производства | ||
| 13 | комплект уплотнительных колец | 1 | (Includes Reference #26) | цена по запросу | ||
| 14 | поршень-аммортизатор в сборе | 1 | (Includes Reference #26) | цена по запросу | ||
| 15 | Запоминающий поршень в сборе | 1 | цена по запросу | |||
| 16 | ремкомплект обратного клапана | 1 | (Includes Reference #26) | цена по запросу | ||
| 17 | Поршень в сборе | 1 | 36070 руб. | |||
| 18 | Поршень в сборе | 1 | 47500 руб. | |||
| 19 | Направляющая в сборе | 2 | 23900 руб. | |||
| 20 | комплект резервуара | 1 | 8290 руб. | |||
| 21 | пробка в сборе | 1 | 3610 руб. | |||
| 22 | Винт (M6 x 14) | 4 | 300 руб. | |||
| 23 | шайба | 4 | 90 руб. | |||
| 24 | Комплект насоса | 1 | 32830 руб. | |||
| 25 | ремокомплект механизма гидроподъема Power Trim | 1 | 14230 руб. | |||
| 26 | Штифт 3-кулачковый | 1 | 600 руб. | |||
| 27 | Винт (М10 х 30) | 6 | 290 руб. | |||
| 28 | шайба | 6 | 310 руб. | |||
| 29 | комплект анода | 1 | 2890 руб. | |||
| 30 | Винт (M6 x 25) | 2 | цена по запросу | |||
| 31 | шайба (0.281 x 0.500 x 0.060) нержавеющая сталь | 2 | цена по запросу | |||
| 32 | Вал | 11 | SN# 0T980000 & Up | 2740 руб. | ||
| 32 | Вал | 1 | SN# 0T979999 & Below | 2740 руб. | ||
| 33 | С-образная шайба | 1 | 130 руб. | |||
| 34 | зажим | 2 | 480 руб. | |||
| 35 | Винт (#10-16 x 0.600) | 1 | 270 руб. | |||
| 36 | трубопровод (внутренний диаметр .350, длина 3 фута, требуется 12") | 1 | 3990 руб. | |||
| 37 | ленточный хомут (8") | 1 | 30 руб. | |||
| - | механизм гидроподъема Power Trim в сборе | 1 | SN# 1B227000 & Up | цена по запросу | ||
| - | механизм гидроподъема Power Trim в сборе | 1 | SN# 1B226999 & Below | цена по запросу | ||
| 1 | Art.: 878265A4 Мотор системы гидроподъема Деталей в узле: 1 снято с производства 2 | Art.: -NSS не продается по отдельности, сердечник Деталей в узле: 1 3 | Art.: -NSS NOT SOLD SEPARATE, End Frame Деталей в узле: 1 4 | Art.: 10-82494830 Винт (М6 х 30) Деталей в узле: 2 5 | Art.: 13-400256 Стопорная шайба М6 Деталей в узле: 2 6 | Art.: Вертикальный вал Деталей в узле: 1 7 | Art.: 878410A1 PO CHECK KIT Деталей в узле: 1 8 | Art.: Ручной клапан блокировки гидросистемы ((Includes Reference #26))Деталей в узле: 1 9 | Art.: Комплект вала Деталей в узле: 1 цена по запросу
10 | Art.: 17-878267 стержень Деталей в узле: 1 11 | Art.: цилиндр регулировки наклона в сборе (SN# 1B227000 & Up)Деталей в узле: 1 снято с производства 11 | цилиндр регулировки наклона в сборе (SN# 1B226999 & Below)Деталей в узле: 1 снято с производства 12 | Art.: Комплект направляющих ((Includes Reference #26))Деталей в узле: 1 снято с производства 13 | Art.: 878409A1 комплект уплотнительных колец ((Includes Reference #26))Деталей в узле: 1 цена по запросу
14 | поршень-аммортизатор в сборе ((Includes Reference #26))Деталей в узле: 1 цена по запросу
15 | Art.: Запоминающий поршень в сборе Деталей в узле: 1 цена по запросу
16 | Art.: ремкомплект обратного клапана ((Includes Reference #26))Деталей в узле: 1 цена по запросу
17 | Art.: Поршень в сборе Деталей в узле: 1 18 | Art.: 878413A1 Поршень в сборе Деталей в узле: 1 19 | Art.: Направляющая в сборе Деталей в узле: 2 20 | Art.: 878264A1 комплект резервуара Деталей в узле: 1 21 | Art.: 19-811613 пробка в сборе Деталей в узле: 1 22 | Art.: 10-4000327 Винт (M6 x 14) Деталей в узле: 4 23 | Art.: шайба Деталей в узле: 4 24 | Art.: 892251A01 Комплект насоса Деталей в узле: 1 25 | Art.: 878408A1 ремокомплект механизма гидроподъема Power Trim Деталей в узле: 1 26 | Art.: 17-821539 Штифт 3-кулачковый Деталей в узле: 1 27 | Art.: 10-858771 Винт (М10 х 30) Деталей в узле: 6 28 | Art.: 12-4002319 шайба Деталей в узле: 6 29 | Art.: 818298Q1 комплект анода Деталей в узле: 1 30 | Art.: 10-4000330 Винт (M6 x 25) Деталей в узле: 2 цена по запросу
31 | Art.: 12-29245 шайба (0.281 x 0.500 x 0.060) нержавеющая сталь Деталей в узле: 2 цена по запросу
32 | Art.: 99625002 Вал (SN# 0T980000 & Up)Деталей в узле: 11 32 | Art.: Вал (SN# 0T979999 & Below)Деталей в узле: 1 33 | Art.: С-образная шайба Деталей в узле: 1 34 | Art.: 54-26550 зажим Деталей в узле: 2 35 | Art.: 10-878609 Винт (#10-16 x 0.600) Деталей в узле: 1 36 | Art.: 32-828547353 трубопровод (внутренний диаметр .350, длина 3 фута, требуется 12") Деталей в узле: 1 37 | Art.: 54-816311T ленточный хомут (8") Деталей в узле: 1 - | механизм гидроподъема Power Trim в сборе (SN# 1B227000 & Up)Деталей в узле: 1 цена по запросу - | механизм гидроподъема Power Trim в сборе (SN# 1B226999 & Below)Деталей в узле: 1 цена по запросу | ||||||||||||||||||||||||||||||||||||||||||
