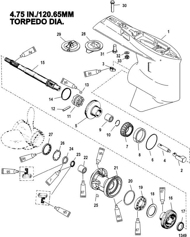
150/175/200 EFI (2.5L)
корпус редуктора, вал гребного винта - стандартное вращение
корпус редуктора, вал гребного винта - стандартное вращение
| № | Артикул | Наименование | Деталей в узле | Комментарий | Цена | |
| 1 | Корпус редуктора в сборе | 1 | 223790 руб. | |||
| 2 | FOLLOWER ASSEMBLY | 1 | 35000 руб. | |||
| 3 | кулачок механизма переключения передач | 1 | 1490 руб. | |||
| 4 | тяга | 1 | 8500 руб. | |||
| 5 | ведущая шестерня переднего хода в сборе | 1 | (2:1 - 14/28) | цена по запросу | ||
| 5 | GEAR ASSEMBLY, Forward 1.87:1 - 15/28 | 1 | (1.87:1 - 15/28) | снято с производства | ||
| 6 | набор регулировочных прокладок | AR | снято с производства | |||
| 7 | конический роликовый подщипник в сборе | 1 | 11130 руб. | |||
| 8 | NSS | ке продается по отдельности, крышка | 1 | |||
| 9 | Игольчатый подшипник | 1 | 2960 руб. | |||
| 10 | стопорное кольцо | 1 | 1250 руб. | |||
| 11 | муфта сцепления | 1 | 42870 руб. | |||
| 12 | поперечный штифт | 1 | цена по запросу | |||
| 13 | стопорный штифт | 1 | 1140 руб. | |||
| 14 | Пружина | 1 | 300 руб. | |||
| 15 | вал гребного винта | 1 | 108890 руб. | |||
| 16 | GEAR ASSEMBLY, Reverse - 15/28 | 1 | (1.87:1 - 15/28) | 66560 руб. | ||
| 16 | GEAR ASSEMBLY, Reverse - 14/28 | 1 | (2:1 - 14/28) | 84350 руб. | ||
| 17 | проставка | 1 | 450 руб. | |||
| 18 | упорное кольцо | 1 | 1830 руб. | |||
| 19 | Шариковый подшипник | 1 | 8240 руб. | |||
| 20 | уплотнительное кольцо | 1 | цена по запросу | |||
| 21 | подшипник опоры в сборе | 1 | 35790 руб. | |||
| 22 | Игольчатый подшипник | 1 | 3780 руб. | |||
| 23 | сальник внутренний | 1 | 2640 руб. | |||
| 24 | внешнее уплотнение | 1 | 2580 руб. | |||
| 25 | шпонка | 1 | 290 руб. | |||
| 26 | стопорная шайба | 1 | 1580 руб. | |||
| 27 | фиксатор | 1 | цена по запросу | |||
| 28 | триммер | 1 | цена по запросу | |||
| 29 | комплект анода | 1 | 3100 руб. | |||
| 30 | винт (0.437-14 x 1.750) | 1 | цена по запросу | |||
| 31 | винт (0.375-16 x 1.00) | 1 | 270 руб. | |||
| 32 | шайба (0.453 x 0.812 x 0.105) нержавеющая сталь | 2 | 160 руб. | |||
| 33 | гайка (0.437-20) нержавеющая сталь | 2 | цена по запросу | |||
| - | Уплотнительный комплект | 1 | 11290 руб. | |||
| - | FOLLOWER ASSEMBLY, Clutch/Cam | 1 | 49120 руб. | |||
| - | Набор прокладок | 1 | 43170 руб. | |||
| - | GEAR ASSEMBLY, Pinion/Forward (1.87:1) | 1 | 72590 руб. | |||
| - | GEAR HOUSING ASSEMBLY, Complete (4.75 Inch/120.65 mm Torpedo Diameter) | 1 | (LONG)(1.87:1) | 411290 руб. | ||
| - | GEAR HOUSING ASSEMBLY, Complete (4.75 Inch/120.65 mm Torpedo Diameter) | 1 | (X-LONG)(1.87:1) | 411290 руб. | ||
| - | GEAR HOUSING ASSEMBLY, Complete (4.75 Inch/120.65 mm Torpedo Diameter) | 1 | (LONG)(2:1) | 411290 руб. | ||
| - | GEAR HOUSING ASSEMBLY, Complete (4.75 Inch/120.65 mm Torpedo Diameter) | 1 | (X-LONG)(2:1) | 411290 руб. | ||
| - | BEARING AND SEAL KIT (W/O FORWARD BRG.) | 1 | 61600 руб. | |||
| 1 | Art.: 1647-9148T93 Корпус редуктора в сборе Деталей в узле: 1 2 | Art.: 89594A1 FOLLOWER ASSEMBLY Деталей в узле: 1 3 | Art.: 789562 кулачок механизма переключения передач Деталей в узле: 1 4 | Art.: 828287 тяга Деталей в узле: 1 5 | Art.: 43-803612T2 ведущая шестерня переднего хода в сборе ((2:1 - 14/28))Деталей в узле: 1 цена по запросу
5 | Art.: 43-878613A2 GEAR ASSEMBLY, Forward 1.87:1 - 15/28 ((1.87:1 - 15/28))Деталей в узле: 1 снято с производства 6 | Art.: 15-44491A1 набор регулировочных прокладок Деталей в узле: AR снято с производства 7 | Art.: 31-30894A1 конический роликовый подщипник в сборе Деталей в узле: 1 8 | Art.: -NSS ке продается по отдельности, крышка Деталей в узле: 1 9 | Art.: 31-30895T Игольчатый подшипник Деталей в узле: 1 10 | Art.: 53-856823 стопорное кольцо Деталей в узле: 1 11 | Art.: 52-859340T муфта сцепления Деталей в узле: 1 12 | поперечный штифт Деталей в узле: 1 цена по запросу 13 | Art.: 17-828356 стопорный штифт Деталей в узле: 1 14 | Art.: 24-30893 Пружина Деталей в узле: 1 15 | Art.: 44-94148 вал гребного винта Деталей в узле: 1 16 | Art.: 43-828175A1 GEAR ASSEMBLY, Reverse - 15/28 ((1.87:1 - 15/28))Деталей в узле: 1 16 | Art.: 43-828177A1 GEAR ASSEMBLY, Reverse - 14/28 ((2:1 - 14/28))Деталей в узле: 1 17 | Art.: 23-824108 проставка Деталей в узле: 1 18 | Art.: 681001 упорное кольцо Деталей в узле: 1 19 | Art.: 30-88957T Шариковый подшипник Деталей в узле: 1 20 | Art.: 25-31534 уплотнительное кольцо Деталей в узле: 1 цена по запросу
21 | Art.: 43567T1 подшипник опоры в сборе Деталей в узле: 1 22 | Art.: 31-30956T Игольчатый подшипник Деталей в узле: 1 23 | Art.: 26-14077 сальник внутренний Деталей в узле: 1 24 | Art.: внешнее уплотнение Деталей в узле: 1 25 | Art.: 28-30281 шпонка Деталей в узле: 1 26 | Art.: 14-79447 стопорная шайба Деталей в узле: 1 27 | Art.: фиксатор Деталей в узле: 1 цена по запросу
28 | Art.: триммер Деталей в узле: 1 цена по запросу
29 | Art.: 76214Q5 комплект анода Деталей в узле: 1 30 | Art.: 10-806327 винт (0.437-14 x 1.750) Деталей в узле: 1 цена по запросу
31 | Art.: 10-65210 винт (0.375-16 x 1.00) Деталей в узле: 1 32 | Art.: 12-45176 шайба (0.453 x 0.812 x 0.105) нержавеющая сталь Деталей в узле: 2 33 | Art.: 11-34933 гайка (0.437-20) нержавеющая сталь Деталей в узле: 2 цена по запросу
- | Art.: 26-89238A2 Уплотнительный комплект Деталей в узле: 1 - | Art.: 52-803491T1 FOLLOWER ASSEMBLY, Clutch/Cam Деталей в узле: 1 - | Art.: Набор прокладок Деталей в узле: 1 - | Art.: 43-803615T2 GEAR ASSEMBLY, Pinion/Forward (1.87:1) Деталей в узле: 1 - | Art.: 1647-9148T84 GEAR HOUSING ASSEMBLY, Complete (4.75 Inch/120.65 mm Torpedo Diameter) ((LONG)(1.87:1))Деталей в узле: 1 - | Art.: 1647-9148T85 GEAR HOUSING ASSEMBLY, Complete (4.75 Inch/120.65 mm Torpedo Diameter) ((X-LONG)(1.87:1))Деталей в узле: 1 - | Art.: 1647-9148T81 GEAR HOUSING ASSEMBLY, Complete (4.75 Inch/120.65 mm Torpedo Diameter) ((LONG)(2:1))Деталей в узле: 1 - | Art.: 1647-9148T82 GEAR HOUSING ASSEMBLY, Complete (4.75 Inch/120.65 mm Torpedo Diameter) ((X-LONG)(2:1))Деталей в узле: 1 - | Art.: 31-803033T1 BEARING AND SEAL KIT (W/O FORWARD BRG.) Деталей в узле: 1 | |||||||||||||||||||||||||||||||||||||||||||||
