150/175/200 EFI
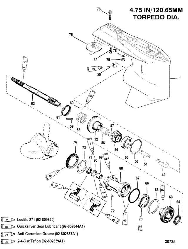
корпус редуктора, вал гребного винта - стандартное вращение
корпус редуктора, вал гребного винта - стандартное вращение
| № | Артикул | Наименование | Деталей в узле | Комментарий | Цена | |
| 1 | Корпус редуктора в сборе | 1 | 223790 руб. | |||
| 49 | FOLLOWER ASSEMBLY | 1 | 35000 руб. | |||
| 50 | кулачок механизма переключения передач | 1 | 1490 руб. | |||
| 51 | тяга | 1 | 8500 руб. | |||
| 52 | шестерня переднего хода в сборе | 1 | (1.87:1 - 15/28) | снято с производства | ||
| 53 | набор регулировочных прокладок | AR | снято с производства | |||
| 54 | конический роликовый подщипник в сборе | 1 | 11130 руб. | |||
| 55 | NSS | ке продается по отдельности, крышка | 1 | |||
| 56 | Игольчатый подшипник | 1 | 2960 руб. | |||
| 57 | стопорное кольцо | 1 | 1250 руб. | |||
| 58 | муфта сцепления | 1 | 42870 руб. | |||
| 59 | поперечный штифт | 1 | цена по запросу | |||
| 60 | стопорный штифт | 1 | 1140 руб. | |||
| 61 | Пружина | 1 | 300 руб. | |||
| 62 | вал гребного винта | 1 | 108890 руб. | |||
| 63 | GEAR ASSEMBLY, Reverse - 15/28 | 1 | (1.87:1) | 66560 руб. | ||
| 64 | проставка | 1 | 450 руб. | |||
| 65 | упорное кольцо | 1 | 1830 руб. | |||
| 66 | Шариковый подшипник | 1 | 8240 руб. | |||
| 67 | уплотнительное кольцо | 1 | цена по запросу | |||
| 68 | подшипник опоры в сборе | 1 | 35790 руб. | |||
| 69 | Игольчатый подшипник | 1 | 3780 руб. | |||
| 70 | сальник внутренний | 1 | 2640 руб. | |||
| 71 | внешнее уплотнение | 1 | 2580 руб. | |||
| 72 | шпонка | 1 | 290 руб. | |||
| 73 | стопорная шайба | 1 | 1580 руб. | |||
| 74 | фиксатор | 1 | цена по запросу | |||
| 75 | триммер | 1 | цена по запросу | |||
| 75 | анод | 1 | 3100 руб. | |||
| 76 | винт (0.437-14 x 1.750) | 1 | цена по запросу | |||
| 77 | винт (0.375-16 x 1.00) | 1 | 270 руб. | |||
| 78 | шайба (0.453 x 0.812 x 0.105) нержавеющая сталь | 2 | 160 руб. | |||
| 79 | гайка (0.437-20) нержавеющая сталь | 2 | цена по запросу | |||
| - | Уплотнительный комплект | 1 | 11290 руб. | |||
| - | ведущая шестерня переднего хода в сборе | 1 | (1.87:1) | 72590 руб. | ||
| - | FOLLOWER ASSEMBLY, Clutch/Cam | 1 | 49120 руб. | |||
| - | BEARING AND SEAL KIT (W/O FORWARD BRG.) | 1 | 61600 руб. | |||
| - | Набор прокладок двигателя | 1 | 30730 руб. | |||
| 1 | Art.: 1647-9148T93 Корпус редуктора в сборе Деталей в узле: 1 49 | Art.: 89594A1 FOLLOWER ASSEMBLY Деталей в узле: 1 50 | Art.: 789562 кулачок механизма переключения передач Деталей в узле: 1 51 | Art.: 828287 тяга Деталей в узле: 1 52 | Art.: 43-878613A2 шестерня переднего хода в сборе ((1.87:1 - 15/28))Деталей в узле: 1 снято с производства 53 | Art.: 15-44491A1 набор регулировочных прокладок Деталей в узле: AR снято с производства 54 | Art.: 31-30894A1 конический роликовый подщипник в сборе Деталей в узле: 1 55 | Art.: -NSS ке продается по отдельности, крышка Деталей в узле: 1 56 | Art.: 31-30895T Игольчатый подшипник Деталей в узле: 1 57 | Art.: 53-856823 стопорное кольцо Деталей в узле: 1 58 | Art.: 52-859340T муфта сцепления Деталей в узле: 1 59 | поперечный штифт Деталей в узле: 1 цена по запросу 60 | Art.: 17-828356 стопорный штифт Деталей в узле: 1 61 | Art.: 24-30893 Пружина Деталей в узле: 1 62 | Art.: 44-94148 вал гребного винта Деталей в узле: 1 63 | Art.: 43-828175A1 GEAR ASSEMBLY, Reverse - 15/28 ((1.87:1))Деталей в узле: 1 64 | Art.: 23-824108 проставка Деталей в узле: 1 65 | Art.: 681001 упорное кольцо Деталей в узле: 1 66 | Art.: 30-88957T Шариковый подшипник Деталей в узле: 1 67 | Art.: 25-31534 уплотнительное кольцо Деталей в узле: 1 цена по запросу
68 | Art.: 43567T1 подшипник опоры в сборе Деталей в узле: 1 69 | Art.: 31-30956T Игольчатый подшипник Деталей в узле: 1 70 | Art.: 26-14077 сальник внутренний Деталей в узле: 1 71 | Art.: внешнее уплотнение Деталей в узле: 1 72 | Art.: 28-30281 шпонка Деталей в узле: 1 73 | Art.: 14-79447 стопорная шайба Деталей в узле: 1 74 | Art.: фиксатор Деталей в узле: 1 цена по запросу
75 | Art.: триммер Деталей в узле: 1 цена по запросу
75 | Art.: анод Деталей в узле: 1 76 | Art.: 10-806327 винт (0.437-14 x 1.750) Деталей в узле: 1 цена по запросу
77 | Art.: 10-65210 винт (0.375-16 x 1.00) Деталей в узле: 1 78 | Art.: 12-45176 шайба (0.453 x 0.812 x 0.105) нержавеющая сталь Деталей в узле: 2 79 | Art.: гайка (0.437-20) нержавеющая сталь Деталей в узле: 2 цена по запросу - | Art.: 26-89238A2 Уплотнительный комплект Деталей в узле: 1 - | Art.: 43-803615T2 ведущая шестерня переднего хода в сборе ((1.87:1))Деталей в узле: 1 - | Art.: 52-803491T1 FOLLOWER ASSEMBLY, Clutch/Cam Деталей в узле: 1 - | Art.: 31-803033T1 BEARING AND SEAL KIT (W/O FORWARD BRG.) Деталей в узле: 1 - | Art.: 27-815791A00 Набор прокладок двигателя Деталей в узле: 1 | |||||||||||||||||||||||||||||||||||||||
