2/2.5/3.5 4-STROKE
крышка маховика, сер.№0R318095 и ранее
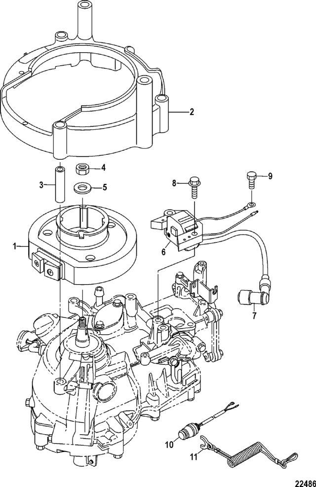
крышка маховика, сер.№0R318095 и ранее
| № | Артикул | Наименование | Деталей в узле | Комментарий | Цена | |
| 1 | крышка маховика | 1 | 12770 руб. | |||
| 2 | крышка маховика | 1 | 14710 руб. | |||
| 3 | манжет | 3 | 380 руб. | |||
| 4 | гайка | 1 | 210 руб. | |||
| 5 | шайба | 1 | 270 руб. | |||
| 6 | Блок управления зажиганием | 1 | снято с производства | |||
| 7 | защитный чехол | 1 | 1030 руб. | |||
| 8 | Болт (M6 x 20) | 2 | 260 руб. | |||
| 9 | Болт (M6 x 12) | 1 | 150 руб. | |||
| 10 | кнопка (выключатель) стоп | 1 | 5070 руб. | |||
| 11 | шнур аварийного выключения двигателя | 1 | 2270 руб. | |||
| 1 | Art.: 898101304 крышка маховика Деталей в узле: 1 2 | Art.: 898103T59 крышка маховика Деталей в узле: 1 3 | Art.: 23-898101305 манжет Деталей в узле: 3 4 | Art.: 11-95233 гайка Деталей в узле: 1 5 | Art.: 12-898101307 шайба Деталей в узле: 1 6 | Art.: 898103T58 Блок управления зажиганием Деталей в узле: 1 снято с производства 7 | Art.: защитный чехол Деталей в узле: 1 8 | Art.: 10-167051 Болт (M6 x 20) Деталей в узле: 2 9 | Art.: 10-8230427 Болт (M6 x 12) Деталей в узле: 1 10 | Art.: кнопка (выключатель) стоп Деталей в узле: 1 11 | Art.: шнур аварийного выключения двигателя Деталей в узле: 1 | ||||||||||||
