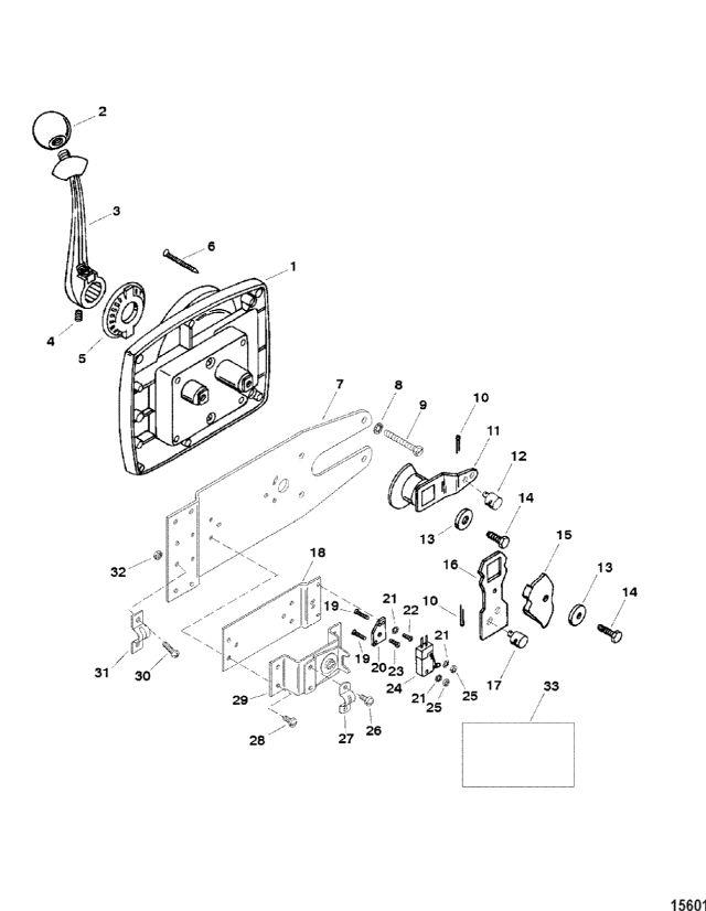
REMOTE CONTROL SYSTEMS AND COMPONENTS
Remote Control (40 Series)(850696)
Remote Control (40 Series)(850696)
| № | Артикул | Наименование | Деталей в узле | Комментарий | Цена | |
| 1 | REMOTE CONTROL ASSEMBLY | 1 | снято с производства | |||
| 2 | BALL, Black, Black | 1 | цена по запросу | |||
| 3 | LEVER ASSEMBLY, Hand | 1 | снято с производства | |||
| 4 | SET SCREW, (.312-18 x .3125) | 1 | снято с производства | |||
| 5 | INSERT, Interlock | 1 | снято с производства | |||
| 6 | SCREW, (#10 x 1.250) | 3 | снято с производства | |||
| 7 | HANGER | 1 | снято с производства | |||
| 8 | LOCKWASHER, Internal (#10) | 4 | цена по запросу | |||
| 9 | SCREW, (#10-32 x 1.500) | 4 | цена по запросу | |||
| 10 | шплинт | 2 | снято с производства | |||
| 11 | рычаг-плечо дросселя | 1 | цена по запросу | |||
| 12 | PIVOT, Cable Terminal | 1 | 2940 руб. | |||
| 13 | шайба | 2 | снято с производства | |||
| 14 | Винт (0.250-28 x 0.500) | 2 | цена по запросу | |||
| 15 | CAM, Switch Actuation | 1 | цена по запросу | |||
| 16 | плечо рычага механизма переключения передач | 1 | цена по запросу | |||
| 17 | PIVOT, Cable Terminal | 1 | снято с производства | |||
| 18 | кронштейн | 1 | (Cable Swivel and Switch Mount) | цена по запросу | ||
| 19 | SCREW, (#4-40 x .750) | 2 | цена по запросу | |||
| 20 | BRACKET, Switch Mounting | 1 | цена по запросу | |||
| 21 | LOCKWASHER, Internal (#4) | 3 | цена по запросу | |||
| 22 | SCREW, (#4-40 x .312) | 1 | цена по запросу | |||
| 23 | SCREW, (#4-40 x .375) | 1 | цена по запросу | |||
| 24 | переключатель в сборе | 1 | цена по запросу | |||
| 25 | NUT, (.112-40) | 2 | снято с производства | |||
| 26 | SCREW, (#10-24 x .3125) | 2 | снято с производства | |||
| 27 | Зажим кабеля | 1 | снято с производства | |||
| 28 | SCREW, (#10-24 x .3125) | 4 | снято с производства | |||
| 29 | BRACKET ASSEMBLY, Swivel | 1 | снято с производства | |||
| 30 | винт (#10-24 x .500) | 2 | 210 руб. | |||
| 31 | Зажим кабеля | 1 | снято с производства | |||
| 32 | гайка (#10-24) | 2 | цена по запросу | |||
| 33 | HARDWARE PACKAGE | 1 | (With Template and Manual) | цена по запросу | ||
| - | комплект для переоборудования | 1 | (30 Series to 40 Series Shift Cable) | 8080 руб. | ||
| - | кронштейн | 1 | цена по запросу | |||
| - | винт (0.250-20 x 0.620) | 2 | цена по запросу | |||
| - | TAB, Locking | 1 | цена по запросу | |||
| - | CONNECTOR, Cable End | 1 | снято с производства | |||
| - | Штифт с головкой и отверстием полд шплинт | 1 | цена по запросу | |||
| - | шплинт | 1 | 420 руб. | |||
| - | шайба (0.281 x 0.500 x 0.060) нержавеющая сталь | 1 | цена по запросу | |||
| 1 | Art.:  REMOTE CONTROL ASSEMBLY Деталей в узле: 1 снято с производства 2 | Art.: F17081 BALL, Black, Black Деталей в узле: 1 цена по запросу 
										3 | Art.:  LEVER ASSEMBLY, Hand Деталей в узле: 1 снято с производства 4 | Art.: 10-F455690 SET SCREW, (.312-18 x .3125) Деталей в узле: 1 снято с производства 5 | Art.: 820696 INSERT, Interlock Деталей в узле: 1 снято с производства 6 | Art.: 10-820695 SCREW, (#10 x 1.250) Деталей в узле: 3 снято с производства 7 | Art.: 852088 HANGER Деталей в узле: 1 снято с производства 8 | Art.: 13-F8058 LOCKWASHER, Internal (#10) Деталей в узле: 4 цена по запросу 
										9 | Art.: 852089 SCREW, (#10-32 x 1.500) Деталей в узле: 4 цена по запросу 
										10 | Art.: F17149 шплинт Деталей в узле: 2 снято с производства 11 | Art.: 820692 рычаг-плечо дросселя Деталей в узле: 1 цена по запросу 
										12 | Art.: F17016 PIVOT, Cable Terminal Деталей в узле: 1 13 | Art.: F17036 шайба Деталей в узле: 2 снято с производства 14 | Art.: 852092 Винт (0.250-28 x 0.500) Деталей в узле: 2 цена по запросу 
										15 | Art.: 820691 CAM, Switch Actuation Деталей в узле: 1 цена по запросу 
										16 | Art.: 820690 плечо рычага механизма переключения передач Деталей в узле: 1 цена по запросу 
										17 | Art.: 852096 PIVOT, Cable Terminal Деталей в узле: 1 снято с производства 18 | Art.: 852093 кронштейн  ((Cable Swivel and Switch Mount))Деталей в узле: 1 цена по запросу 
										19 | Art.: 10-820698 SCREW, (#4-40 x .750) Деталей в узле: 2 цена по запросу 
										20 | Art.: 820697 BRACKET, Switch Mounting Деталей в узле: 1 цена по запросу 
										21 | Art.: 13-820694 LOCKWASHER, Internal (#4) Деталей в узле: 3 цена по запросу 
										22 | Art.: 10-820699 SCREW, (#4-40 x .312) Деталей в узле: 1 цена по запросу 
										23 | Art.: 10-820701 SCREW, (#4-40 x .375) Деталей в узле: 1 цена по запросу 
										24 | Art.: 87-820693 переключатель в сборе Деталей в узле: 1 цена по запросу 
										25 | Art.: 11-63683 NUT, (.112-40) Деталей в узле: 2 снято с производства 26 | Art.: F17071 SCREW, (#10-24 x .3125) Деталей в узле: 2 снято с производства 27 | Art.: 54-F154317 Зажим кабеля Деталей в узле: 1 снято с производства 28 | Art.: F17071 SCREW, (#10-24 x .3125) Деталей в узле: 4 снято с производства 29 | Art.: 852090 BRACKET ASSEMBLY, Swivel Деталей в узле: 1 снято с производства 30 | Art.: 852094 винт (#10-24 x .500) Деталей в узле: 2 31 | Art.: 852095 Зажим кабеля Деталей в узле: 1 снято с производства 32 | Art.: 852097 гайка (#10-24) Деталей в узле: 2 цена по запросу 
										33 | Art.: 852098 HARDWARE PACKAGE  ((With Template and Manual))Деталей в узле: 1 цена по запросу 
										- | Art.: 850698A1 комплект для переоборудования  ((30 Series to 40 Series Shift Cable))Деталей в узле: 1  | 
