350/350 PRO/400R VERADO (4-STROKE)(6 CYLINDER)
Корпус вертикального вала
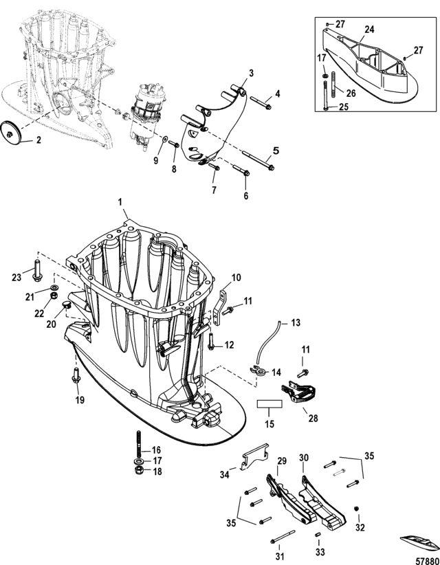
Корпус вертикального вала
| № | Артикул | Наименование | Деталей в узле | Комментарий | Цена | |
| 1 | HOUSING, Driveshaft Long, Black | 1 | 145790 руб. | |||
| 1 | HOUSING, Driveshaft X-Long, Black | 1 | 170230 руб. | |||
| 2 | резиновая втулка | 1 | 1870 руб. | |||
| 3 | Кожух | 1 | 23770 руб. | |||
| 4 | винт (M8 x 75) | 2 | цена по запросу | |||
| 5 | винт (M8 x 120) | 2 | цена по запросу | |||
| 6 | Винт (М8 х 50) | 2 | 530 руб. | |||
| 7 | Винт (М8 х 40) | 1 | 510 руб. | |||
| 8 | винт (M8 x 35 мм) | 3 | 500 руб. | |||
| 9 | Шайба (0.344 x 1.00 x 0.063) нержавеющая сталь | 3 | 180 руб. | |||
| 10 | BRACKET KIT, Upper Chap | 2 | 2750 руб. | |||
| 11 | винт (M6 x 20 мм) нержавеющая сталь | 2 | 270 руб. | |||
| 12 | Винт (M8 x 30) | 1 | 530 руб. | |||
| 13 | TUBING, (72.00 Inches Bulk), Cut to 64 Inches | 1 | 7350 руб. | |||
| 14 | фиксатор | 1 | 230 руб. | |||
| 15 | NSS | не продается по отдельности, маркировка - слив масла | 1 | |||
| 16 | STUD, (M12 x 1.75 x 52) | 4 | (Long/X-Long) | 2610 руб. | ||
| 17 | шайба (0.500 x 0.810 x 0.090), нержавеющая сталь | 4 or 5 | 250 руб. | |||
| 18 | впускная гайка (М12), нейлон | 4 | 2860 руб. | |||
| 19 | SCREW, (M12) | 1 | (Long/X-Long) | 560 руб. | ||
| 20 | резиновая пробка | 1 | 550 руб. | |||
| 21 | Шайба (0.406 x 0.750 x 0.105), нержавеющая сталь | 10 | цена по запросу | |||
| 22 | гайка | 10 | 600 руб. | |||
| 23 | винт (M12 x 45) | 4 | цена по запросу | |||
| 24 | SPACER, Driveshaft Housing X-Long, Black | 1 | (XX-Long) | 51030 руб. | ||
| 24 | SPACER, Driveshaft Housing X-Long, Silver | 1 | (XX-Long) | цена по запросу | ||
| 25 | винт (M12 x 160) | 1 | (XX-Long) | 2100 руб. | ||
| 26 | шпилька (M12 x 179) | 4 | (XX-Long) | 5380 руб. | ||
| 27 | посадочный штифт без отверстия (0.375 x 0.625) | 2 | (XX-Long) | 270 руб. | ||
| 28 | Кронштейн колпака | 1 | (X-Long/XX-Long) | 17670 руб. | ||
| 29 | PLATES ASSEMBLY, Thrust, Long | 1 | 152560 руб. | |||
| 29 | PLATES ASSEMBLY, Thrust, X-Long | 1 | 116660 руб. | |||
| 30 | NSS | NOT SOLD SEPARATE, Thrust Plate- Long | 1 | |||
| 30 | NSS | NOT SOLD SEPARATE, Thrust Plate - X-Long | 1 | |||
| 31 | винт (M8 x 120) | 1 | 1130 руб. | |||
| 32 | NUT, (M8 X 1.25) | 1 | 1170 руб. | |||
| 33 | посадочный штифт | 1 | 140 руб. | |||
| 34 | BUMPER, Trim | 1 | 1480 руб. | |||
| 35 | Винт (М8 х 50) | 6 | 530 руб. | |||
| 1 | HOUSING, Driveshaft Long, Black Деталей в узле: 1 1 | HOUSING, Driveshaft X-Long, Black Деталей в узле: 1 2 | Art.: 25-889568001 резиновая втулка Деталей в узле: 1 3 | Art.: 889656T01 Кожух Деталей в узле: 1 4 | Art.: 10-88552675 винт (M8 x 75) Деталей в узле: 2 цена по запросу
5 | Art.: 10-885526120 винт (M8 x 120) Деталей в узле: 2 цена по запросу
6 | Art.: Винт (М8 х 50) Деталей в узле: 2 7 | Art.: Винт (М8 х 40) Деталей в узле: 1 8 | Art.: винт (M8 x 35 мм) Деталей в узле: 3 9 | Art.: 12-817274 Шайба (0.344 x 1.00 x 0.063) нержавеющая сталь Деталей в узле: 3 10 | Art.: 897784A01 BRACKET KIT, Upper Chap Деталей в узле: 2 11 | Art.: винт (M6 x 20 мм) нержавеющая сталь Деталей в узле: 2 12 | Art.: Винт (M8 x 30) Деталей в узле: 1 13 | Art.: 32-85944975 TUBING, (72.00 Inches Bulk), Cut to 64 Inches Деталей в узле: 1 14 | Art.: 889831001 фиксатор Деталей в узле: 1 15 | Art.: -NSS не продается по отдельности, маркировка - слив масла Деталей в узле: 1 16 | Art.: 16-8M0008031 STUD, (M12 x 1.75 x 52) ((Long/X-Long))Деталей в узле: 4 17 | Art.: 12-856982 шайба (0.500 x 0.810 x 0.090), нержавеющая сталь Деталей в узле: 4 or 5 18 | Art.: 11-897926 впускная гайка (М12), нейлон Деталей в узле: 4 19 | Art.: 10-8M0102995 SCREW, (M12) ((Long/X-Long))Деталей в узле: 1 20 | Art.: 19-824928001 резиновая пробка Деталей в узле: 1 21 | Art.: 12-856774 Шайба (0.406 x 0.750 x 0.105), нержавеющая сталь Деталей в узле: 10 цена по запросу
22 | Art.: 11-884412 гайка Деталей в узле: 10 23 | Art.: 10-88552845 винт (M12 x 45) Деталей в узле: 4 цена по запросу
24 | Art.: SPACER, Driveshaft Housing X-Long, Black ((XX-Long))Деталей в узле: 1 24 | Art.: SPACER, Driveshaft Housing X-Long, Silver ((XX-Long))Деталей в узле: 1 цена по запросу
25 | Art.: 10-857137 винт (M12 x 160) ((XX-Long))Деталей в узле: 1 26 | Art.: 16-8M0008047 шпилька (M12 x 179) ((XX-Long))Деталей в узле: 4 27 | Art.: 17-43044 посадочный штифт без отверстия (0.375 x 0.625) ((XX-Long))Деталей в узле: 2 28 | Art.: 891966006 Кронштейн колпака ((X-Long/XX-Long))Деталей в узле: 1 29 | Art.: 8M0103332 PLATES ASSEMBLY, Thrust, Long Деталей в узле: 1 29 | Art.: 8M0103333 PLATES ASSEMBLY, Thrust, X-Long Деталей в узле: 1 30 | Art.: -NSS NOT SOLD SEPARATE, Thrust Plate- Long Деталей в узле: 1 30 | Art.: -NSS NOT SOLD SEPARATE, Thrust Plate - X-Long Деталей в узле: 1 31 | Art.: 10-8M0090182 винт (M8 x 120) Деталей в узле: 1 32 | Art.: 11-8M0088686 NUT, (M8 X 1.25) Деталей в узле: 1 33 | Art.: 17-8M0095755 посадочный штифт Деталей в узле: 1 34 | Art.: 8M0080471 BUMPER, Trim Деталей в узле: 1 35 | Art.: Винт (М8 х 50) Деталей в узле: 6 | ||||||||||||||||||||||||||||||||||||||||
