40/50 H.P. JET 30 (3 CYL.)
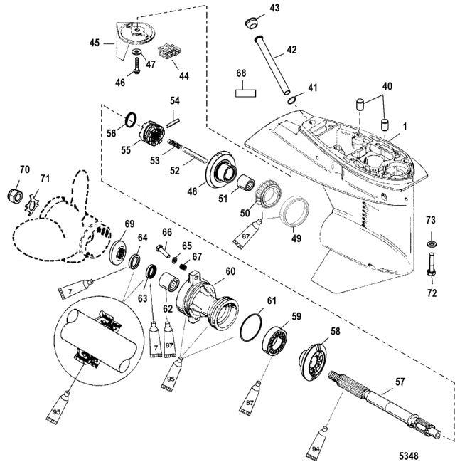
корпус редуктора, вал гребного винта - передаточное отношение 1.83:1
корпус редуктора, вал гребного винта - передаточное отношение 1.83:1
| № | Артикул | Наименование | Деталей в узле | Комментарий | Цена | |
| 1 | Корпус редуктора в сборе | 1 | (BASIC-GRAY) | снято с производства | ||
| 1 | Корпус редуктора в сборе | 1 | (BASIC-BLACK) | 119340 руб. | ||
| 40 | посадочный штифт | 2 | 300 руб. | |||
| 41 | Прокладка | 1 | 230 руб. | |||
| 42 | Труба | 1 | 2460 руб. | |||
| 43 | резиновая пробка | 1 | 550 руб. | |||
| 44 | Экран | 1 | 1520 руб. | |||
| 45 | триммер | 1 | 5260 руб. | |||
| 46 | Винт (М8 х 20) | 1 | 310 руб. | |||
| 47 | шайба | 1 | 550 руб. | |||
| 48 | GEAR ASSEMBLY, Forward (22 TEETH) | 1 | 55470 руб. | |||
| 49 | роликовый подшипник в сборе | 1 | 8700 руб. | |||
| 50 | NSS | ке продается по отдельности, крышка | 1 | |||
| 51 | роликовый подшипник | 1 | 3780 руб. | |||
| 52 | толкатель кулачка | 1 | 4140 руб. | |||
| 53 | Пружина | 1 | 410 руб. | |||
| 54 | стержень | 1 | 1010 руб. | |||
| 55 | муфта сцепления | 1 | 13760 руб. | |||
| 56 | Пружина | 1 | 420 руб. | |||
| 57 | вал гребного винта | 1 | цена по запросу | |||
| 58 | GEAR, Reverse (22 TEETH) | 1 | 53620 руб. | |||
| 59 | Шариковый подшипник | 1 | 15830 руб. | |||
| 60 | подшипник опоры в сборе | 1 | 33860 руб. | |||
| 61 | уплотнительное кольцо | 1 | 270 руб. | |||
| 62 | Игольчатый подшипник | 1 | 3050 руб. | |||
| 63 | Сальник | 1 | 2490 руб. | |||
| 64 | Сальник | 1 | 2700 руб. | |||
| 65 | Шайба (0.323 x 0.563 x 0.063), нержавеющая сталь | 2 | 230 руб. | |||
| 65 | шайба (.323 x .590 x .112) нержавеющая сталь | 2 | (USE WITH THREADED INSERT) | 160 руб. | ||
| 66 | Винт (M8 x 30) | 2 | (USE WITH THREADED INSERT) | 380 руб. | ||
| 66 | Винт (M8 x 25) | 2 | 240 руб. | |||
| 67 | Вкладыш резьбовой | 2 | 410 руб. | |||
| 68 | NSS | NOT SOLD SEPARATE, Decal (1.83:1) | 1 | |||
| 69 | упорная втулка | 1 | 2100 руб. | |||
| 70 | Комплект гаек гребного винта | 1 | 1960 руб. | |||
| 71 | стопорная шайба | 1 | 780 руб. | |||
| 72 | Винт (М10 х 45) | 4 | 540 руб. | |||
| 73 | шайба (0.453 x 0.812 x 0.105) нержавеющая сталь | 4 | 160 руб. | |||
| - | Набор прокладок | 1 | 10360 руб. | |||
| - | Корпус редуктора в сборе | 1 | (BLACK) SHORT | 402230 руб. | ||
| - | Корпус редуктора в сборе | 1 | (GRAY) SHORT | не посталяется заказывайте 821306T26 | ||
| - | Корпус редуктора в сборе | 1 | (BLACK) LONG | 483380 руб. | ||
| - | Корпус редуктора в сборе | 1 | (GRAY) LONG | не посталяется заказывайте 821306T28 | ||
| - | Уплотнительный комплект | 1 | 11190 руб. | |||
| 1 | Art.: Корпус редуктора в сборе ((BASIC-GRAY))Деталей в узле: 1 снято с производства 1 | Art.: Корпус редуктора в сборе ((BASIC-BLACK))Деталей в узле: 1 40 | Art.: 17-821327 посадочный штифт Деталей в узле: 2 41 | Art.: 27-823942 Прокладка Деталей в узле: 1 42 | Art.: Труба Деталей в узле: 1 43 | Art.: резиновая пробка Деталей в узле: 1 44 | Art.: 821829 Экран Деталей в узле: 1 45 | Art.: триммер Деталей в узле: 1 46 | Art.: 10-82497020 Винт (М8 х 20) Деталей в узле: 1 47 | Art.: 12-72397 шайба Деталей в узле: 1 48 | Art.: GEAR ASSEMBLY, Forward (22 TEETH) Деталей в узле: 1 49 | Art.: роликовый подшипник в сборе Деталей в узле: 1 50 | Art.: -NSS ке продается по отдельности, крышка Деталей в узле: 1 51 | Art.: 31-41326 роликовый подшипник Деталей в узле: 1 52 | Art.: 821578 толкатель кулачка Деталей в узле: 1 53 | Art.: 24-8261991 Пружина Деталей в узле: 1 54 | Art.: стержень Деталей в узле: 1 55 | Art.: муфта сцепления Деталей в узле: 1 56 | Art.: 24-38114 Пружина Деталей в узле: 1 57 | Art.: 44-8215772 вал гребного винта Деталей в узле: 1 цена по запросу
58 | GEAR, Reverse (22 TEETH) Деталей в узле: 1 59 | Art.: Шариковый подшипник Деталей в узле: 1 60 | Art.: подшипник опоры в сборе Деталей в узле: 1 61 | Art.: 25-815460 уплотнительное кольцо Деталей в узле: 1 62 | Art.: 31-21700 Игольчатый подшипник Деталей в узле: 1 63 | Art.: Сальник Деталей в узле: 1 64 | Art.: Сальник Деталей в узле: 1 65 | Art.: Шайба (0.323 x 0.563 x 0.063), нержавеющая сталь Деталей в узле: 2 65 | Art.: 12-855941 шайба (.323 x .590 x .112) нержавеющая сталь ((USE WITH THREADED INSERT))Деталей в узле: 2 66 | Art.: 10-85594030 Винт (M8 x 30) ((USE WITH THREADED INSERT))Деталей в узле: 2 66 | Art.: 10-4000353 Винт (M8 x 25) Деталей в узле: 2 67 | Art.: 8227731 Вкладыш резьбовой Деталей в узле: 2 68 | Art.: -NSS NOT SOLD SEPARATE, Decal (1.83:1) Деталей в узле: 1 69 | Art.: 73345A1 упорная втулка Деталей в узле: 1 70 | Art.: Комплект гаек гребного винта Деталей в узле: 1 71 | Art.: стопорная шайба Деталей в узле: 1 72 | Art.: 10-4000380 Винт (М10 х 45) Деталей в узле: 4 73 | Art.: 12-45176 шайба (0.453 x 0.812 x 0.105) нержавеющая сталь Деталей в узле: 4 - | Art.: 27-828553A97 Набор прокладок Деталей в узле: 1 - | Art.: Корпус редуктора в сборе ((BLACK) SHORT)Деталей в узле: 1 - | Art.: Корпус редуктора в сборе ((GRAY) SHORT)Деталей в узле: 1 не посталяется заказывайте 821306T26 - | Art.: Корпус редуктора в сборе ((BLACK) LONG)Деталей в узле: 1 - | Art.: Корпус редуктора в сборе ((GRAY) LONG)Деталей в узле: 1 |
