150/175/200 (EFI)
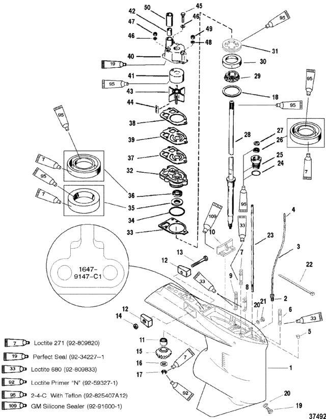
GEAR HSG(DRIVESHAFT)(STD ROTATION) (S/N-0G437999, BELOW)
GEAR HSG(DRIVESHAFT)(STD ROTATION) (S/N-0G437999, BELOW)
| № | Артикул | Наименование | Деталей в узле | Комментарий | Цена | |
| 1 | Корпус редуктора в сборе | 1 | (BLACK)(BASIC) | 259980 руб. | ||
| 1 | Корпус редуктора в сборе | 1 | (GRAY)(BASIC) | 259980 руб. | ||
| 2 | соединитель в сборе | 1 | 2960 руб. | |||
| 3 | NSS | NOT SOLD SEPARATE, TUBING | 1 | |||
| 4 | NSS | не продается по отдельности, соединитель | 1 | |||
| 5 | посадочный штифт без отверстия (0.375 x 0.625) | 2 | 270 руб. | |||
| 6 | шпилька (0.438 x 3.82") | 1 | (X-LONG) | 2990 руб. | ||
| 6 | шпилька (0.437-14/0.437-20 x 3.120) | 1 | (LONG) | 760 руб. | ||
| 7 | шпилька (0.437-14/0.437-20 x 2.060) | 2 | цена по запросу | |||
| 8 | шпилька (.312 x 3.38) | 1 | 2120 руб. | |||
| 9 | шпилька (0.250-20/0.250-28 x 3.125) | 2 | цена по запросу | |||
| 10 | Блок фильтра | 1 | 4910 руб. | |||
| 11 | роликовый подшипник в сборе | 1 | 12030 руб. | |||
| 12 | анод | 2 | 1570 руб. | |||
| 13 | Винт (M6 x 40) | 1 | 390 руб. | |||
| 14 | Гайка (М6) | 1 | цена по запросу | |||
| 15 | NSS | NOT SOLD SEPARATE, PINION GEAR (PART OF 43-44104A8(1.87:1 GEAR RATIO-15TEETH) | 1 | |||
| 16 | WASHER (NOT USED W/HIGH ALTITUDE) | 1 | INCLUDED WITH FORWARD GEAR SET | 150 руб. | ||
| 17 | гайка (0.625-18) | 1 | INCLUDED WITH FORWARD GEAR SET | 800 руб. | ||
| 18 | набор регулировочных прокладок | AR | INCLUDED WITH FORWARD GEAR SET | снято с производства | ||
| 19 | FITTING KIT, Magnetic, Plug Fill/Drain | 1 | цена по запросу | |||
| 20 | WASHER, Fiber | 2 | цена по запросу | |||
| 21 | комплект винта (.375-16 x .250) | 1 | 760 руб. | |||
| 22 | ленточный хомут (4") | 1 | 30 руб. | |||
| 23 | вал механизма переключения передач | 1 | 13390 руб. | |||
| 24 | уплотнительное кольцо (0.862 x 0.103) | 1 | 210 руб. | |||
| 25 | вкладыш в сборе | 1 | 3480 руб. | |||
| 26 | Сальник | 1 | 1910 руб. | |||
| 27 | шайба | 1 | 110 руб. | |||
| 28 | Вертикальный вал | 1 | (LONG) | 97670 руб. | ||
| 28 | Вертикальный вал | 1 | (X-LONG) | 97960 руб. | ||
| 29 | роликовый подшипник | 1 | цена по запросу | |||
| 30 | NSS | NOT SOLD SEPARATE, CUP, TAPERED | 1 | |||
| 31 | фиксатор | 1 | 700 руб. | |||
| 32 | основание водяного насоса в сборе | 1 | 6310 руб. | |||
| 33 | Прокладка | 1 | цена по запросу | |||
| 34 | уплотнительное кольцо (2.175 x 0.175) | 1 | 50 руб. | |||
| 35 | Сальник | 1 | 3260 руб. | |||
| 36 | Сальник | 1 | 2060 руб. | |||
| 37 | Прокладка | 1 | 410 руб. | |||
| 38 | Прокладка | 1 | 360 руб. | |||
| 39 | Пластина основания | 1 | цена по запросу | |||
| 40 | корпус водяного насоса в сборе | 1 | 7570 руб. | |||
| 41 | Палец-вкладыш | 1 | 1050 руб. | |||
| 42 | Уплотнение | 1 | 440 руб. | |||
| 43 | Крыльчатка | 1 | 4990 руб. | |||
| 44 | шпонка | 1 | 500 руб. | |||
| 45 | винт (#14-8 x 2.25) | 1 | 400 руб. | |||
| 46 | шайба (0.281 x 0.500 x 0.060) нержавеющая сталь | 2 | цена по запросу | |||
| 47 | гайка (0.250-28) | 2 | 230 руб. | |||
| 48 | шайба | 1 | 120 руб. | |||
| 49 | гайка | 1 | 300 руб. | |||
| 50 | втулка | 1 | 850 руб. | |||
| - | Набор прокладок двигателя | 1 | 29780 руб. | |||
| - | Ремкомплект водяной помпы | 1 | 10380 руб. | |||
| - | Уплотнительный комплект | 1 | 11290 руб. | |||
| 1 | Art.: Корпус редуктора в сборе ((BLACK)(BASIC))Деталей в узле: 1 1 | Корпус редуктора в сборе ((GRAY)(BASIC))Деталей в узле: 1 2 | Art.: 22-85822A10 соединитель в сборе Деталей в узле: 1 3 | Art.: -NSS NOT SOLD SEPARATE, TUBING Деталей в узле: 1 4 | Art.: -NSS не продается по отдельности, соединитель Деталей в узле: 1 5 | Art.: 17-43044 посадочный штифт без отверстия (0.375 x 0.625) Деталей в узле: 2 6 | Art.: шпилька (0.438 x 3.82") ((X-LONG))Деталей в узле: 1 6 | Art.: 16-786382 шпилька (0.437-14/0.437-20 x 3.120) ((LONG))Деталей в узле: 1 7 | Art.: 16-579203 шпилька (0.437-14/0.437-20 x 2.060) Деталей в узле: 2 цена по запросу
8 | шпилька (.312 x 3.38) Деталей в узле: 1 9 | Art.: 16-30667 шпилька (0.250-20/0.250-28 x 3.125) Деталей в узле: 2 цена по запросу
10 | Art.: Блок фильтра Деталей в узле: 1 11 | Art.: 31-42647A1 роликовый подшипник в сборе Деталей в узле: 1 12 | Art.: анод Деталей в узле: 2 13 | Art.: 10-4000333 Винт (M6 x 40) Деталей в узле: 1 14 | Art.: Гайка (М6) Деталей в узле: 1 цена по запросу 15 | Art.: -NSS NOT SOLD SEPARATE, PINION GEAR (PART OF 43-44104A8(1.87:1 GEAR RATIO-15TEETH) Деталей в узле: 1 16 | Art.: 12-92721 WASHER (NOT USED W/HIGH ALTITUDE) (INCLUDED WITH FORWARD GEAR SET)Деталей в узле: 1 17 | Art.: 11-35921 гайка (0.625-18) (INCLUDED WITH FORWARD GEAR SET)Деталей в узле: 1 18 | Art.: 15-42637A1 набор регулировочных прокладок (INCLUDED WITH FORWARD GEAR SET)Деталей в узле: AR снято с производства 19 | FITTING KIT, Magnetic, Plug Fill/Drain Деталей в узле: 1 цена по запросу 20 | WASHER, Fiber Деталей в узле: 2 цена по запросу
21 | комплект винта (.375-16 x .250) Деталей в узле: 1 22 | Art.: 56762 ленточный хомут (4") Деталей в узле: 1 23 | Art.: 789022 вал механизма переключения передач Деталей в узле: 1 24 | Art.: 25-25439 уплотнительное кольцо (0.862 x 0.103) Деталей в узле: 1 25 | Art.: 23-77631A2 вкладыш в сборе Деталей в узле: 1 26 | Art.: Сальник Деталей в узле: 1 27 | Art.: 12-77674 шайба Деталей в узле: 1 28 | Art.: Вертикальный вал ((LONG))Деталей в узле: 1 28 | Art.: Вертикальный вал ((X-LONG))Деталей в узле: 1 29 | Art.: 31-36387A1 роликовый подшипник Деталей в узле: 1 цена по запросу
30 | Art.: -NSS NOT SOLD SEPARATE, CUP, TAPERED Деталей в узле: 1 31 | Art.: фиксатор Деталей в узле: 1 32 | Art.: основание водяного насоса в сборе Деталей в узле: 1 33 | Art.: 27-426311 Прокладка Деталей в узле: 1 цена по запросу
34 | Art.: уплотнительное кольцо (2.175 x 0.175) Деталей в узле: 1 35 | Art.: 26-89238 Сальник Деталей в узле: 1 36 | Art.: 26-16977 Сальник Деталей в узле: 1 37 | Art.: Прокладка Деталей в узле: 1 38 | Art.: Прокладка Деталей в узле: 1 39 | Art.: Пластина основания Деталей в узле: 1 цена по запросу
40 | Art.: корпус водяного насоса в сборе Деталей в узле: 1 41 | Art.: Палец-вкладыш Деталей в узле: 1 42 | Art.: 26-38970 Уплотнение Деталей в узле: 1 43 | Крыльчатка Деталей в узле: 1 44 | Art.: шпонка Деталей в узле: 1 45 | Art.: винт (#14-8 x 2.25) Деталей в узле: 1 46 | Art.: 12-29245 шайба (0.281 x 0.500 x 0.060) нержавеющая сталь Деталей в узле: 2 цена по запросу
47 | Art.: гайка (0.250-28) Деталей в узле: 2 48 | Art.: 12-36001 шайба Деталей в узле: 1 49 | Art.: 11-13436 гайка Деталей в узле: 1 50 | Art.: втулка Деталей в узле: 1 - | Art.: 27-815791A92 Набор прокладок двигателя Деталей в узле: 1 - | Art.: Ремкомплект водяной помпы Деталей в узле: 1 - | Art.: 26-89238A2 Уплотнительный комплект Деталей в узле: 1 | |||||||||||||||||||||||||||||||||||||||||||||||||||||||||
