200/225/250 (3.0L) SEAPRO/MARATHON EFI
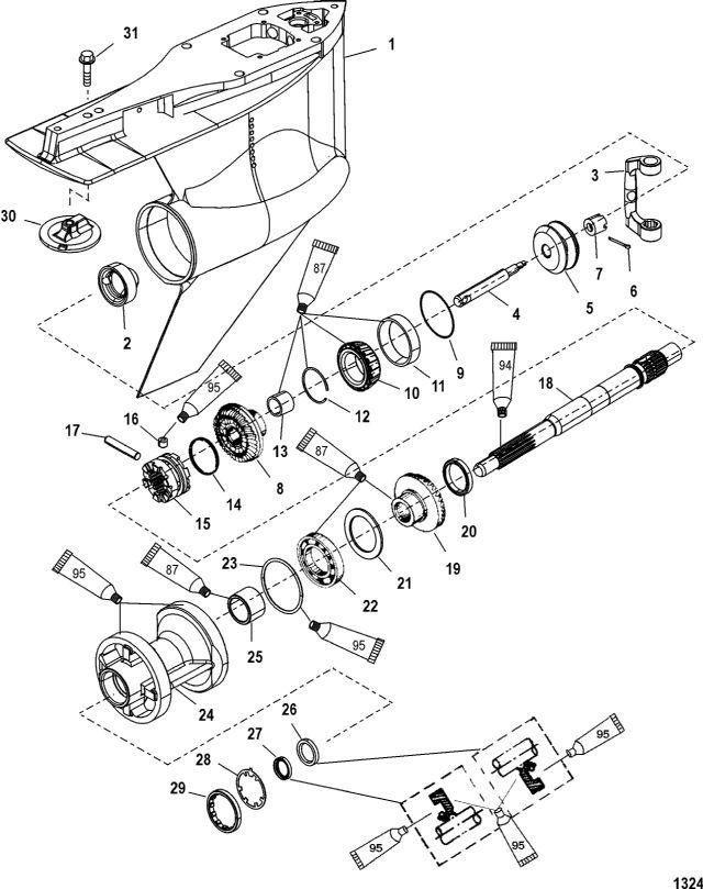
корпус редуктора, вал гребного винта - стандартное вращение
корпус редуктора, вал гребного винта - стандартное вращение
| № | Артикул | Наименование | Деталей в узле | Комментарий | Цена | |
| 1 | Корпус редуктора в сборе | 1 | 303290 руб. | |||
| 2 | пробка | 1 | 4350 руб. | |||
| 3 | SHIFT CRANK | 1 | цена по запросу | |||
| 4 | Катушка в сборе | 1 | 6500 руб. | |||
| 5 | NSS | NOT SOLD SEPARATE, Shift Spool | 1 | |||
| 6 | шплинт | 1 | 470 руб. | |||
| 7 | NSS | не продается по отдельности, втулка | 1 | |||
| 8 | GEAR SET, Forward/Pinion (12/21) | 1 | 75280 руб. | |||
| 9 | набор регулировочных прокладок | AR | снято с производства | |||
| 10 | конический роликовый подщипник в сборе | 1 | 11130 руб. | |||
| 11 | NSS | ке продается по отдельности, крышка | 1 | |||
| 12 | стопорное кольцо | 1 | 1250 руб. | |||
| 13 | Игольчатый подшипник | 1 | 2960 руб. | |||
| 14 | Пружина | 1 | 300 руб. | |||
| 15 | муфта сцепления | 1 | 42870 руб. | |||
| 16 | стопорный штифт | 1 | 1140 руб. | |||
| 17 | поперечный штифт | 1 | цена по запросу | |||
| 18 | вал гребного винта | 1 | цена по запросу | |||
| 19 | GEAR, Reverse (12/21) | 1 | 53830 руб. | |||
| 20 | проставка | 1 | 450 руб. | |||
| 21 | упорное кольцо | 1 | 1830 руб. | |||
| 22 | Шариковый подшипник | 1 | 8240 руб. | |||
| 23 | уплотнительное кольцо | 1 | (Orange) | цена по запросу | ||
| 23 | уплотнительное кольцо (3.850 x 0.210) | 1 | (Black) | цена по запросу | ||
| 24 | подшипник опоры в сборе | 1 | цена по запросу | |||
| 25 | Игольчатый подшипник | 1 | 3780 руб. | |||
| 26 | сальник внутренний | 1 | 2640 руб. | |||
| 27 | внешнее уплотнение | 1 | 2580 руб. | |||
| 28 | стопорная шайба | 1 | 2900 руб. | |||
| 29 | фиксатор | 1 | цена по запросу | |||
| 30 | комплект анода | 1 | 3100 руб. | |||
| 31 | винт (0.437-14 x 1.750) | 1 | цена по запросу | |||
| - | GEAR HOUSING ASSEMBLY, Complete (4.75 Inch/120.65 mm Torpedo Diameter) | 1 | (Long) | цена по запросу | ||
| - | GEAR HOUSING ASSEMBLY, Complete (4.75 Inch/120.65 mm Torpedo Diameter) | 1 | (XX-Long) | 539750 руб. | ||
| - | GEAR HOUSING ASSEMBLY, Complete (4.75 Inch/120.65 mm Torpedo Diameter) | 1 | (X-Long) | цена по запросу | ||
| - | Набор уплотнений корпуса редуктора | 1 | 5890 руб. | |||
| 1 | Art.: 1623-859399T18 Корпус редуктора в сборе Деталей в узле: 1 2 | Art.: 22-859403 пробка Деталей в узле: 1 3 | Art.: 823903 SHIFT CRANK Деталей в узле: 1 цена по запросу
4 | Art.: 19755T7 Катушка в сборе Деталей в узле: 1 5 | Art.: -NSS NOT SOLD SEPARATE, Shift Spool Деталей в узле: 1 6 | Art.: 18-469501 шплинт Деталей в узле: 1 7 | Art.: -NSS не продается по отдельности, втулка Деталей в узле: 1 8 | Art.: 43-859321A3 GEAR SET, Forward/Pinion (12/21) Деталей в узле: 1 9 | Art.: 15-44491A1 набор регулировочных прокладок Деталей в узле: AR снято с производства 10 | Art.: 31-30894A1 конический роликовый подщипник в сборе Деталей в узле: 1 11 | Art.: -NSS ке продается по отдельности, крышка Деталей в узле: 1 12 | Art.: 53-856823 стопорное кольцо Деталей в узле: 1 13 | Art.: 31-30895T Игольчатый подшипник Деталей в узле: 1 14 | Art.: 24-30893 Пружина Деталей в узле: 1 15 | Art.: 52-859340T муфта сцепления Деталей в узле: 1 16 | Art.: 17-828356 стопорный штифт Деталей в узле: 1 17 | поперечный штифт Деталей в узле: 1 цена по запросу 18 | Art.: 44-824110 вал гребного винта Деталей в узле: 1 цена по запросу
19 | Art.: 43-859322A1 GEAR, Reverse (12/21) Деталей в узле: 1 20 | Art.: 23-824108 проставка Деталей в узле: 1 21 | Art.: 681001 упорное кольцо Деталей в узле: 1 22 | Art.: 30-88957T Шариковый подшипник Деталей в узле: 1 23 | Art.: 25-31534 уплотнительное кольцо ((Orange))Деталей в узле: 1 цена по запросу
23 | Art.: 25-896524 уплотнительное кольцо (3.850 x 0.210) ((Black))Деталей в узле: 1 цена по запросу
24 | Art.: 818763T11 подшипник опоры в сборе Деталей в узле: 1 цена по запросу
25 | Art.: 31-30956T Игольчатый подшипник Деталей в узле: 1 26 | Art.: 26-14077 сальник внутренний Деталей в узле: 1 27 | Art.: внешнее уплотнение Деталей в узле: 1 28 | Art.: 14-18323 стопорная шайба Деталей в узле: 1 29 | Art.: фиксатор Деталей в узле: 1 цена по запросу
30 | Art.: 76214Q5 комплект анода Деталей в узле: 1 31 | Art.: 10-806327 винт (0.437-14 x 1.750) Деталей в узле: 1 цена по запросу
- | Art.: 1623-859399T13 GEAR HOUSING ASSEMBLY, Complete (4.75 Inch/120.65 mm Torpedo Diameter) ((Long))Деталей в узле: 1 цена по запросу
- | Art.: 1623-859399T15 GEAR HOUSING ASSEMBLY, Complete (4.75 Inch/120.65 mm Torpedo Diameter) ((XX-Long))Деталей в узле: 1 - | Art.: 1623-859399T14 GEAR HOUSING ASSEMBLY, Complete (4.75 Inch/120.65 mm Torpedo Diameter) ((X-Long))Деталей в узле: 1 цена по запросу
- | Art.: 26-816575A4 Набор уплотнений корпуса редуктора Деталей в узле: 1 | |||||||||||||||||||||||||||||||||||||
