200/225/250/275/300 4-STROKE VERADO (6 CYLINDER)
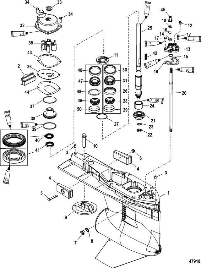
Gear Housing, Driveshaft, 4.80 Torpedo
Gear Housing, Driveshaft, 4.80 Torpedo
| № | Артикул | Наименование | Деталей в узле | Комментарий | Цена | |
| 1 | GEAR HOUSING ASSEMBLY, Basic, Used with 5/16 Inch Shift Crank | 1 | SN# 1B853027 & Below | снято с производства | ||
| 1 | CRANK, Shifter, 1/4 Pivot Pin, Used with 1/4 Inch Shift Crank | 1 | SN# 1B853028 & Up | цена по запросу | ||
| 2 | Блок фильтра | 1 | SN# 1B583980 & Up | 2900 руб. | ||
| 2 | Блок фильтра | 1 | SN# 1B583979 & Below | 2140 руб. | ||
| 3 | посадочный штифт без отверстия (0.375 x 0.625) | 2 | 260 руб. | |||
| 4 | анод | 2 | 1500 руб. | |||
| 5 | Винт (M6 x 40) | 1 | 370 руб. | |||
| 6 | Гайка (М6), нержавеющая сталь | 1 | 330 руб. | |||
| 7 | заглушка в сборе (0.375-16 x 0.250) | 1 | 670 руб. | |||
| 8 | Уплотнение | 1 | 630 руб. | |||
| 9 | комплект анода | 1 | (Quicksilver) | 2950 руб. | ||
| 9 | комплект анода | 1 | (Mercury) | 2950 руб. | ||
| 10 | винт (0.437-14 x 1.750) | 1 | цена по запросу | |||
| 11 | фиксатор | 1 | 670 руб. | |||
| 12 | фиттинг | 1 | 720 руб. | |||
| 13 | крышка в сборе | 1 | Design-I | 4330 руб. | ||
| 13 | крышка в сборе | 1 | Design-II | 4330 руб. | ||
| 14 | Сальник | 1 | Design-I and II | 1810 руб. | ||
| 15 | уплотнительное кольцо (799 x 0.103) | 1 | Design-I and II | 170 руб. | ||
| 16 | стопорное кольцо | 1 | Design-II | 440 руб. | ||
| 17 | винт (М6 х 20) нержавеющая сталь | 4 | цена по запросу | |||
| 18 | шайба | 1 | 100 руб. | |||
| 19 | Прокладка | 1 | 390 руб. | |||
| 20 | вал механизма переключения передач | 1 | 12530 руб. | |||
| 21 | NSS | не продается по отдельности, ведущая шестерня (13 зубьев) | 1 | (Part of Forward/Pinion Gear Set) | ||
| 22 | гайка (0.625-18) | 1 | 760 руб. | |||
| 23 | шайба | 1 | 140 руб. | |||
| 24 | роликовый подшипник в сборе | 1 | 11430 руб. | |||
| 25 | Вертикальный вал | 1 | (X-Long) | 82730 руб. | ||
| 25 | Вертикальный вал | 1 | (Long) | 75120 руб. | ||
| 25 | Вертикальный вал | 1 | (XX-Long) | 88350 руб. | ||
| 26 | регулировочная прокладка/подшипник в сборе | 1 | SN# 1B792549 & Below | 26910 руб. | ||
| 27 | регулировочная прокладка в сборе | AR | снято с производства | |||
| 28 | NSS | не продается по отдельности, роликовый подшипник в сборе | 1 | SN# 1B792549 & Below | ||
| 29 | NSS | ке продается по отдельности, крышка | 1 | SN# 1B792549 & Below | ||
| 30 | NSS | ке продается по отдельности, крышка | 1 | SN# 1B792549 & Below | ||
| 31 | NSS | не продается по отдельности, роликовый подшипник в сборе | 1 | SN# 1B792549 & Below | ||
| 32 | корпус водяного насоса в сборе | 1 | 14230 руб. | |||
| 33 | Уплотнительный комплект | 1 | 1270 руб. | |||
| 34 | винт (М6 х 20) нержавеющая сталь | 4 | цена по запросу | |||
| 35 | Крыльчатка | 1 | 4190 руб. | |||
| 36 | Пластина основания | 1 | 1440 руб. | |||
| 37 | стопорное кольцо | 1 | 150 руб. | |||
| 38 | опора сальника в сборе | 1 | 7620 руб. | |||
| 39 | уплотнительное кольцо (2.175 x 0.103) | 1 | 50 руб. | |||
| 40 | NSS | Не продается по отдельности, сальник | 1 | |||
| 41 | NSS | Не продается по отдельности, сальник | 1 | |||
| 42 | шпонка | 1 | цена по запросу | |||
| 43 | Прокладка | 1 | 480 руб. | |||
| 44 | Прокладка | 1 | 1170 руб. | |||
| 45 | муфта | 1 | 3640 руб. | |||
| 46 | BEARING ASSEMBLY, Roller/Cup | 1 | SN# 1B792550 & Up | цена по запросу | ||
| 47 | NSS | не продается по отдельности, роликовый подшипник | 1 | SN# 1B792550 & Up | ||
| 48 | набор регулировочных прокладок | 1 | SN# 1B792550 & Up | снято с производства | ||
| 49 | конический роликовый подшипник | 1 | SN# 1B792550 & Up | цена по запросу | ||
| 50 | NSS | ке продается по отдельности, крышка | 1 | SN# 1B792550 & Up | ||
| - | Ремокомплект водяного насоса, крыльчатка | 1 | 8460 руб. | |||
| - | Набор уплотнений корпуса редуктора | 1 | 8160 руб. | |||
| - | редуктор в сборе | 1 | (Counter Rotation-XX-Long)(1.85:1)(200 thru 275) | цена по запросу | ||
| - | редуктор в сборе | 1 | (Counter Rotation-X-Long)(1.75:1)(300) | 1078990 руб. | ||
| - | редуктор в сборе | 1 | (Counter Rotation-XX-Long)(1.75:1)(300) | 1088960 руб. | ||
| - | редуктор в сборе | 1 | (Standard-XX-Long)(1.75:1)(300) | 1172330 руб. | ||
| - | редуктор в сборе | 1 | (Standard-Long)(1.75:1)(300) | цена по запросу | ||
| - | редуктор в сборе | 1 | (Counter Rotation-X-Long)(1.85:1)(200 thru 275) | цена по запросу | ||
| - | редуктор в сборе | 1 | (Standard-XX-Long)(1.85:1)(200 thru 275) | 1171370 руб. | ||
| - | редуктор в сборе | 1 | (Standard-X-Long)(1.85:1)(200 thru 275) | цена по запросу | ||
| - | редуктор в сборе | 1 | (Standard-Long)(1.85:1)(200 thru 275) | 1063160 руб. | ||
| - | редуктор в сборе | 1 | (Counter Rotation-Long)(1.75:1)(300) | цена по запросу | ||
| - | редуктор в сборе | 1 | (Standard-X-Long)(1.75:1)(300) | цена по запросу | ||
| - | Ремкомплект верхней части водяного насоса | 1 | 13490 руб. | |||
| 1 | Art.: 1600-880687T01 GEAR HOUSING ASSEMBLY, Basic, Used with 5/16 Inch Shift Crank (SN# 1B853027 & Below)Деталей в узле: 1 снято с производства 1 | Art.: 8M0046215 CRANK, Shifter, 1/4 Pivot Pin, Used with 1/4 Inch Shift Crank (SN# 1B853028 & Up)Деталей в узле: 1 цена по запросу
2 | Art.: 8M0010459 Блок фильтра (SN# 1B583980 & Up)Деталей в узле: 1 2 | Art.: 821526001 Блок фильтра (SN# 1B583979 & Below)Деталей в узле: 1 3 | Art.: 17-43044 посадочный штифт без отверстия (0.375 x 0.625) Деталей в узле: 2 4 | Art.: 826134Q анод Деталей в узле: 2 5 | Art.: 10-4000333 Винт (M6 x 40) Деталей в узле: 1 6 | Art.: 11-401386 Гайка (М6), нержавеющая сталь Деталей в узле: 1 7 | Art.: 10-79953A04 заглушка в сборе (0.375-16 x 0.250) Деталей в узле: 1 8 | Art.: Уплотнение Деталей в узле: 1 9 | Art.: 76214Q5 комплект анода ((Quicksilver))Деталей в узле: 1 9 | Art.: 76214T5 комплект анода ((Mercury))Деталей в узле: 1 10 | Art.: 10-806327 винт (0.437-14 x 1.750) Деталей в узле: 1 цена по запросу
11 | Art.: 8245191 фиксатор Деталей в узле: 1 12 | Art.: 22-881866 фиттинг Деталей в узле: 1 13 | Art.: крышка в сборе (Design-I)Деталей в узле: 1 13 | Art.: 8M0047129 крышка в сборе (Design-II)Деталей в узле: 1 14 | Art.: Сальник (Design-I and II)Деталей в узле: 1 15 | Art.: 25-896522 уплотнительное кольцо (799 x 0.103) (Design-I and II)Деталей в узле: 1 16 | Art.: 53-8M0046563 стопорное кольцо (Design-II)Деталей в узле: 1 17 | Art.: 10-40011128 винт (М6 х 20) нержавеющая сталь Деталей в узле: 4 цена по запросу
18 | Art.: 12-77674 шайба Деталей в узле: 1 19 | Art.: 27-880729 Прокладка Деталей в узле: 1 20 | Art.: 824145 вал механизма переключения передач Деталей в узле: 1 21 | Art.: -NSS не продается по отдельности, ведущая шестерня (13 зубьев) ((Part of Forward/Pinion Gear Set))Деталей в узле: 1 22 | Art.: 11-35921 гайка (0.625-18) Деталей в узле: 1 23 | Art.: 12-92721 шайба Деталей в узле: 1 24 | Art.: 31-42647A1 роликовый подшипник в сборе Деталей в узле: 1 25 | Art.: 45-888573 Вертикальный вал ((X-Long))Деталей в узле: 1 25 | Art.: 45-888572 Вертикальный вал ((Long))Деталей в узле: 1 25 | Art.: 45-888574 Вертикальный вал ((XX-Long))Деталей в узле: 1 26 | Art.: 15-884327A02 регулировочная прокладка/подшипник в сборе (SN# 1B792549 & Below)Деталей в узле: 1 27 | Art.: 15-38657A1 регулировочная прокладка в сборе Деталей в узле: AR снято с производства 28 | Art.: -NSS не продается по отдельности, роликовый подшипник в сборе (SN# 1B792549 & Below)Деталей в узле: 1 29 | Art.: -NSS ке продается по отдельности, крышка (SN# 1B792549 & Below)Деталей в узле: 1 30 | Art.: -NSS ке продается по отдельности, крышка (SN# 1B792549 & Below)Деталей в узле: 1 31 | Art.: -NSS не продается по отдельности, роликовый подшипник в сборе (SN# 1B792549 & Below)Деталей в узле: 1 32 | Art.: 817275A09 корпус водяного насоса в сборе Деталей в узле: 1 33 | Art.: 26-861415A1 Уплотнительный комплект Деталей в узле: 1 34 | Art.: 10-40011128 винт (М6 х 20) нержавеющая сталь Деталей в узле: 4 цена по запросу
35 | Art.: Крыльчатка Деталей в узле: 1 36 | Art.: Пластина основания Деталей в узле: 1 37 | Art.: 53-880719 стопорное кольцо Деталей в узле: 1 38 | Art.: 8M0007131 опора сальника в сборе Деталей в узле: 1 39 | Art.: уплотнительное кольцо (2.175 x 0.103) Деталей в узле: 1 40 | Art.: -NSS Не продается по отдельности, сальник Деталей в узле: 1 41 | Art.: -NSS Не продается по отдельности, сальник Деталей в узле: 1 42 | Art.: 28-8M0032833 шпонка Деталей в узле: 1 цена по запросу
43 | Art.: 27-8172771 Прокладка Деталей в узле: 1 44 | Art.: 27-430331 Прокладка Деталей в узле: 1 45 | Art.: 43585 муфта Деталей в узле: 1 46 | Art.: 31-36387A1 BEARING ASSEMBLY, Roller/Cup (SN# 1B792550 & Up)Деталей в узле: 1 цена по запросу
47 | Art.: -NSS не продается по отдельности, роликовый подшипник (SN# 1B792550 & Up)Деталей в узле: 1 48 | Art.: 15-8M0053110 набор регулировочных прокладок (SN# 1B792550 & Up)Деталей в узле: 1 снято с производства 49 | Art.: 31-48939A2 конический роликовый подшипник (SN# 1B792550 & Up)Деталей в узле: 1 цена по запросу
50 | Art.: -NSS ке продается по отдельности, крышка (SN# 1B792550 & Up)Деталей в узле: 1 - | Art.: Ремокомплект водяного насоса, крыльчатка Деталей в узле: 1 - | Art.: 26-830749A01 Набор уплотнений корпуса редуктора Деталей в узле: 1 - | Art.: 1600-880686T17 редуктор в сборе ((Counter Rotation-XX-Long)(1.85:1)(200 thru 275))Деталей в узле: 1 цена по запросу
- | Art.: 1600-880686T58 редуктор в сборе ((Counter Rotation-X-Long)(1.75:1)(300))Деталей в узле: 1 - | Art.: 1600-880686T59 редуктор в сборе ((Counter Rotation-XX-Long)(1.75:1)(300))Деталей в узле: 1 - | Art.: 1600-880686T56 редуктор в сборе ((Standard-XX-Long)(1.75:1)(300))Деталей в узле: 1 - | Art.: 1600-880686T54 редуктор в сборе ((Standard-Long)(1.75:1)(300))Деталей в узле: 1 цена по запросу
- | Art.: 1600-880686T15 редуктор в сборе ((Counter Rotation-X-Long)(1.85:1)(200 thru 275))Деталей в узле: 1 цена по запросу
- | Art.: 1600-880686T16 редуктор в сборе ((Standard-XX-Long)(1.85:1)(200 thru 275))Деталей в узле: 1 - | Art.: 1600-880686T14 редуктор в сборе ((Standard-X-Long)(1.85:1)(200 thru 275))Деталей в узле: 1 цена по запросу
- | Art.: 1600-880686T13 редуктор в сборе ((Standard-Long)(1.85:1)(200 thru 275))Деталей в узле: 1 - | Art.: 1600-880686T57 редуктор в сборе ((Counter Rotation-Long)(1.75:1)(300))Деталей в узле: 1 цена по запросу
- | Art.: 1600-880686T55 редуктор в сборе ((Standard-X-Long)(1.75:1)(300))Деталей в узле: 1 цена по запросу
- | Art.: 817275A08 Ремкомплект верхней части водяного насоса Деталей в узле: 1 | |||||||||||||||||||||||||||||||||||||||||||||||||||||||||||||||||||||||
