55/60/45 JET/60 BIGFOOT (2-STROKE)
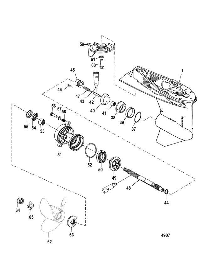
корпус редуктора, вал гребного винта - передаточное отношение 1.64:1
корпус редуктора, вал гребного винта - передаточное отношение 1.64:1
| № | Артикул | Наименование | Деталей в узле | Комментарий | Цена | |
| 1 | Корпус редуктора в сборе | 1 | (BLACK) | 159550 руб. | ||
| 1 | Корпус редуктора в сборе | 1 | (GRAY) | не посталяется заказывайте 9760T30 | ||
| 37 | набор регулировочных прокладок | AR | снято с производства | |||
| 38 | конический роликовый подшипник в сборе | 1 | 7500 руб. | |||
| 39 | NSS | ке продается по отдельности, крышка | 1 | |||
| 40 | GEAR ASSEMBLY, Forward (23 TEETH) | 1 | 67980 руб. | |||
| 41 | роликовый подшипник | 1 | 2260 руб. | |||
| 42 | толкатель кулачка | 1 | 9560 руб. | |||
| 43 | ползунок | 1 | 3520 руб. | |||
| 44 | Пружина | 1 | 420 руб. | |||
| 45 | муфта сцепления | 1 | 11160 руб. | |||
| 46 | поперечный штифт | 1 | 410 руб. | |||
| 47 | Пружина | 1 | 260 руб. | |||
| 48 | вал гребного винта | 1 | 43220 руб. | |||
| 49 | шестерня заднего хода (23 зуба) | 1 | 44060 руб. | |||
| 50 | Шариковый подшипник | 1 | 12370 руб. | |||
| 51 | подшипник опоры в сборе | 1 | 34360 руб. | |||
| 52 | уплотнительное кольцо | 1 | 270 руб. | |||
| 53 | Игольчатый подшипник | 1 | 2380 руб. | |||
| 54 | Сальник | 1 | 2520 руб. | |||
| 55 | Сальник | 1 | 2740 руб. | |||
| 56 | Винт (M8 x 25) | 2 | 240 руб. | |||
| 56 | Винт (M8 x 30) | 2 | (USE W/THREADED INSERT) | 380 руб. | ||
| 57 | Шайба (0.323 x 0.563 x 0.063), нержавеющая сталь | 2 | 230 руб. | |||
| 57 | шайба (.323 x .590 x .112) нержавеющая сталь | 2 | (USE W/THREADED INSERT) | 160 руб. | ||
| 58 | Вкладыш резьбовой | 2 | 420 руб. | |||
| 59 | цинковый анод | 1 | 3310 руб. | |||
| 60 | Винт (М10 х 30) | 1 | 420 руб. | |||
| 61 | шайба (.406 x .750 x .104) | 1 | цена по запросу | |||
| 62 | комплект гребного винта | 1 | (55 BEACHING) | 26360 руб. | ||
| 63 | упорная втулка | 1 | 2150 руб. | |||
| 64 | Комплект гаек гребного винта | 1 | 1860 руб. | |||
| 65 | стопорная шайба | 1 | 740 руб. | |||
| - | Набор прокладок | 1 | 12200 руб. | |||
| - | Корпус редуктора в сборе | 1 | (GRAY) X-LONG | снято с производства | ||
| - | Корпус редуктора в сборе | 1 | (GRAY) SHORT | снято с производства | ||
| - | Корпус редуктора в сборе | 1 | (BLACK) LONG | 509380 руб. | ||
| - | Корпус редуктора в сборе | 1 | (GRAY) LONG | не посталяется заказывайте 9760T25 | ||
| - | Корпус редуктора в сборе | 1 | (BLACK) X-LONG | 509380 руб. | ||
| - | Корпус редуктора в сборе | 1 | (BLACK) SHORT | 453410 руб. | ||
| - | Набор уплотнений корпуса редуктора | 1 | 9740 руб. | |||
| 1 | Корпус редуктора в сборе ((BLACK))Деталей в узле: 1 1 | Art.: Корпус редуктора в сборе ((GRAY))Деталей в узле: 1 не посталяется заказывайте 9760T30 37 | Art.: 15-812769A1 набор регулировочных прокладок Деталей в узле: AR снято с производства 38 | Art.: конический роликовый подшипник в сборе Деталей в узле: 1 39 | Art.: -NSS ке продается по отдельности, крышка Деталей в узле: 1 40 | Art.: GEAR ASSEMBLY, Forward (23 TEETH) Деталей в узле: 1 41 | Art.: 31-21739 роликовый подшипник Деталей в узле: 1 42 | Art.: толкатель кулачка Деталей в узле: 1 43 | Art.: 20843 ползунок Деталей в узле: 1 44 | Art.: 24-38114 Пружина Деталей в узле: 1 45 | Art.: муфта сцепления Деталей в узле: 1 46 | Art.: поперечный штифт Деталей в узле: 1 47 | Art.: 24-815418 Пружина Деталей в узле: 1 48 | Art.: 44-14493 вал гребного винта Деталей в узле: 1 49 | Art.: шестерня заднего хода (23 зуба) Деталей в узле: 1 50 | Art.: Шариковый подшипник Деталей в узле: 1 51 | Art.: подшипник опоры в сборе Деталей в узле: 1 52 | Art.: 25-815460 уплотнительное кольцо Деталей в узле: 1 53 | Art.: 31-21700 Игольчатый подшипник Деталей в узле: 1 54 | Art.: Сальник Деталей в узле: 1 55 | Art.: Сальник Деталей в узле: 1 56 | Art.: 10-4000353 Винт (M8 x 25) Деталей в узле: 2 56 | Art.: 10-85594030 Винт (M8 x 30) ((USE W/THREADED INSERT))Деталей в узле: 2 57 | Art.: Шайба (0.323 x 0.563 x 0.063), нержавеющая сталь Деталей в узле: 2 57 | Art.: 12-855941 шайба (.323 x .590 x .112) нержавеющая сталь ((USE W/THREADED INSERT))Деталей в узле: 2 58 | Art.: 8227731 Вкладыш резьбовой Деталей в узле: 2 59 | Art.: 17264T2 цинковый анод Деталей в узле: 1 60 | Art.: 10-4000377 Винт (М10 х 30) Деталей в узле: 1 61 | Art.: шайба (.406 x .750 x .104) Деталей в узле: 1 цена по запросу
62 | Art.: комплект гребного винта ((55 BEACHING))Деталей в узле: 1 63 | Art.: 73345A1 упорная втулка Деталей в узле: 1 64 | Art.: Комплект гаек гребного винта Деталей в узле: 1 65 | Art.: стопорная шайба Деталей в узле: 1 - | Art.: 27-812867A97 Набор прокладок Деталей в узле: 1 - | Art.: Корпус редуктора в сборе ((GRAY) X-LONG)Деталей в узле: 1 снято с производства - | Art.: 1671-9760A24 Корпус редуктора в сборе ((GRAY) SHORT)Деталей в узле: 1 снято с производства - | Art.: Корпус редуктора в сборе ((BLACK) LONG)Деталей в узле: 1 - | Art.: Корпус редуктора в сборе ((GRAY) LONG)Деталей в узле: 1 не посталяется заказывайте 9760T25 - | Art.: Корпус редуктора в сборе ((BLACK) X-LONG)Деталей в узле: 1 - | Art.: Корпус редуктора в сборе ((BLACK) SHORT)Деталей в узле: 1 - | Art.: 26-814669A2 Набор уплотнений корпуса редуктора Деталей в узле: 1 | ||||||||||||||||||||||||||||||||||||||||||
